电脑桌面
添加小米粒文库到电脑桌面
安装后可以在桌面快捷访问

投标人建议的安装、调试、验收方法或方案VIP免费

投标人建议的安装、调试、验收方法或方案_第1页
1/5
投标人建议的安装、调试、验收方法或方案_第2页
2/5
投标人建议的安装、调试、验收方法或方案_第3页
3/5
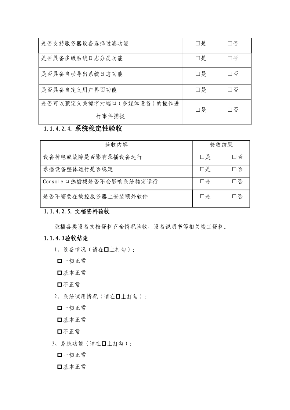
1.1投标人建议的安装、调试、验收方法或方案1.1.1系统整体调试我方工程执行小组根据系统设计方案、应用平台设计方案和实施方案对集成项目中的网络、系统设备、应用平台进行调试。安装后的软硬件调试,其中包括电脑,中控,投影,幕布等是否能正常工作。工程完毕后,由双方共同测试验收。1.1.2用户现场培训我方工程实施小组在项目安装调试过程中,对用户方配合人员进行工程安装设置及注意事项的现场讲解和培训,提高用户方人员对设备的使用维护,软件维护、网管、安全维护和管理能力。1.1.3工程初验/终验在“系统试运行”结束后,双方共同检验本项目的实际运行情况,并决定是否可以投入使用。1.1.4具体的验收方案1.1.4.1基本信息甲方:建设单位/项目发包方乙方:乙方按照合同要求实行施工,从年月日至年月日乙方认为已经完工,要求甲方进行验收。1.1.4.2验收项目1.1.4.2.1.产品设备验收所有设备及功能符合合同要求(使用了合同规定的设备、数量符合、售后服务手续齐全)阶段验收项目验收内容验收方式结果验收前检查设备到货(见合同清单)1)外观到货验收□合格□不合格2)型号、规格、数量到货验收□合格□不合格3)设备相关说明书到货验收□合格□不合格系统安装设备安装1)外观随工现场□合格□不合格2)安装紧固性随工现场□合格□不合格3)安装位置随工现场□合格□不合格4)安装工艺随工现场□合格□不合格1.1.4.2.2.兼容性验收验收内容验收结果端口规格验收是否支持VGA接口□是□否是否支持网络接口□是□否是否支持Console接口□是□否多平台验收是否支持Windows平台□是□否是否支持其他平台□是□否串口设备支持是否支持网络设备等□是□否是否支持其他设备等串口设别□是□否电源控制设备是否能实现远程开关机□是□否是否不需在被控服务器中安装额外软件□是□否1.1.4.2.3.操作功能性验收验收内容验收结果操作界面是否为全中文界面□是□否远程访问鼠标控制方便,无明显延迟□是□否远程访问显示效果能至16Bit真彩,画面流畅□是□否远程访问能支持1280X1024@75Hz分辨率□是□否在机房本地端操控时,支持鼠标操作□是□否是否支持多屏同步显示功能(全屏)□是□否是否支持键盘旁路功能□是□否是否支持服务器设备选择过滤功能□是□否是否具备多级系统日志分类功能□是□否是否具备自动导出系统日志功能□是□否是否具备自定义用户界面功能□是□否是否可以预定义关键字对端口(多媒体设备)的操作进行事件捕捉□是□否1.1.4.2.4.系统稳定性验收验收内容验收结果设备掉电或故障是否影响录播设备运行□是□否录播设备整体运行是否稳定□是□否Console口热插拔是否不会影响系统稳定运行□是□否是否不需要在被控服务器上安装额外软件□是□否1.1.4.2.5.文档资料验收录播各类设备文档资料齐全情况验收,设备说明书等相关竣工资料。1.1.4.3验收结论1、设备情况(请在上打勾):一切正常基本正常不正常2、系统试用情况(请在上打勾):一切正常基本正常不正常3、系统功能(请在上打勾):一切正常基本正常不正常附件一:乙方所提供设备清单设备名称品牌型号数量单位是否一致(参考招标、投标文件)备注投影机电脑UPS主机杀毒软件……附件二最终验收项目名称项目责任人用户单位用户接口人项目总结性概述项目责任人:竣工时间:用户单位意见1、设备(含硬件、软件及附属设备)安装完毕?□是□否2、布线、连接、调试完毕?□是□否3、移交档案资料?□是□否4、对使用者已进行简单培训?□是□否结论:验收通过□是□否1、验收组成员签名:2、用户代表签名(公章):验收日期:年月日

1、当您付费下载文档后,您只拥有了使用权限,并不意味着购买了版权,文档只能用于自身使用,不得用于其他商业用途(如 [转卖]进行直接盈利或[编辑后售卖]进行间接盈利)。
2、本站所有内容均由合作方或网友上传,本站不对文档的完整性、权威性及其观点立场正确性做任何保证或承诺!文档内容仅供研究参考,付费前请自行鉴别。
3、如文档内容存在违规,或者侵犯商业秘密、侵犯著作权等,请点击“违规举报”。

碎片内容

投标人建议的安装、调试、验收方法或方案

文章天下+ 关注
实名认证
内容提供者

各种文档应有尽有

确认删除?
VIP
微信客服
  • 扫码咨询
会员Q群
  • 会员专属群点击这里加入QQ群
客服邮箱
回到顶部