电脑桌面
添加小米粒文库到电脑桌面
安装后可以在桌面快捷访问

全过程工程咨询完整全流程图VIP专享

全过程工程咨询完整全流程图_第1页
1/26
全过程工程咨询完整全流程图_第2页
2/26
全过程工程咨询完整全流程图_第3页
3/26
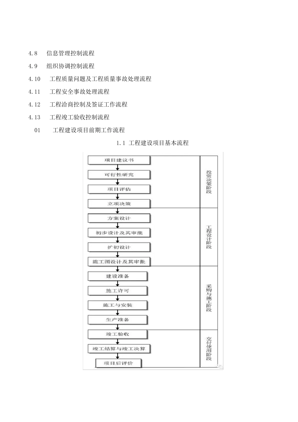
全过程工程咨询最完整的全流程图 工程建设项目一直以来都是众人眼中的“老大难”,文中四大流程中的24 张图带你全面了解工程建设项目的全过程工程咨询全流程! 01 工程建设项目前期工作流程 1.1 工程建设项目基本流程 1.2 工程建设项目建设项目投资决策(建议书、可研)流程 1.3 工程建设项目建设项目设计阶段工作流程 1.4 工程建设项目准备阶段工作流程 02 工程建设项目管理流程 2.1 工程建设项目管理基本流程 2.2 招投标基本流程 2.3 合同签订流程 2.4 施工准备流程 03 项目风险管理与信息管理流程 3.1 项目风险管理流程 3.2 项目信息管理流程 3.3 竣工验收流程 04 工程项目监理工作基本流程 4.1 工程项目实施监理的总流程 4.2 施工准备阶段监理工作流程 4.3 施工阶段工程投资控制流程 4.4 施工阶段工程进度控制流程 4.5 施工阶段工程质量控制流程 4.6 施工阶段安全监理控制流程 4.7 合同管理控制流程 4.8 信息管理控制流程 4.9 组织协调控制流程 4.10 工程质量问题及工程质量事故处理流程 4.11 工程安全事故处理流程 4.12 工程洽商控制及签证工作流程 4.13 工程竣工验收控制流程 01 工程建设项目前期工作流程 1.1 工程建设项目基本流程 1.2 建设项目投资决策(建议书、可研)流程 1.3 建设项目设计阶段工作流程 1.4 工程建设项目准备阶段工作流程 02 工程建设项目管理流程 2.1 工程建设项目管理基本流程 2.2 招投标基本流程 2.3 合同签订流程 2.4 施工准备流程 03 项目风险管理与信息管理流程 3.1 项目风险管理流程 3.2 项目信息管理流程 3.3 竣工验收流程 04 工程项目监理工作基本流程 4.1 工程项目实施监理的总流程 4.2 施工准备阶段监理流程 4.3 施工阶段工程投资控制流程 4.4 施工阶段工程进度控制流程 4.5 施工阶段工程质量控制流程 4.6 施工阶段安全监理控制流程 4.7 合同管理控制流程 4.8 信息管理控制流程 4.9 组织协调控制流程 4.10 工程质量问题及工程质量事故处理流程 4.11 工程安全事故处理流程 4.12 工程洽商控制及签证工作流程 4.13 工程竣工验收控制流程 4.14 保修阶段监理工作流程

1、当您付费下载文档后,您只拥有了使用权限,并不意味着购买了版权,文档只能用于自身使用,不得用于其他商业用途(如 [转卖]进行直接盈利或[编辑后售卖]进行间接盈利)。
2、本站所有内容均由合作方或网友上传,本站不对文档的完整性、权威性及其观点立场正确性做任何保证或承诺!文档内容仅供研究参考,付费前请自行鉴别。
3、如文档内容存在违规,或者侵犯商业秘密、侵犯著作权等,请点击“违规举报”。

碎片内容

全过程工程咨询完整全流程图

确认删除?
VIP
微信客服
  • 扫码咨询
会员Q群
  • 会员专属群点击这里加入QQ群
客服邮箱
回到顶部