电脑桌面
添加小米粒文库到电脑桌面
安装后可以在桌面快捷访问

八大作业_票证

八大作业_票证_第1页
1/10
八大作业_票证_第2页
2/10
八大作业_票证_第3页
3/10
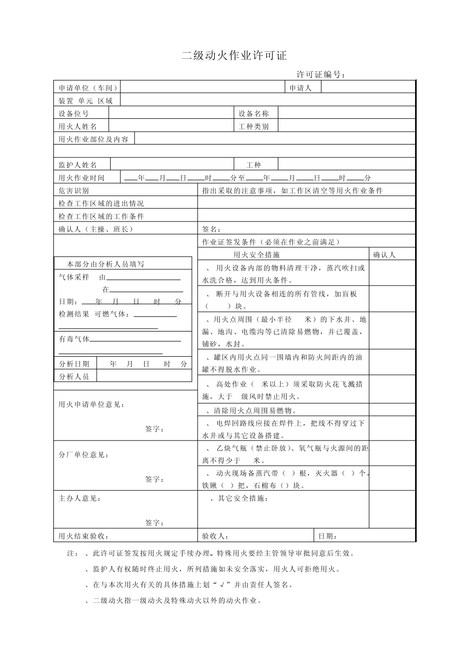
特级动火作业许可证 许可证编号: 申请单位(车间) 申请人 装置/单元/区域 设备位号 设备名称 用火人姓名 工种类别 用火作业部位及内容: 监护人姓名 工种 用火作业时间 年 月 日 时 分至 年 月 日 时 分 危害识别 指出采取的注意事项,如工作区清空等用火作业条件 检查工作区域的进出情况 检查工作区域的工作条件 确认人(主操、班长)签名: 本部分由分析人员填写 气体采样 由 在 日期: 年 月 日 时 分 检测结果 可燃气体: 有毒气体 分析日期 年 月 日 时 分 分 分析人员 作业证签发条件(必须在作业之前满足) 用火安全措施 确认人 1、 用火设备内部的物料清理干净,蒸汽吹扫或 水洗合格,达到用火条件。 2、 断开与用火设备相连的所有管线,加盲板 ( )块。 3、用火点周围(最小半径15米)的下水井、地 漏、地沟、电缆沟等已清除易燃物,并已覆盖, 铺砂,水封。 4、罐区内用火点同一围墙内和防火间距内的油 罐不得脱水作业。 5、高处作业(2米以上)须采取防火花飞溅措施 ,大于5级风时禁止用火。 用火申请单位意见: 签字: 6、清除用火点周围易燃物 7、电焊回路线应接在焊件上,把线不得穿过下 水井或与其它设备搭建。 分厂意见: 签字: 8、乙炔气瓶(禁止卧放)、氧气瓶与火源间的距 离不得少于10米。 安全监督部门意见: 签字: 9、动火现场备蒸汽带( )根,灭火器( )个, 铁锹( )把,石棉布()块。 10、其它安全措施: 分管安全副总(总工)审批意见: 签字: 用火结束验收: 验收人: 日期: 注:1、此许可证签发按用火规定手续办理。2、特殊用火要经主管领导审批同意后生效。3、监护人有权随时终止用火,所列措施如未安全落实,用火人可拒绝用火。4、在与本次用火有关的具体措施上划“√”并由责任人签名。5、特殊动火指在处于运行状态的有易燃、易爆物质的生产装置处或罐区内等重要部位的具有特殊危险的动火作业。 一级动火作业许可证 许可证编号: 申请单位(车间) 申请人 装置/单元/区域 设备位号 设备名称 用火人姓名 工种类别 用火作业部位及内容: 监护人姓名 工种 用火作业时间 年 月 日 时 分至 年 月 日 时 分 危害识别 指出采取的注意事项,如工作区清空等用火作业条件 检查工作区域的进出情况 检查工作区域的工作条件 确认人(主操、班长)签名: 本部分由分析人员填写 气体采样 由 在...

1、当您付费下载文档后,您只拥有了使用权限,并不意味着购买了版权,文档只能用于自身使用,不得用于其他商业用途(如 [转卖]进行直接盈利或[编辑后售卖]进行间接盈利)。
2、本站所有内容均由合作方或网友上传,本站不对文档的完整性、权威性及其观点立场正确性做任何保证或承诺!文档内容仅供研究参考,付费前请自行鉴别。
3、如文档内容存在违规,或者侵犯商业秘密、侵犯著作权等,请点击“违规举报”。

碎片内容

八大作业_票证

小辰4+ 关注
实名认证
内容提供者

出售各种资料和文档

确认删除?
VIP
微信客服
  • 扫码咨询
会员Q群
  • 会员专属群点击这里加入QQ群
客服邮箱
回到顶部