电脑桌面
添加小米粒文库到电脑桌面
安装后可以在桌面快捷访问

公共设施设备维护方案

公共设施设备维护方案_第1页
1/25
公共设施设备维护方案_第2页
2/25
公共设施设备维护方案_第3页
3/25
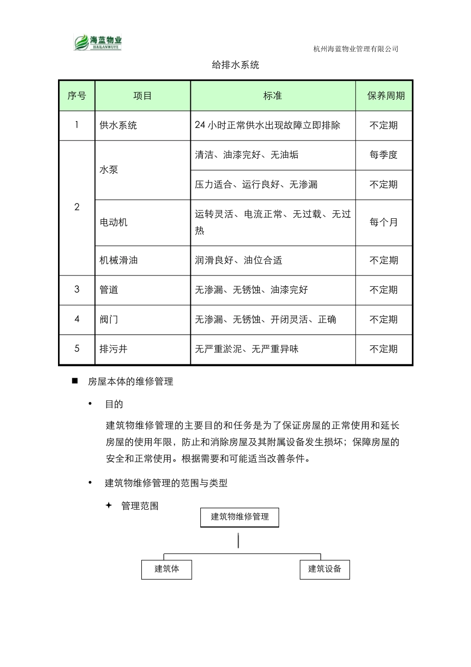
杭州海蓝物业管理有限公司 公 用 设 施 设 备 的 维 修 措 施  公 用 设 备 设 施 维 修 保 养 计 划  公 用 设 备 、 设 施 维 修 、 保 养 的 目 标  确 保 公 共 设 备 在 使 用 中 完 好 状 态 , 满 足 服 务 要 求 , 延 长 其 使 用 寿 命 , 保证 其 使 用 功 能 得 正 常 发 挥 。  公 用 设 备 、 设 施 日 常 维 修 、 保 养 的 管 理  工 程 部 作 为 公 共 设 备 设 施 的 专 业 部 门 , 根 据 公 司 设 备 管 理 指 导 书 和 行 业规 范 规 定 要 求 对 设 备 设 施 实 行 管 理 。 设 备 的 管 理 主 要 为 以 下 内 容 :  设 备 的 日 常 运 行 和 使 用  公 共 设 备 的 运 行 管 理 由 服 务 使 用 部 门 负 责 , 如 监 控 系 统 由 监 控 中 心负 责 。 期 于 基 础 功 能 性 系 统 均 由 工 程 部 负 责 其 日 常 运 行 管 理 。 运 行管 理 为 严 格 执 行 相 应 设 备 运 行 操 作 规 程 。  设 备 的 维 护 保 养  根 据 公 司 设 备 管 理 的 相 关 规 定 , 设 备 的 维 护 保 养 分 为 日 常 巡 检 保 养和 定 期 维 护 保 养 , 据 此 设 备 设 施 的 日 常 巡 视 保 养 由 使 用 部 门 或 责 任部 门 负 责 , 而 设 备 的 定 期 维 护 保 养 则 均 由 工 程 部 负 责 。 设 备 的 维 护保 养 根 据 《 设 备 保 养 计 划 》 制 定 的 《 保 养 任 务 书 》 和 《 维 保 记 录 表 》开 展 工 作 。  设 备 故 障 的 修 理  设 备 常 见 简 单 维 修 , 要 求 当 日 修 复 , 较 复 杂 或 政 府 部 门 规 定 需专 职维 修 的 可外发 维 修 , 但须在 规 定 期 内 完 成。  设 备 的 大修 改造  公 用 设 备 设 施 维 修 保 养  公 共 设 备 设 施 保 养 范 围:  供配电系 统 杭州海蓝物业管理有限公司  给 排 水 系 统  公 共 设 施 系 统  日 常 维 修 小 修 费...

1、当您付费下载文档后,您只拥有了使用权限,并不意味着购买了版权,文档只能用于自身使用,不得用于其他商业用途(如 [转卖]进行直接盈利或[编辑后售卖]进行间接盈利)。
2、本站所有内容均由合作方或网友上传,本站不对文档的完整性、权威性及其观点立场正确性做任何保证或承诺!文档内容仅供研究参考,付费前请自行鉴别。
3、如文档内容存在违规,或者侵犯商业秘密、侵犯著作权等,请点击“违规举报”。

碎片内容

公共设施设备维护方案

确认删除?
VIP
微信客服
  • 扫码咨询
会员Q群
  • 会员专属群点击这里加入QQ群
客服邮箱
回到顶部