电脑桌面
添加小米粒文库到电脑桌面
安装后可以在桌面快捷访问

2025年江西省造价员考试试题

2025年江西省造价员考试试题_第1页
1/18
2025年江西省造价员考试试题_第2页
2/18
2025年江西省造价员考试试题_第3页
3/18
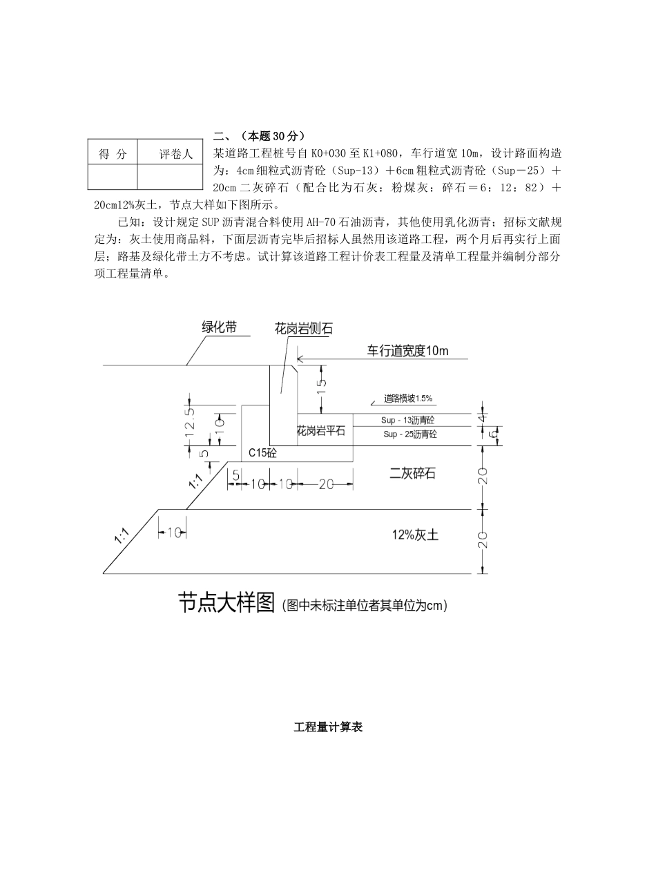
江西省建设工程造价员资格考试市政造价案例分析试卷题号一二三四五六总分计分人核分人得分本卷共六题,为案例分析。试题规定分析计算过程清晰。初级造价员考一至四题(总分100 分),中级造价员考二至五题(总分 120 分),高级造价员考三至六题(总分 120 分)。一、(本题 10 分)某新建道路工程全长 280m,路宽 7m,土壤类别为三类,填方规定密实度达到 95%。请计算下列土方工程表,分别算出挖土和填土体积。桩号距离挖 土填 土横断面积平均断面积体积横断面积平均断面积体积(m)(m2)(m2)(m3)(m2)(m2)(m3)K0+000 2.75 2.46 35K0+0352.132.6911K0+046 9.3632K0+078 8.4365K0+1431.244.4272K0+2155.25 65K0+2802.352.68 合 计 专业级别(考生填写)得 分评卷人二、(本题 30 分)某道路工程桩号自 K0+030 至 K1+080,车行道宽 10m,设计路面构造为:4cm 细粒式沥青砼(Sup-13)+6cm 粗粒式沥青砼(Sup-25)+20cm 二灰碎石(配合比为石灰:粉煤灰:碎石=6:12:82)+20cm12%灰土,节点大样如下图所示。已知:设计规定 SUP 沥青混合料使用 AH-70 石油沥青,其他使用乳化沥青;招标文献规定为:灰土使用商品料,下面层沥青完毕后招标人虽然用该道路工程,两个月后再实行上面层;路基及绿化带土方不考虑。试计算该道路工程计价表工程量及清单工程量并编制分部分项工程量清单。工程量计算表得 分评卷人分部分项工程量清单与计价表序号子目名称计算公式单位数量序号项目编码项目名称项目特征计量单位工程数量三、(本题 30 分)某一雨水工程长 360m,管道采用直径为 DN1000 钢筋砼Ⅱ级管(2 米一节),基础采用省标图集 180°C15 砼基础。管道接口采用钢丝网水泥砂浆接口。设计采用 φ1500mm 雨水检查井(流槽式),检查井共 9 座,平均布置(工程起点及终点处均设有检查井),检查井所占空间体积按 10.5m3/座,检查井最大水平投影面积为 4 m2/座,一座井位加宽部分的挖方面积为 1 m2。已知:沟槽平均深度 3.2m,沟槽用原挖出的素土回填至原地面标高。设井字支撑下挖土(木挡土板、木支撑)。沟槽挖土采用 1 m3反铲挖掘机挖三类土方(不装车,无人工辅助开挖),挖、填土方不计场内运送费用,沟槽采用机械回填,余方弃运按 1 m3反铲挖掘机装车、8 吨自卸汽车运 3KM 考虑,。① 计算本工程的土方和管道的清单工程量及计价工程量;② 参照《江苏省市政工程计价表》(人工、材...

1、当您付费下载文档后,您只拥有了使用权限,并不意味着购买了版权,文档只能用于自身使用,不得用于其他商业用途(如 [转卖]进行直接盈利或[编辑后售卖]进行间接盈利)。
2、本站所有内容均由合作方或网友上传,本站不对文档的完整性、权威性及其观点立场正确性做任何保证或承诺!文档内容仅供研究参考,付费前请自行鉴别。
3、如文档内容存在违规,或者侵犯商业秘密、侵犯著作权等,请点击“违规举报”。

碎片内容

2025年江西省造价员考试试题

您可能关注的文档

确认删除?
VIP
微信客服
  • 扫码咨询
会员Q群
  • 会员专属群点击这里加入QQ群
客服邮箱
回到顶部