电脑桌面
添加小米粒文库到电脑桌面
安装后可以在桌面快捷访问

2025年浙江省高校招生职业技能理论考试电子与电工类试卷参考答案VIP专享

2025年浙江省高校招生职业技能理论考试电子与电工类试卷参考答案_第1页
1/7
2025年浙江省高校招生职业技能理论考试电子与电工类试卷参考答案_第2页
2/7
2025年浙江省高校招生职业技能理论考试电子与电工类试卷参考答案_第3页
3/7
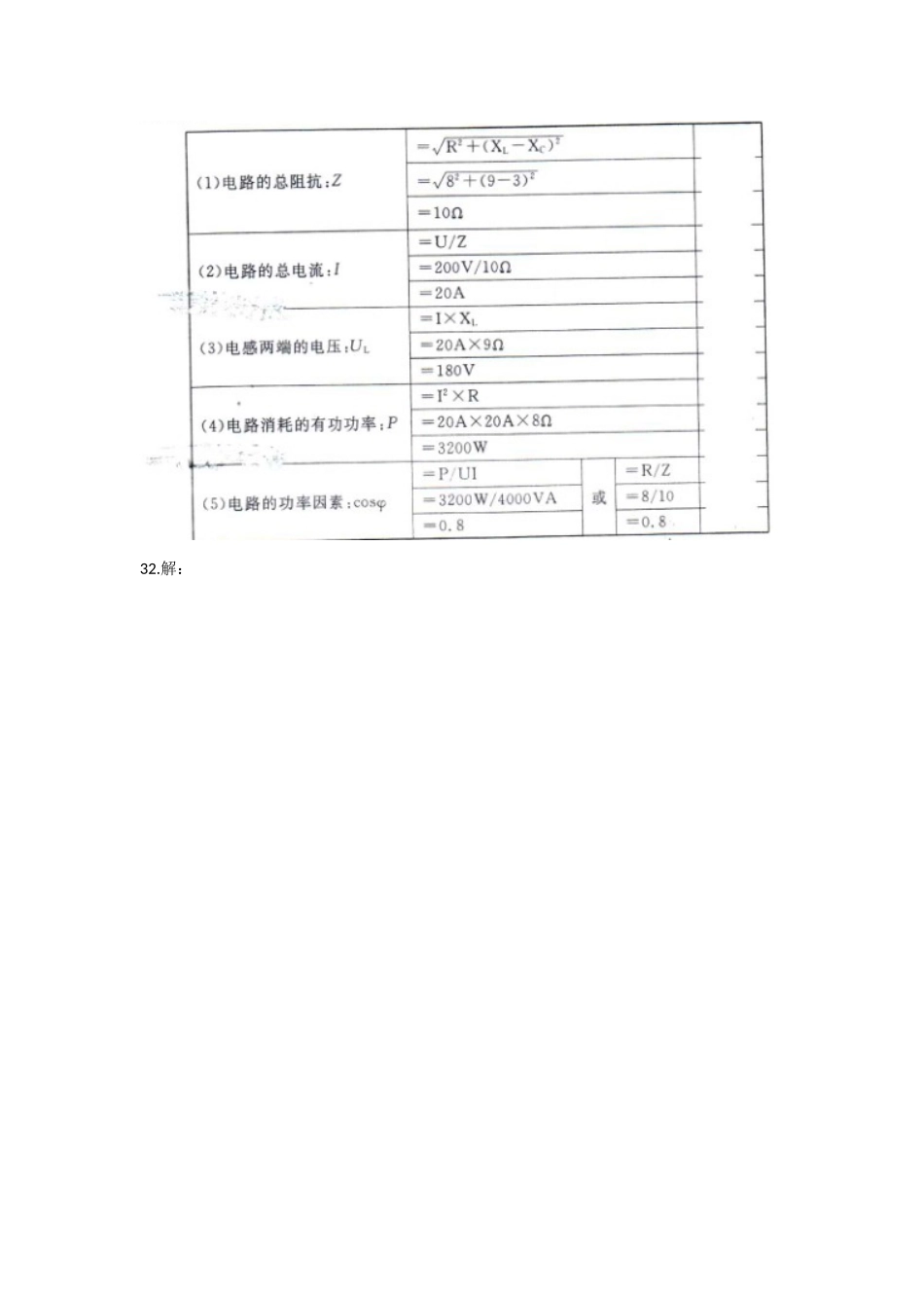
4 月浙江省高校招生职业技能理论考试电子与电工类试卷参照答案第一部分 基础理论(必做题,满分 90 分)一、单项选择题(本大题共 20 小题,每题 2 分,共 40 分)序号12345678910答案CDBABACDDB序号11121314151617181920答案CDABABCDCA二、填空题(本大题共 10 小题,每题 2 分,共 20 分)21. 25 22.2 23. 可以 24.25.1732;或 1000 26.上 27.18.5 28.229.34 30.饱和 三、综合题(本大题共 2 小题,每题 15 分,共 30 分)31.解:(1)电路旳总阻抗:Z= 32.解:第二部分 专业理论(A、B 限做一项,满分 60 分)A.电子元器件、数字电路(电子类)四、单项选择题(本大题共 10 小题,每题 3 分,共 30 分)序号33343536373839404142答案CBDABCBACD五、填空题(本大题共 5 小题,每题 3 分,共 15 分)43. 发射;或 e 44. 集电极最大(容许)电流 45. 1000 0111 46. 49 47. 1011011 六、综合题(本大题 1 小题,共 15 分)48.解:(1) (2)状态表(3)波形图CPQ3Q2Q1Q000000100012001030011401005010160110701118100091001100000(4)0100…………B 电工基础、工厂电气控制设备(电工类考生做,满分 60 分)四、单项选择题(本大题共 10 小题,每题 3 分,共 30 分)序号33343536373839404142答案ACBDDCABCA五、填空题(本大题共 5 小题,每题 3 分,共 15 分)43. 阻抗 44. 旋转磁场 45. 34.6 或 2046. 点动控制;或点动运行 47. 反接 六、综合题(本大题共 1 题,共 15 分)48.解: (1 )卧式(2 ) SA3(3 )YC1(4 )KM4(5 )FU6(6 )M1(7 )M2 到 M1;或同步停车(8 )YC3(9 )中间位置;或零位(10 )QS2(11 )两地控制器;或异地控制(12 )工作台向上、向后运动部分旳控制电路图(或按次序写出有关控制回路旳电路标号) 电路图: 电路标号:10-19-20-15-16-21-22-12-3-2-1-0 至少包括:10-19--20-15-16-21-22(13)工作台进给变速冲动部分旳控制电路图(或按次序写出有关控制回路旳电路标号)电路图: 电路标号:10-19-20-15-14-13-17-18-12-3-2-1-0 至少包括:10-19--20-15-14-13-17-18

1、当您付费下载文档后,您只拥有了使用权限,并不意味着购买了版权,文档只能用于自身使用,不得用于其他商业用途(如 [转卖]进行直接盈利或[编辑后售卖]进行间接盈利)。
2、本站所有内容均由合作方或网友上传,本站不对文档的完整性、权威性及其观点立场正确性做任何保证或承诺!文档内容仅供研究参考,付费前请自行鉴别。
3、如文档内容存在违规,或者侵犯商业秘密、侵犯著作权等,请点击“违规举报”。

碎片内容

2025年浙江省高校招生职业技能理论考试电子与电工类试卷参考答案

您可能关注的文档

确认删除?
VIP
微信客服
  • 扫码咨询
会员Q群
  • 会员专属群点击这里加入QQ群
客服邮箱
回到顶部