电脑桌面
添加小米粒文库到电脑桌面
安装后可以在桌面快捷访问

XX公司品质管理程序书——合约审查

XX公司品质管理程序书——合约审查_第1页
1/9
XX公司品质管理程序书——合约审查_第2页
2/9
XX公司品质管理程序书——合约审查_第3页
3/9
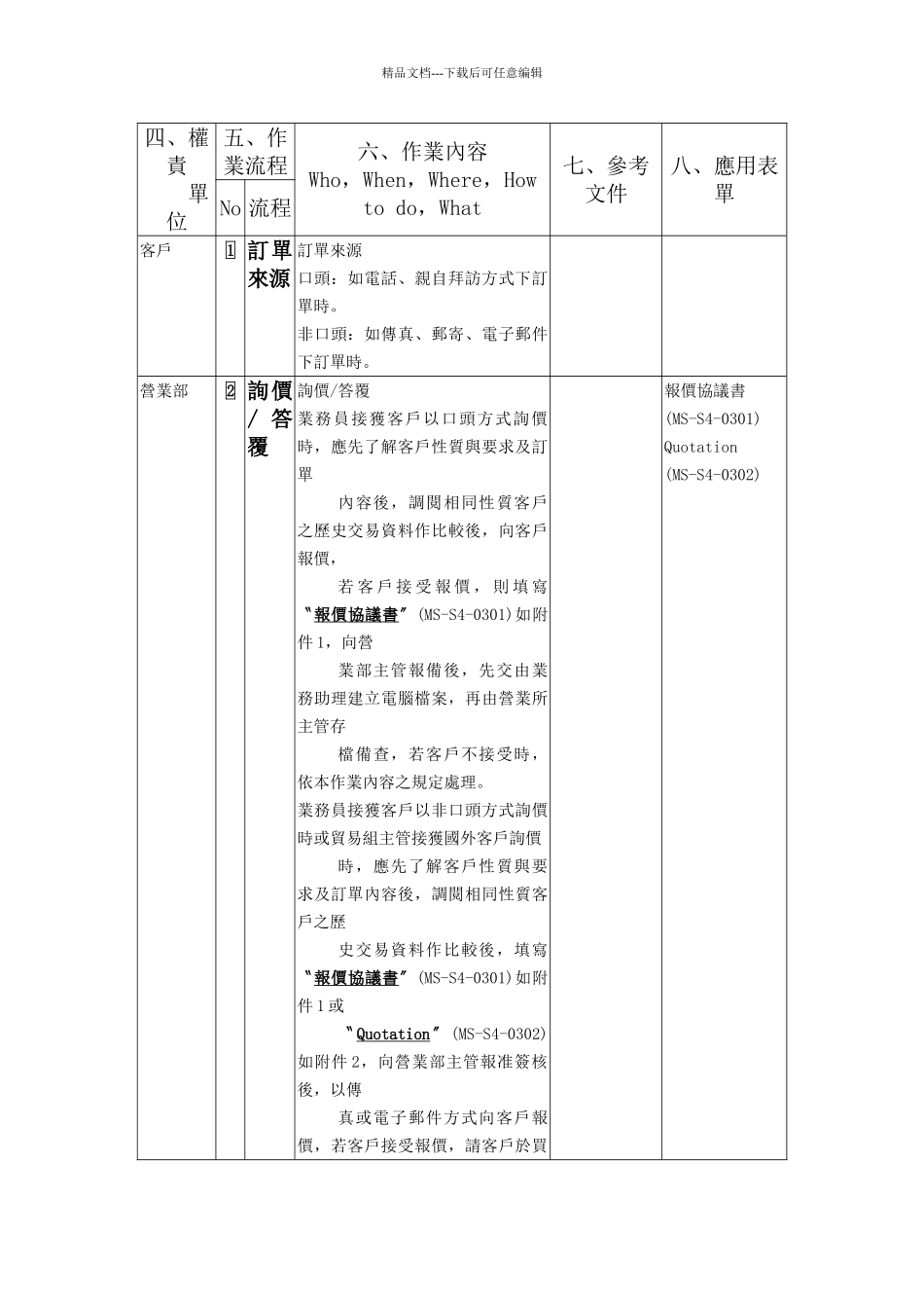
精品文档---下载后可任意编辑名翔恿線股份有限公司合約審查管理程序書文件編號MS-S3-0301制訂日期:89 年11 月 1 日修訂日期:89年 12 月 1 日版次:版頁 次第 1 頁共 6頁一、目的確保合約簽訂之合理性、安全性與適用性,以確保公司與客戶之權益。二、範圍本公司對外銷售之產品適用之。三、定義1.規格品:本公司色卡上所有顏色的成品。2.非規格品:本公司色卡上所沒有之顏色的成品。3.打樣:客戶提供供應品,打樣員需於化驗室調配出相同顏色之色樣,供客戶確認。4. Quotation:報價單。流程圖名翔恿線股份有限公司合約審查管理程序書文件編號MS-S2-0301制訂日期:89 年 11月 1 日修訂日期:89年 12 月 1 日版次:版 頁 次第 2 頁共 6頁訂單來源詢價 / 答覆不異動NY查 詢 / 答覆記錄存查Y無庫存A生產製造打樣排期 / 重排不變更NY入庫/交貨BAB接單 / 取消審核非規格品N有庫存NY精品文档---下载后可任意编辑四、權責單位五、作業流程六、作業內容Who,When,Where,How to do,What七、參考文件八、應用表單No 流程客戶1 訂單來源訂單來源口頭:如電話、親自拜訪方式下訂單時。非口頭:如傳真、郵寄、電子郵件下訂單時。營業部2 詢價/ 答覆詢價/答覆業務員接獲客戶以口頭方式詢價時,應先了解客戶性質與要求及訂單內容後,調閱相同性質客戶之歷史交易資料作比較後,向客戶報價,若 客 戶 接 受 報 價 , 則 填 寫〝報價協議書〞(MS-S4-0301)如附件 1,向營業部主管報備後,先交由業務助理建立電腦檔案,再由營業所主管存檔備查,若客戶不接受時,依本作業內容之規定處理。業務員接獲客戶以非口頭方式詢價時或貿易組主管接獲國外客戶詢價時,應先了解客戶性質與要求及訂單內容後,調閱相同性質客戶之歷史交易資料作比較後,填寫〝報價協議書〞(MS-S4-0301)如附件 1 或〝Quotation〞(MS-S4-0302)如附件 2,向營業部主管報准簽核後,以傳真或電子郵件方式向客戶報價,若客戶接受報價,請客戶於買報價協議書(MS-S4-0301)Quotation(MS-S4-0302)精品文档---下载后可任意编辑方代表欄簽名後,以傳真或電子郵件方式回傳後,先交由業務助理建立電腦檔案,再由營業所主管或貿易組主管存檔備查。業務員遇以下狀況,無法直接報價時,須先以口頭方式向營業部主管報 備 獲 准 後 , 方 可 答 覆 客戶,並填寫〝報價協議書〞(MS-S4-0301)如附件 1,向營業部主管報備後,先交由業務助理建立電腦檔...

1、当您付费下载文档后,您只拥有了使用权限,并不意味着购买了版权,文档只能用于自身使用,不得用于其他商业用途(如 [转卖]进行直接盈利或[编辑后售卖]进行间接盈利)。
2、本站所有内容均由合作方或网友上传,本站不对文档的完整性、权威性及其观点立场正确性做任何保证或承诺!文档内容仅供研究参考,付费前请自行鉴别。
3、如文档内容存在违规,或者侵犯商业秘密、侵犯著作权等,请点击“违规举报”。

碎片内容

XX公司品质管理程序书——合约审查

一帆文传+ 关注
实名认证
内容提供者

欢迎光临店铺,各类公文供您挑选。

确认删除?
VIP
微信客服
  • 扫码咨询
会员Q群
  • 会员专属群点击这里加入QQ群
客服邮箱
回到顶部