电脑桌面
添加小米粒文库到电脑桌面
安装后可以在桌面快捷访问

心电图机检定记录

心电图机检定记录_第1页
1/6
心电图机检定记录_第2页
2/6
心电图机检定记录_第3页
3/6
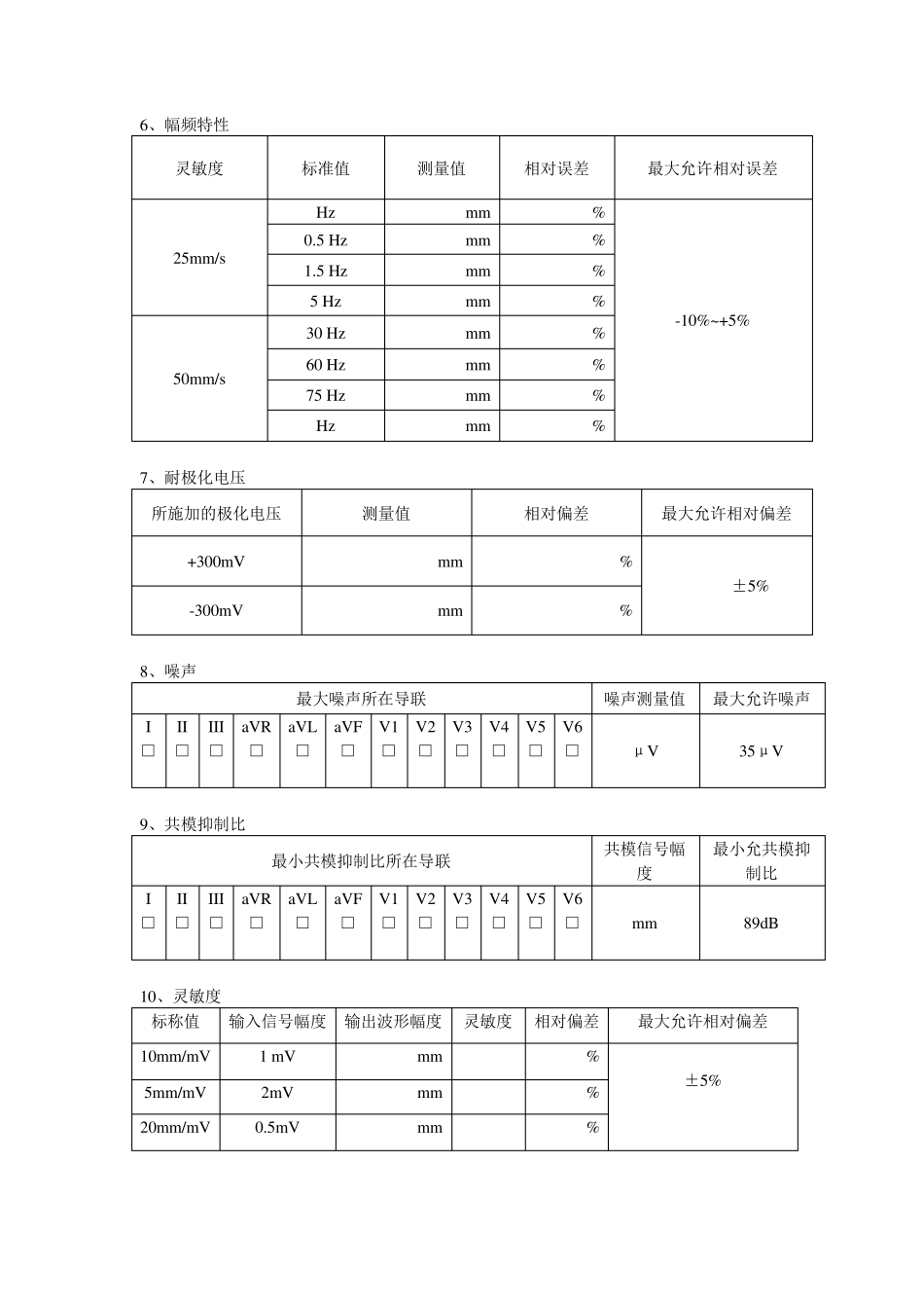
心电图机检定记录 检定日期________年_______月_______日 原始记录号____________ 检定证书号______________________________________________________ 送检单位 仪器编号 仪器型号 制造厂 被检仪器类型 □单通道心电图机 □多通道心电图机 □首次检定 □后续检定 使用主要标准器 仪器名称 仪器编号 仪器型号 有效期至 年 月 日 年 月 日 检定所依据文件 JJG 543-2008《心电图机》 检定结论 检定时室内温度 ℃ 检定员: 核验员: 检定时室内湿度 %RH 检定时供电电压 V 1、外观和工作正常性检查 检定结果 □合格 □不合格 备注 2、定标电压(内部幅度校准器) 标称值 测量值 相对偏差 最大允许相对偏差 1m V m V % ±5% 3、电压测量 灵敏度 标准值 测量值 相对误差 最大允许相对误差 10mm/mV 0.2mV mm % 15% 1mV mm % 11% 2mV mm % 10% 5mm/mV 0.4mV mm % 12% 2mV mm % 10% 4mV mm % 10% 20 mm/mV 0.1mV mm % 20% 0.5mV mm % 12% 1mV mm % 11% 4、时间间隔 灵敏度 标准值 测量值 相对误差 最大允许相对误差 25mm/s 3.84s mm % 10% 1.92s mm % 10% 0.96s mm % 11% 0.48s mm % 11% 50mm/s 0.48s mm % 11% 0.24s mm % 12% 0.12s mm % 18% 0.06s mm % 20% 5、时标 标称值 测量值 相对偏差 最大允许相对偏差 s s % ±5% 6、幅频特性 灵敏度 标准值 测量值 相对误差 最大允许相对误差 25mm/s Hz mm % -10%~+5% 0.5 Hz mm % 1.5 Hz mm % 5 Hz mm % 50mm/s 30 Hz mm % 60 Hz mm % 75 Hz mm % Hz mm % 7、耐极化电压 所施加的极化电压 测量值 相对偏差 最大允许相对偏差 +300mV mm % ±5% -300mV mm % 8、噪声 最大噪声所在导联 噪声测量值 最大允许噪声 I □ II□ III□ aVR□ aVL□ aVF□ V1□ V2□ V3 □ V4□ V5□ V6□ μV 35μV 9、共模抑制比 最小共模抑制比所在导联 共模信号幅度 最小允共模抑制比 I □ II□ III□ aVR□ aVL□ aVF□ V1□ V2□ V3 □ V4□ V5□ V6□ mm 89dB 10、灵敏度 标称值 输入信号幅度 输出波形幅度 灵敏度 相对偏差 最大允许相对偏差 10mm/mV 1 mV mm % ±5% 5mm/mV 2mV mm % 20mm/mV 0.5mV mm % 11、记录速度 标称值 10 个连续输入信号周期的...

1、当您付费下载文档后,您只拥有了使用权限,并不意味着购买了版权,文档只能用于自身使用,不得用于其他商业用途(如 [转卖]进行直接盈利或[编辑后售卖]进行间接盈利)。
2、本站所有内容均由合作方或网友上传,本站不对文档的完整性、权威性及其观点立场正确性做任何保证或承诺!文档内容仅供研究参考,付费前请自行鉴别。
3、如文档内容存在违规,或者侵犯商业秘密、侵犯著作权等,请点击“违规举报”。

碎片内容

心电图机检定记录

您可能关注的文档

确认删除?
VIP
微信客服
  • 扫码咨询
会员Q群
  • 会员专属群点击这里加入QQ群
客服邮箱
回到顶部