电脑桌面
添加小米粒文库到电脑桌面
安装后可以在桌面快捷访问

二级减速器课程设计说明书

二级减速器课程设计说明书_第1页
1/22
二级减速器课程设计说明书_第2页
2/22
二级减速器课程设计说明书_第3页
3/22
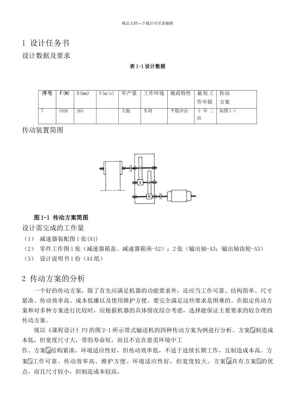
精品文档---下载后可任意编辑1 设计任务书设计数据及要求表 1-1 设计数据传动装置简图图 1-1 传动方案简图设计需完成的工作量(1) 减速器装配图 1 张(A1)(2) 零件工作图 1 张(减速器箱盖、减速器箱座-A2);2 张(输出轴-A3;输出轴齿轮-A3)(3) 设计说明书 1 份(A4 纸)2 传动方案的分析一个好的传动方案,除了首先应满足机器的功能要求外,还应当工作可靠、结构简单、尺寸紧凑、传动效率高、成本低廉以及使用维护方便。要完全满足这些要求是困难的。在拟定传动方案和对多种方案进行比较时,应根据机器的具体情况综合考虑,选择能保证主要要求的较合理的传动方案。现以《课程设计》P3 的图 2-1 所示带式输送机的四种传动方案为例进行分析。方案制造成本低,但宽度尺寸大,带的寿命短,而且不宜在恶劣环境中工作。方案结构紧凑,环境适应性好,但传动效率低,不适于连续长期工作,且制造成本高。方案工作可靠、传动效率高、维护方便、环境适应性好,但宽度较大。方案具有方案的优点,而且尺寸较小,但制造成本较高。序号F(N)D(mm)V(m/s)年产量工作环境载荷特性最短工作年限传动方案71920265大批车间平稳冲击十 年 二班如图 1-1精品文档---下载后可任意编辑上诉四种方案各有特点,应当根据带式输送机具体工作条件和要求选定。若该设备是在一般环境中连续工作,对结构尺寸也无特别要求,则方案均为可选方案。对于方案若将电动机布置在减速器另一侧,其宽度尺寸得以缩小。故选 方案,并将其电动机布置在减速器另一侧。3 电动机的选择电动机类型和结构型式工业上一般用三相沟通电动机,无特别要求一般选用三相沟通异步电动机。最常用的电动机是 Y 系列笼型三相异步沟通电动机。其效率高、工作可靠、结构简单、维护方便、价格低,适用于不易燃、不易爆,无腐蚀性气体和无特别要求的场合。此处根据用途选用 Y 系列三相异步电动机选择电动机容量3.2.1 工作机所需功率卷筒 3 轴所需功率: == 卷筒轴转速: 3.2.2 电动机的输出功率考虑传动装置的功率耗损,电动机输出功率为传动装置的总效率: 取 所以所以 3.2.3 确定电动机额定功率根据计算出的功率可选定电动机的额定功率。应使等于或稍大于。查《机械设计课程设计》表 20-1 得精品文档---下载后可任意编辑选择电动机的转速由《机械设计课程设计》表 2-1 圆柱齿轮传动的单级传动比为,故圆柱齿轮传动的二级传动比为,所以电动机转速可选范围为电动机...

1、当您付费下载文档后,您只拥有了使用权限,并不意味着购买了版权,文档只能用于自身使用,不得用于其他商业用途(如 [转卖]进行直接盈利或[编辑后售卖]进行间接盈利)。
2、本站所有内容均由合作方或网友上传,本站不对文档的完整性、权威性及其观点立场正确性做任何保证或承诺!文档内容仅供研究参考,付费前请自行鉴别。
3、如文档内容存在违规,或者侵犯商业秘密、侵犯著作权等,请点击“违规举报”。

碎片内容

二级减速器课程设计说明书

确认删除?
VIP
微信客服
  • 扫码咨询
会员Q群
  • 会员专属群点击这里加入QQ群
客服邮箱
回到顶部