电脑桌面
添加小米粒文库到电脑桌面
安装后可以在桌面快捷访问

产品可靠性测试规范

产品可靠性测试规范_第1页
1/3
产品可靠性测试规范_第2页
2/3
产品可靠性测试规范_第3页
3/3
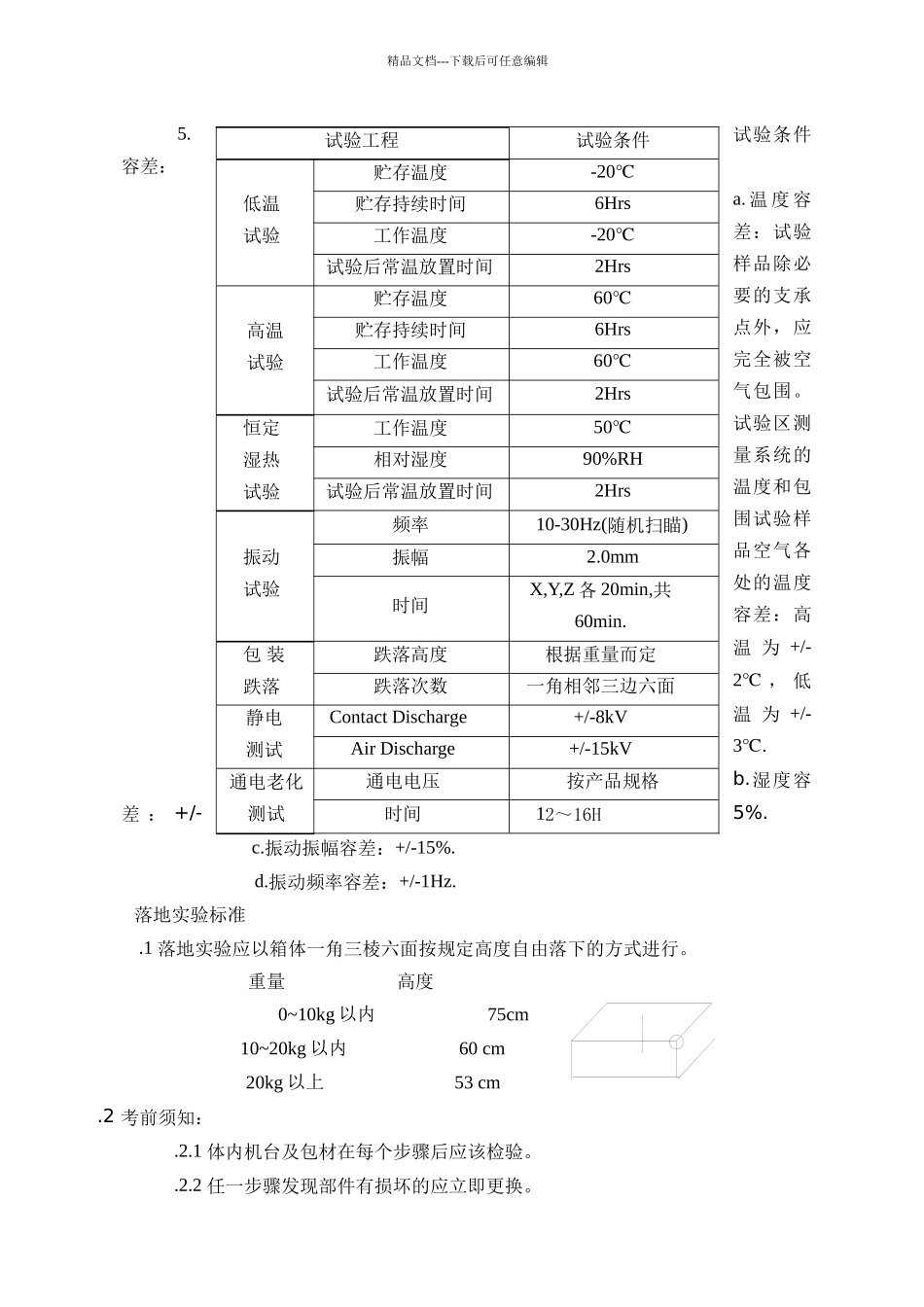
精品文档---下载后可任意编辑产品可靠性测试标准1.目的 本文制定产品可靠性测试的要求和方法,确保产品符合可靠性测试要求。2. 范围 本文件适用于此 CPIT 所生产的所有产品。 3. 定义 N/A4. 职责 5.1 品控部 QC/QA 人员负责本文件所规定的通讯产品的可靠性测试内容要求在检查过程中的实施. 5.2 品控部经理或其授权人负责本文件所规定的内容与实际情况相符并正确,并监督品控部 QC/QA 人员对本文件的实施.5. 内容5.1 实验顺序 除非特别要求,试验样品进行试验时,一般按下表的顺序进行:试验顺序试验工程1低温试验2高温试验3自由跌落试验4振动试验5恒定湿热试验6静电测试7距离测试8通电老化测试5.2 实验条件及容差: 实验条件:精品文档---下载后可任意编辑5. 试验条件容差: a. 温 度 容差:试验样品除必要的支承点外,应完全被空气包围。试验区测量系统的温度和包围试验样品空气各处的温度容差:高温 为 +/-2℃ , 低温 为 +/-3.℃b.湿度容差 : +/-5%.c.振动振幅容差:+/-15%.d.振动频率容差:+/-1Hz. 落地实验标准 .1 落地实验应以箱体一角三棱六面按规定高度自由落下的方式进行。 重量 高度0~10kg 以内 75cm10~20kg 以内 60 cm20kg 以上 53 cm.2 考前须知: .2.1 体内机台及包材在每个步骤后应该检验。 .2.2 任一步骤发现部件有损坏的应立即更换。试验工程试验条件低温试验贮存温度-20℃贮存持续时间6Hrs工作温度-20℃试验后常温放置时间2Hrs高温试验贮存温度60℃贮存持续时间6Hrs工作温度60℃试验后常温放置时间2Hrs恒定湿热试验工作温度50℃相对湿度90%RH试验后常温放置时间2Hrs振动试验频率10-30Hz(随机扫瞄)振幅2.0mm时间X,Y,Z 各 20min,共60min.包 装跌落跌落高度根据重量而定跌落次数一角相邻三边六面静电测试Contact Discharge+/-8kVAir Discharge+/-15kV通电老化测试通电电压按产品规格时间12~16H精品文档---下载后可任意编辑 .2.3 详细记录。5. 3 样品数量:低温试验5 台高温试验5 台恒定湿热试验5 台裸机/卡塑振动5 台包装振动试验1 卡通包装跌落试验1 卡通静电试验5 台通电老化试验20 台5.4 测试时机: 6 产品处于 PP 时. 6 第一次量产. 当产品的材质,设计等变更时. 生产出现异常时. 新客户需重新进行产品评估时. 6 客户投诉与之相关时. 6.程序6.1 从 QA PASS 的成品机中随机抽取 20 台,重新检查其外观及功能,确保其为合格产品方可进...

1、当您付费下载文档后,您只拥有了使用权限,并不意味着购买了版权,文档只能用于自身使用,不得用于其他商业用途(如 [转卖]进行直接盈利或[编辑后售卖]进行间接盈利)。
2、本站所有内容均由合作方或网友上传,本站不对文档的完整性、权威性及其观点立场正确性做任何保证或承诺!文档内容仅供研究参考,付费前请自行鉴别。
3、如文档内容存在违规,或者侵犯商业秘密、侵犯著作权等,请点击“违规举报”。

碎片内容

产品可靠性测试规范

领读文化+ 关注
实名认证
内容提供者

传播文化,铸就未来

确认删除?
VIP
微信客服
  • 扫码咨询
会员Q群
  • 会员专属群点击这里加入QQ群
客服邮箱
回到顶部