电脑桌面
添加小米粒文库到电脑桌面
安装后可以在桌面快捷访问

2025年城市污水处理厂工程质量验收记录表全套表格资料VIP专享

2025年城市污水处理厂工程质量验收记录表全套表格资料_第1页
1/33
2025年城市污水处理厂工程质量验收记录表全套表格资料_第2页
2/33
2025年城市污水处理厂工程质量验收记录表全套表格资料_第3页
3/33
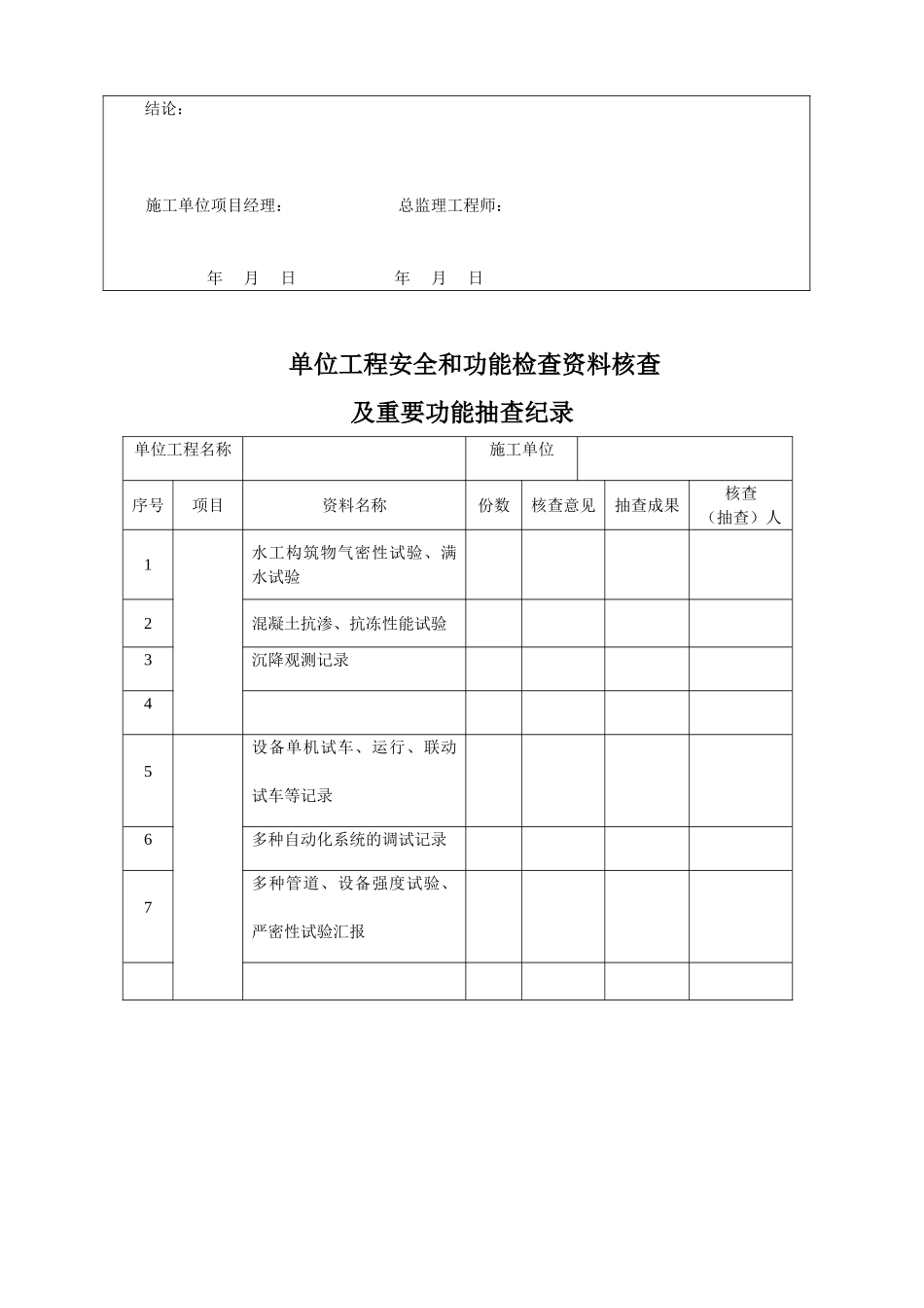
设备安装工程单机或联动试运转记录设备部位图号设备名称型号、规格、台数施工 单位设备所在系统额定数据试验单位负责人试车日期年 月 日序号试验项目试验记录试验结论123建设单位监理单位管理单位设备生产厂家总包单位安装单位(签字)(盖章)(签字)(盖章)(签字)(盖章)(签字)(盖章)(签字)(盖章)施工负责人质检员施工员(签字)(盖章)(签字)(盖章)(签字)(盖章)注:该表一式三份,其中施工单位一份,管理单位一份,建设单位一份立案单位工程质量控制资料核查记录单位工程名称施工单位序号项目资 料 名 称份数核查意见核查人1构筑工程(各种池体和建筑物)图纸会审、设计变更、洽商记录2工程定位测量、放线记录、测量复核记录3原材料出厂合格证明文献及复试汇报4施工试验汇报及见证取样检测5隐蔽工程验收记录6施工记录7混凝土抗压强度、抗渗性能试验记录8预制构件、商品混凝土合格证9地基与基础检测资料10分项、分部、单位工程质量检查记录11工程质量事故及工艺施工记录12新材料、新工艺施工记录13防水材料质量证明文献及复试汇报14水工构筑物气密性试验、满水试验等15安装工程(设备安装、管道、电器等) 图纸会审、设计变更、洽商记录16设备、构配件出厂质量证明文献和复试汇报17多种管道、设备强度试验、严密性试验记录18隐蔽工程验收记录19管道系统清洗、通水试验记录20施工记录21设备单机试车、运行、联动试车记录22电器装置出厂质量证明文献23自动化仪表出厂质量证明文献24自动化检测、调整等系统的调试记录25分项、分部、单位工程质量检查记录26测量资料结论:施工单位项目经理: 总监理工程师: 年 月 日 年 月 日单位工程安全和功能检查资料核查及重要功能抽查纪录单位工程名称施工单位序号项目资料名称份数核查意见抽查成果核查(抽查)人1水工构筑物气密性试验、满水试验2混凝土抗渗、抗冻性能试验3沉降观测记录45设备单机试车、运行、联动试车等记录6多种自动化系统的调试记录7多种管道、设备强度试验、严密性试验汇报 结论: 施工单位项目经理: 总监理工程师: 年 月 日 年 月 日注:抽查项目由验收组协商确定单位工程外观质量检查记录单位工程名称施工单位序号项目抽查质量状况质量评价好一般差1构筑物工程混凝土构造表面(整体线型、平整、色泽、裂缝等)2设备与土建相连接表面(平整、间隙均匀)3构造的踏步、护栏4走道板砂浆抹面表面56安装工程设备与其他构配件连接(牢固、可靠...

1、当您付费下载文档后,您只拥有了使用权限,并不意味着购买了版权,文档只能用于自身使用,不得用于其他商业用途(如 [转卖]进行直接盈利或[编辑后售卖]进行间接盈利)。
2、本站所有内容均由合作方或网友上传,本站不对文档的完整性、权威性及其观点立场正确性做任何保证或承诺!文档内容仅供研究参考,付费前请自行鉴别。
3、如文档内容存在违规,或者侵犯商业秘密、侵犯著作权等,请点击“违规举报”。

碎片内容

2025年城市污水处理厂工程质量验收记录表全套表格资料

您可能关注的文档

确认删除?
VIP
微信客服
  • 扫码咨询
会员Q群
  • 会员专属群点击这里加入QQ群
客服邮箱
回到顶部