电脑桌面
添加小米粒文库到电脑桌面
安装后可以在桌面快捷访问

房屋建筑学作图题VIP专享

房屋建筑学作图题_第1页
1/7
房屋建筑学作图题_第2页
2/7
房屋建筑学作图题_第3页
3/7
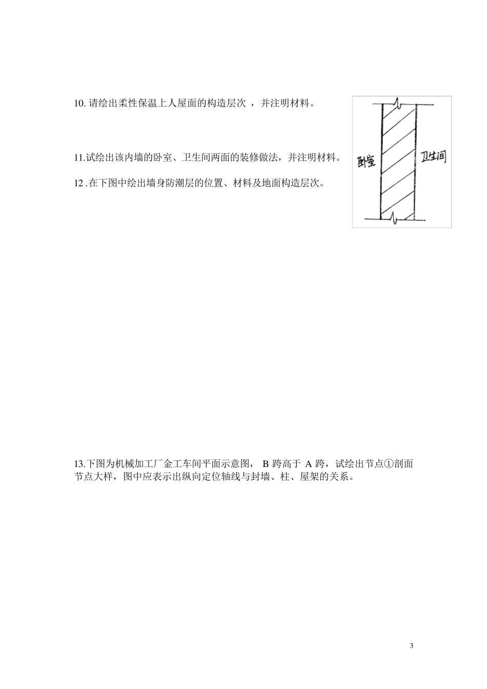
1 作图题 1. 已知某三层建筑层高为3.6 米,在图中标出层高、净高及各层标高。 2. 绘图表示墙身防潮层的位置,并注明标高。 3. 图中圈梁被窗洞口截断,请在图中画出附加圈梁并标注相关尺寸 洞口圈梁 混凝土混凝土 2 4. 画出屋面变形缝处的一种泛水构造。 5. 绘图说明散水的做法。注明材料层次和必要尺寸(散水宽度及坡度)。 6、画图说明建筑体型组合中各体量之间的连接方式。 7、使用功能的合理是建筑设计的主要原则之一,请把学校建筑的下述几个部分绘成功能关系图。 (l) 普通教室(2)专用教室 (3)行政 (4)教师办公 (5)运动场地 (6)健身房 (7)学生宿舍 (8)食堂 8. 已知某装配式单层厂房为一跨(跨度为18m),柱距6m(5 个),采用柱子承重(柱截面400×800mm),抗风柱(400×600mm)间距6m,墙外平,可采用封闭结合,试按上述条件绘制该厂房的平面图。要求布置定位轴线,承重柱、抗风柱、外围护墙(不画门窗),并进行轴网尺寸标注。 9 . 某住宅层高2 .8 0 0 ,采用现浇板式双跑楼梯 ,1 8 级 踏 步 ,请绘出1 -1 剖 面,绘至 标高3 .3 0 0 处,并注明休 息 平台 宽度,梯 段 宽度,梯 井 宽度。踏 步 高、宽。 (栏 杆 不用画) 3 10. 请绘出柔性保温上人屋面的构造层次 ,并注明材料。 11.试绘出该内墙的卧室、卫生间两面的装修做法,并注明材料。 12 .在下图中绘出墙身防潮层的位置、材料及地面构造层次。 13.下图为机械加工厂金工车间平面示意图,B 跨高于A 跨,试绘出节点①剖面节点大样,图中应表示出纵向定位轴线与封墙、柱、屋架的关系。 4 14、图示为某金工装配车间示意图。厂房内采用桥式起重机,A 起重量为20/5t, B 起重量为10t。 1 .在 1 -1 剖面中绘出中柱屋架端部示意图及中柱上部封墙位置。 2 .在剖面图中注明纵向定位轴线,并注明必要尺寸。 5 二级保温上人屋面: 卫生间内墙: 勒脚防潮: 6 厂房节点: 楼梯剖面: B B C 7 厂房平面: 5400 6000 600 6000 2 1 3 A B 6000 6000 6000

1、当您付费下载文档后,您只拥有了使用权限,并不意味着购买了版权,文档只能用于自身使用,不得用于其他商业用途(如 [转卖]进行直接盈利或[编辑后售卖]进行间接盈利)。
2、本站所有内容均由合作方或网友上传,本站不对文档的完整性、权威性及其观点立场正确性做任何保证或承诺!文档内容仅供研究参考,付费前请自行鉴别。
3、如文档内容存在违规,或者侵犯商业秘密、侵犯著作权等,请点击“违规举报”。

碎片内容

房屋建筑学作图题

小辰+ 关注
实名认证
内容提供者

出售各种文档和资料

确认删除?
VIP
微信客服
  • 扫码咨询
会员Q群
  • 会员专属群点击这里加入QQ群
客服邮箱
回到顶部