电脑桌面
添加小米粒文库到电脑桌面
安装后可以在桌面快捷访问

公司重点岗位新工培训流程

公司重点岗位新工培训流程_第1页
1/2
公司重点岗位新工培训流程_第2页
2/2
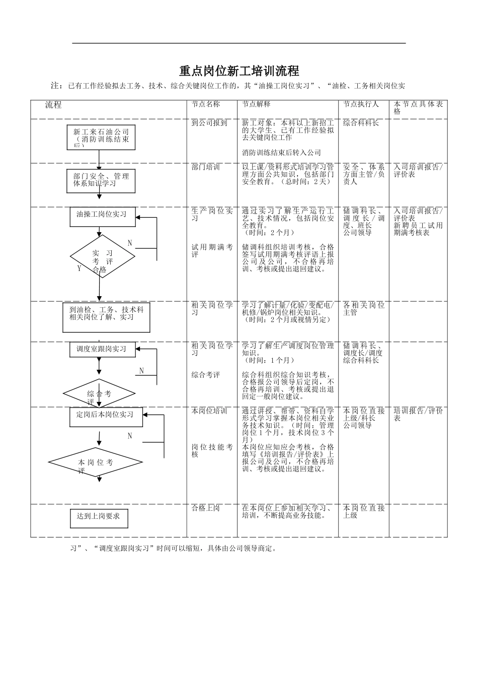
精品文档---下载后可任意编辑重点岗位新工培训流程注:已有工作经验拟去工务、技术、综合关键岗位工作的,其“油操工岗位实习”、“油检、工务相关岗位实习”、“调度室跟岗实习”时间可以缩短,具体由公司领导商定。 流程 节点名称节点解释节点执行人本 节 点 具 体 表格 到公司报到新工对象:本科以上新招工的大学生、已有工作经验拟去关键岗位工作消防训练结束后转入公司综合科科长 部门培训以上课/资料形式培训学习管理方面公共知识,包括部门安全教育。(总时间:2 天)安 全 、 体 系方面主管/负责人入司培训报告/评价表 N Y 生 产 岗 位 实习试 用 期 满 考评通 过 实 习 了 解 生 产 运 行 工艺、技术情况,包括岗位安全教育。(时间:2 个月) 储调科组织培训考核,合格签写试用期满考核评语上报公 司 及 公 司 , 不 合 格 再 培训、考核或提出退回建议。 储 调 科 长 、调 度 长 / 调度、班长公司领导 入司培训报告/评价表新 聘 员 工 试 用期满考核表相 关 岗 位 学习学习了解计量/化验/变配电/机修/锅炉岗位相关知识。(时间:2 个月或视情另定)各 相 关 岗 位主管 N Y相 关 岗 位 学习综合考评学习了解生产调度岗位管理知识。(时间:1 个月)综合科组织综合知识考核,合格报公司领导后定岗,不合格再培训、考核或提出退回定一般岗位建议。储 调 科 长 、调度长/调度综合科科长 N Y 本岗位培训岗 位 技 能 考核通过讲授、帮带、资料自学形式学习掌握本岗位相关业务技术知识。(时间:管理岗位 1 个月,技术岗位 3 个月)本岗位应知应会考核,合格填写《培训报告/评价表》上报公司及公司,不合格再培训、考核或提出退回建议。本 岗 位 直 接上级/科长公司领导培训报告/评价表 合格上岗在本岗位上参加相关学习、培训,不断提高业务技能。本 岗 位 直 接上级 新工来石油公司(消防训练结束后)部门安全、管理体系知识学习达到上岗要求实习考评合格定岗后本岗位实习油操工岗位实习本 岗 位 考评到油检、工务、技术科相关岗位了解、实习调度室跟岗实习综 合 考评

1、当您付费下载文档后,您只拥有了使用权限,并不意味着购买了版权,文档只能用于自身使用,不得用于其他商业用途(如 [转卖]进行直接盈利或[编辑后售卖]进行间接盈利)。
2、本站所有内容均由合作方或网友上传,本站不对文档的完整性、权威性及其观点立场正确性做任何保证或承诺!文档内容仅供研究参考,付费前请自行鉴别。
3、如文档内容存在违规,或者侵犯商业秘密、侵犯著作权等,请点击“违规举报”。

碎片内容

公司重点岗位新工培训流程

确认删除?
VIP
微信客服
  • 扫码咨询
会员Q群
  • 会员专属群点击这里加入QQ群
客服邮箱
回到顶部