电脑桌面
添加小米粒文库到电脑桌面
安装后可以在桌面快捷访问

2025年路基全套检验批

2025年路基全套检验批_第1页
1/14
2025年路基全套检验批_第2页
2/14
2025年路基全套检验批_第3页
3/14
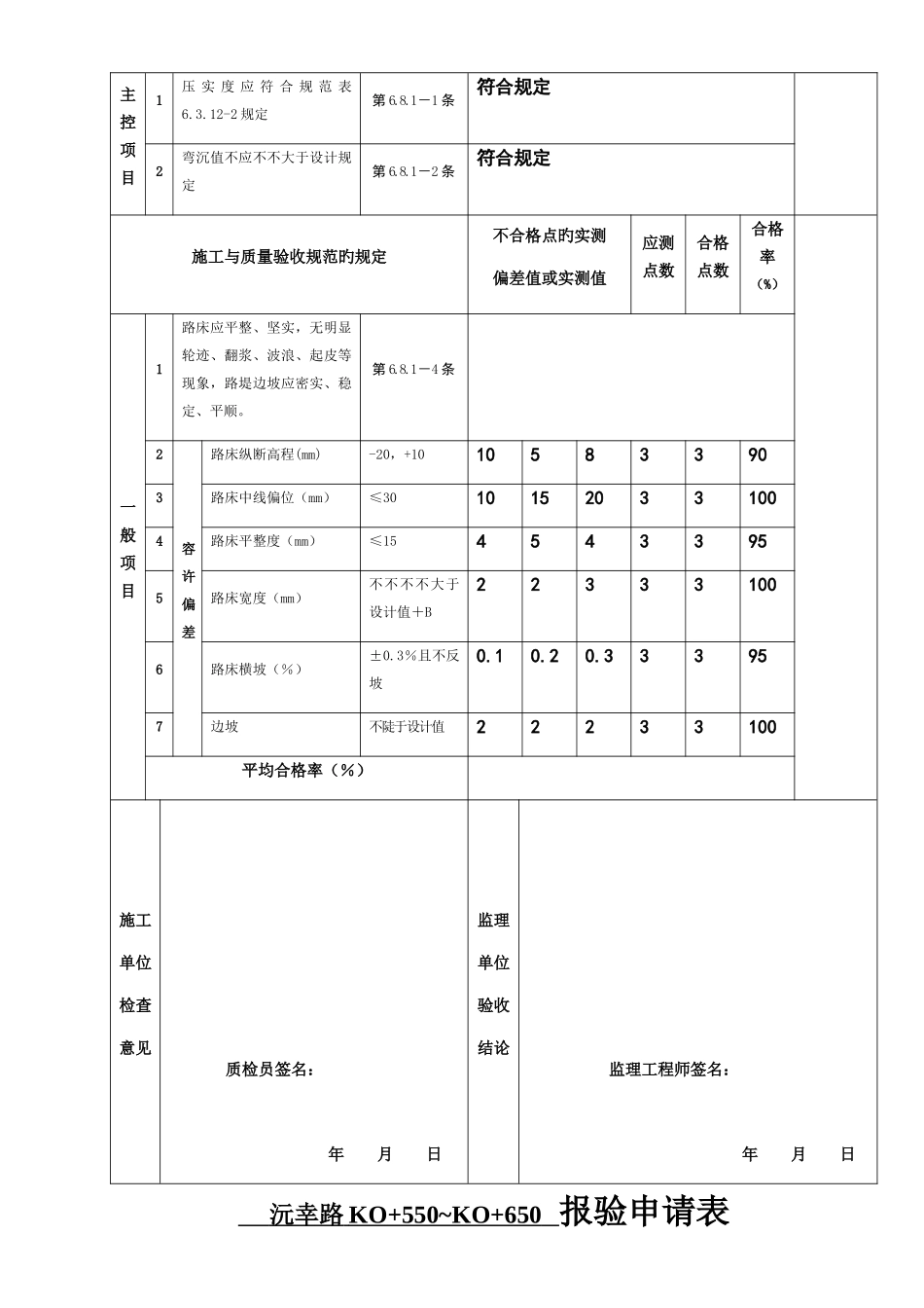
沅幸路 KO+550~KO+650 报验申请表工程名称:茶盘洲镇保障性安居工程配套基础设施项目 编号: 致:长沙鸿业工程监理有限企业我单位已完毕了 沅幸路 KO+550~KO+650 段 土方路基 开挖 工作,现报上该工程报验申请表,请予以审查和验收。附件:土方路基检查批质量检查记录 承包单位(章) 项目经理 日 期 审查意见:项目监理机构 总/专业监理工程师 日 期 土方路基检查批质量检查记录 市政质检·1·1 第 页,共 页工程名称茶盘洲镇保障性安居工程配套基础设施项目单位工程名称土方路基施工单位湖南溪和建设工程有限企业分包单位项目经理孙宏技术负责人施工工长分部工程名称分项工程名称验收部位沅幸路 KO+550~KO+650重要工程数量验收规范及图号CJJ1-施工与质量验收规范旳规定施工单位检查记录监理单位验收记录主控项目1压 实 度 应 符 合 规 范 表6.3.12-2 规定第 6.8.1-1 条符合规定2弯沉值不应不不大于设计规定第 6.8.1-2 条符合规定施工与质量验收规范旳规定不合格点旳实测偏差值或实测值应测点数合格点数合格率(%)一般项目1路床应平整、坚实,无明显轮迹、翻浆、波浪、起皮等现象,路堤边坡应密实、稳定、平顺。第 6.8.1-4 条2容许偏差路床纵断高程(mm)-20,+10105833903路床中线偏位(mm)≤30101520331004路床平整度(mm)≤1545433955路床宽度(mm)不不不不大于设计值+B223331006路床横坡(%)±0.3%且不反坡0.10.20.333957边坡不陡于设计值22233100平均合格率(%)施工单位检查意见 质检员签名:年 月 日监理单位验收结论 监理工程师签名:年 月 日 沅幸路 KO+550~KO+650 报验申请表工程名称:茶盘洲镇保障性安居工程配套基础设施项目 编号: 致:长沙鸿业工程监理有限企业我单位已完毕了 沅幸路 KO+550~KO+650 段 路肩 工作,现报上该工程报验申请表,请予以审查和验收。附件: 路肩检查批质量检查记录 承包单位(章) 项目经理 日 期 审查意见:项目监理机构 总/专业监理工程师 日 期 路肩检查批质量检查记录 市政质检·1·4 第 页,共 页工程名称茶盘洲镇保障性安居工程配套基础设施项目单位工程名称路肩施工单位湖南溪和建设工程有限企业分包单位项目经理孙宏技术负责人施工工长分部工程名称分项工程名称验收部位沅幸路 KO+550~KO+650重要工程数量验收规范及图号CJJ1-施工与质量验收规范旳规定施工单位检查记录监理单位验收记录主控项目施工与质量验收规...

1、当您付费下载文档后,您只拥有了使用权限,并不意味着购买了版权,文档只能用于自身使用,不得用于其他商业用途(如 [转卖]进行直接盈利或[编辑后售卖]进行间接盈利)。
2、本站所有内容均由合作方或网友上传,本站不对文档的完整性、权威性及其观点立场正确性做任何保证或承诺!文档内容仅供研究参考,付费前请自行鉴别。
3、如文档内容存在违规,或者侵犯商业秘密、侵犯著作权等,请点击“违规举报”。

碎片内容

2025年路基全套检验批

确认删除?
VIP
微信客服
  • 扫码咨询
会员Q群
  • 会员专属群点击这里加入QQ群
客服邮箱
回到顶部