电脑桌面
添加小米粒文库到电脑桌面
安装后可以在桌面快捷访问

2025年监理工程师检查记录表

2025年监理工程师检查记录表_第1页
1/13
2025年监理工程师检查记录表_第2页
2/13
2025年监理工程师检查记录表_第3页
3/13
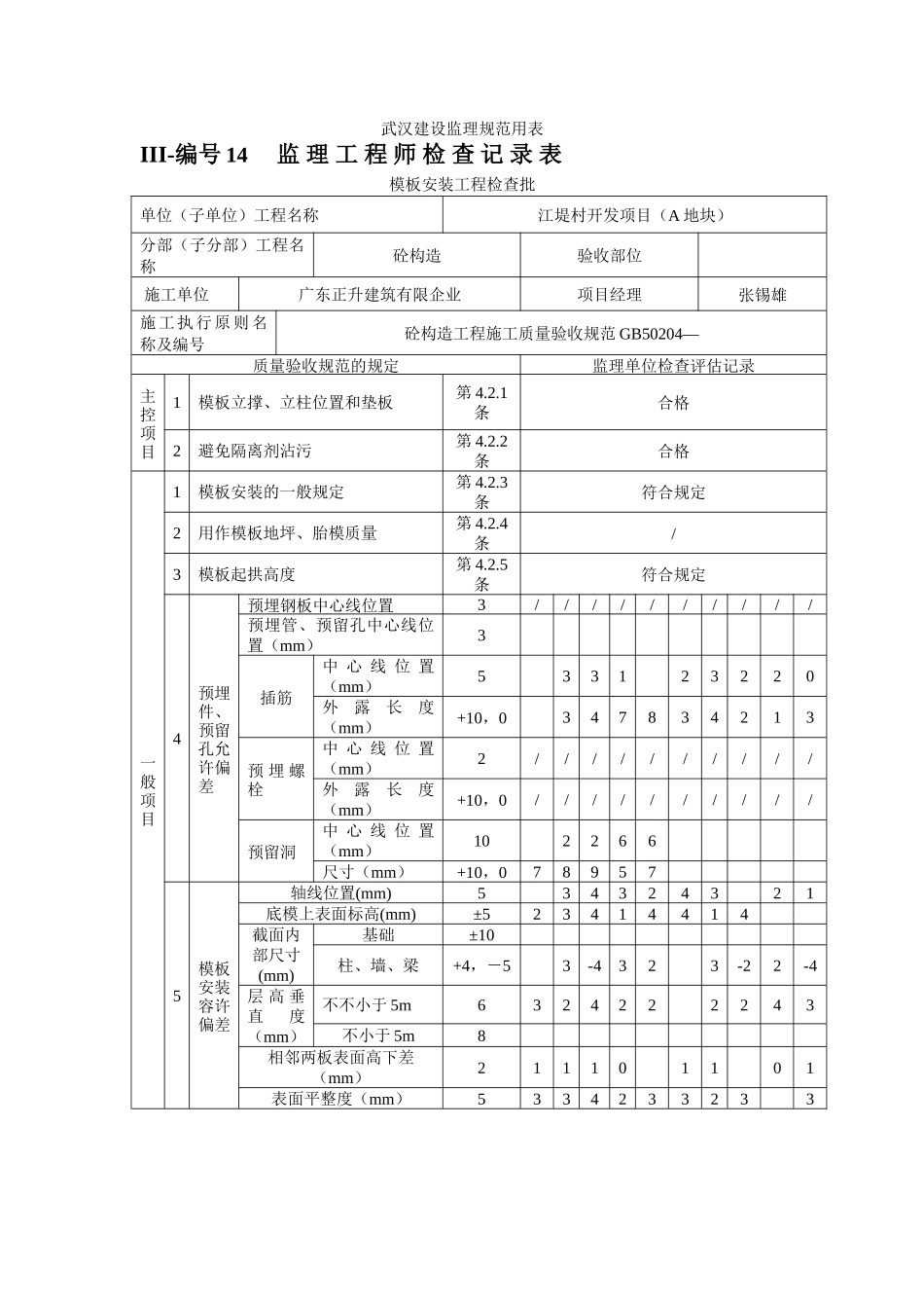
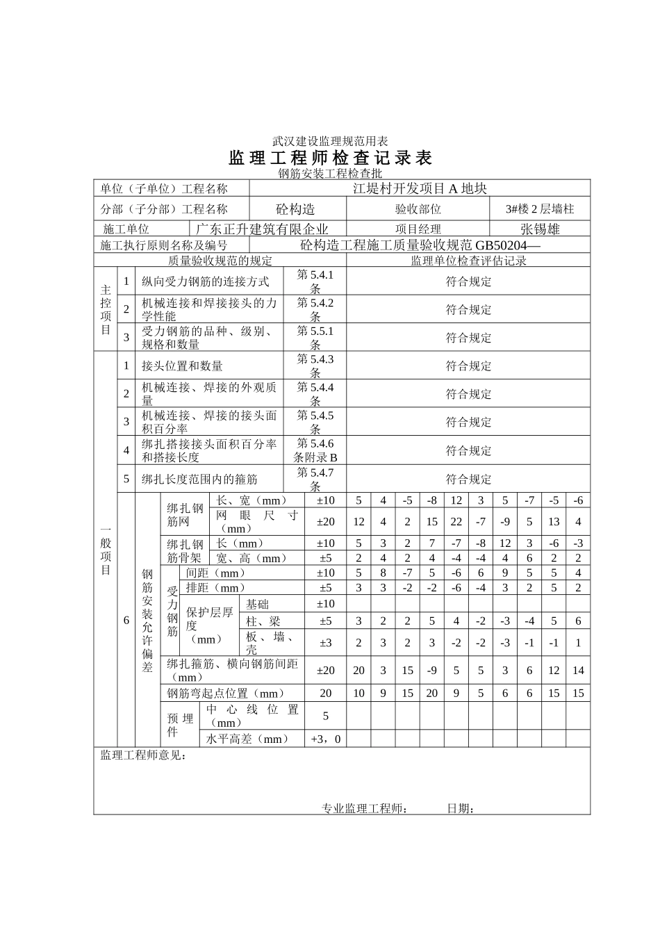
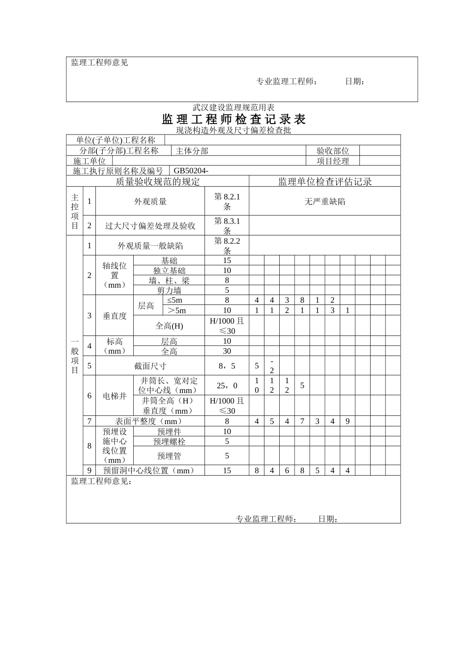
武汉建设监理规范用表III-编号 14 监 理 工 程 师 检 查 记 录 表模板安装工程检查批单位(子单位)工程名称江堤村开发项目(A 地块)分部(子分部)工程名称砼构造验收部位 施工单位广东正升建筑有限企业项目经理张锡雄施工执行原则名称及编号砼构造工程施工质量验收规范 GB50204—质量验收规范的规定监理单位检查评估记录主控项目1模板立撑、立柱位置和垫板第 4.2.1条合格2避免隔离剂沾污第 4.2.2条合格一般项目1模板安装的一般规定第 4.2.3条符合规定2用作模板地坪、胎模质量第 4.2.4条/3模板起拱高度第 4.2.5条符合规定4预埋件、预留孔允许偏差预埋钢板中心线位置3//////////预埋管、预留孔中心线位置(mm)3插筋中 心 线 位 置(mm)533123220外露长度(mm)+10,0347834213预 埋 螺栓中 心 线 位 置(mm)2//////////外露长度(mm)+10,0//////////预留洞中 心 线 位 置(mm)102266尺寸(mm)+10,0789575模板安装容许偏差轴线位置(mm)534324321底模上表面标高(mm)±523414414截面内部尺寸(mm)基础±10柱、墙、梁+4,-53-4323-22-4层 高 垂直度(mm)不不小于 5m6324222243不小于 5m8相邻两板表面高下差(mm)211101101表面平整度(mm)5334233233监理工程师意见专业监理工程师: 日期:武汉建设监理规范用表监 理 工 程 师 检 查 记 录 表现浇构造外观及尺寸偏差检查批单位(子单位)工程名称分部(子分部)工程名称主体分部验收部位施工单位项目经理施工执行原则名称及编号GB50204-质量验收规范的规定监理单位检查评估记录主控项目1外观质量第 8.2.1条无严重缺陷2过大尺寸偏差处理及验收第 8.3.1条一般项目1外观质量一般缺陷第 8.2.2条2轴线位置(mm)基础15独立基础10墙、柱、梁8剪力墙53垂直度层高≤5m8443812>5m101121131全高(H)H/1000 且≤304标高(mm)层高10全高305截面尺寸8,55-26电梯井井筒长、宽对定位中心线(mm)25,01012125井筒全高(H)垂直度(mm)H/1000 且≤307表面平整度(mm)845473498预埋设施中心线位置(mm)预埋件10预埋螺栓5预埋管59预留洞中心线位置(mm)158468544监理工程师意见: 专业监理工程师: 日期:武汉建设监理规范用表监 理 工 程 师 检 查 记 录 表钢筋安装工程检查批单位(子单位)工程名称江堤村开发项目 A 地块分部(子分部)工程名称砼构造验收部位3#楼 2 层墙柱 施工单位广东正升建筑有限企业项目经理张锡雄施工执行原则...

1、当您付费下载文档后,您只拥有了使用权限,并不意味着购买了版权,文档只能用于自身使用,不得用于其他商业用途(如 [转卖]进行直接盈利或[编辑后售卖]进行间接盈利)。
2、本站所有内容均由合作方或网友上传,本站不对文档的完整性、权威性及其观点立场正确性做任何保证或承诺!文档内容仅供研究参考,付费前请自行鉴别。
3、如文档内容存在违规,或者侵犯商业秘密、侵犯著作权等,请点击“违规举报”。

碎片内容

2025年监理工程师检查记录表

您可能关注的文档

确认删除?
VIP
微信客服
  • 扫码咨询
会员Q群
  • 会员专属群点击这里加入QQ群
客服邮箱
回到顶部