电脑桌面
添加小米粒文库到电脑桌面
安装后可以在桌面快捷访问

2025年市政工程技术检验批全套填写范例

2025年市政工程技术检验批全套填写范例_第1页
1/206
2025年市政工程技术检验批全套填写范例_第2页
2/206
2025年市政工程技术检验批全套填写范例_第3页
3/206
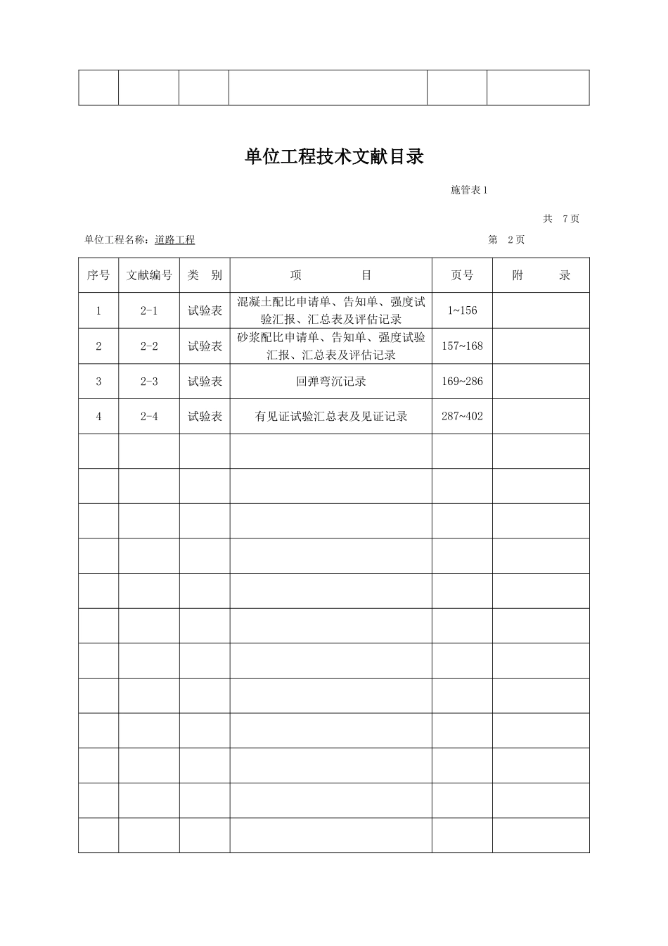
单位工程技术文献目录 施管表 1 共 7 页单位工程名称:道路工程 第 1 页序号文献编号类 别项 目页号附 录11-1施管表××道路工程施工组织设计审批表1 21-2施管表××道路工程施工组织设计2~43 31-3施管表××道路工程设计文献会审记录44~46 41-4施管表施工技术交底记录47~67 51-5施管表设计变更告知单及工程洽商记录68~85 61-6质检表材料、构配件检查记录86~889571-7质检表钢材合格证及检查记录89~144 81-8质检表钢筋接头试验汇报145-~154 91-9质检表水泥合格证及检查记录155~176 101-10质检表砂、石料检查及复试汇报177~182 111-11质检表砖试验汇报183~190 121-12质检表石灰、粉煤灰混合料合格证及强度试验记录191~200 131-13质检表沥青混合料合格证及试验记录201~209 141-14试验表商品混凝土合格证及检查汇报210~219 151-15试验表平石、侧石、人行道板、路面砖、井盖及盖座合格证及检查汇报220~231 单位工程技术文献目录 施管表 1 共 7 页 单位工程名称:道路工程 第 2 页 序号文献编号类 别项 目页号附 录12-1试验表混凝土配比申请单、告知单、强度试验汇报、汇总表及评估记录1~156 22-2试验表砂浆配比申请单、告知单、强度试验汇报、汇总表及评估记录157~168 32-3试验表回弹弯沉记录169~286 42-4试验表有见证试验汇总表及见证记录287~402 单位工程技术文献目录 施管表 1单位工程名称:道路工程 共 7 页 第 3 页序号文献编号类 别项 目页号附 录13-1试验表路基、路床压实度试验汇报1~98 23-2试验表道路基层压实度试验汇报及强度试验记录99~130 33-3施记表地基与基槽验收记录131~133 43-4施记表混凝土浇筑及测温记录134~197 53-5施记表测量复核记录198~222 单位工程技术文献目录 施管表 1单位工程名称:道路工程 共 7 页 第 4 页序号文献编号类 别项 目页号附 录 4-1施记表预检记录1~82 4-2施记表隐蔽工程检查验收记录83~218 单位工程技术文献目录 施管表 1单位工程名称: ×× 市 ×× 道路工程 共 7 页 第 5 页序号文献编号类 别项 目页号附 录 5-1质评表工程质量检查评估资料1~183 5-2质评表 竣工测量资料184~195 单位工程技术文献目录 施管表 1单位工程名称: ×× 市 ×× 道路工程 共 7 页 第 6 页序号文献编号类 别项 目页号附 录16-1 竣工图1~56 - 单位工程技术文献目录 施管表 1单位工程名称: ×× 市 ×× 道路...

1、当您付费下载文档后,您只拥有了使用权限,并不意味着购买了版权,文档只能用于自身使用,不得用于其他商业用途(如 [转卖]进行直接盈利或[编辑后售卖]进行间接盈利)。
2、本站所有内容均由合作方或网友上传,本站不对文档的完整性、权威性及其观点立场正确性做任何保证或承诺!文档内容仅供研究参考,付费前请自行鉴别。
3、如文档内容存在违规,或者侵犯商业秘密、侵犯著作权等,请点击“违规举报”。

碎片内容

2025年市政工程技术检验批全套填写范例

您可能关注的文档

确认删除?
VIP
微信客服
  • 扫码咨询
会员Q群
  • 会员专属群点击这里加入QQ群
客服邮箱
回到顶部