电脑桌面
添加小米粒文库到电脑桌面
安装后可以在桌面快捷访问

2025年认证考试焊缝外观质量检查记录

2025年认证考试焊缝外观质量检查记录_第1页
1/23
2025年认证考试焊缝外观质量检查记录_第2页
2/23
2025年认证考试焊缝外观质量检查记录_第3页
3/23
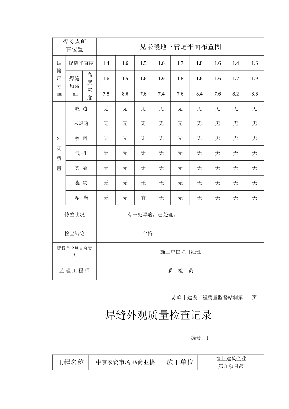
焊缝外观质量检查记录 编号:工程名称中京农贸市场 4#商业楼施工单位恒业建筑企业第九项目部系统名称采暖检查日期 月 日序 号123456789焊接点编号H37H38H39H40H41H42H43H44H45焊接点所在位置见采暖地下管道平面布置图焊接尺寸mm焊缝平直度1.41.61.51.61.71.81.61.41.6焊缝加强mm高 度1.61.51.61.91.81.61.61.71.9宽 度7.88.67.67.47.68.47.68.28.6外 观 质 量咬 边无无无无无无无无无未焊透无无无无无无无无无咬 肉无无无无无无无无无气 孔无无无无无无无无无夹 渣无无无无无无无无无裂 纹无无无无无无无无无焊 瘤无无有无无无无无无修整状况有一处焊瘤,已处理。检查结论合格 建设单位项目负责人施工单位项目经理监 理 工 程 师质 检 员 赤峰市建设工程质量监督站制第 页焊缝外观质量检查记录 编号:1工程名称中京农贸市场 4#商业楼施工单位恒业建筑企业第九项目部系统名称采暖检查日期 月 日序 号123456789焊接点编号H1H2H3H4H5H6H7H8H9焊接点所在位置见采暖管道布置图焊接尺寸mm焊缝平直度1.41.61.61.81.71.81.91.51.6焊缝加强mm高 度1.61.51.51.61.81.51.61.71.7宽 度7.87.67.67.47.67.47.68.28.6外 观 质 量咬 边无无无无无无无无无未焊透无无无无无无无无无咬 肉无无无无无无无无无气 孔无无无无无无无无无夹 渣无无无有无无无无无裂 纹无无无无无无无无无焊 瘤无无无无无无无无无修整状况有一处夹渣,已处理。检查结论合格建设单位项目负责人施工单位项目经理监 理 工 程 师质 检 员 赤峰市建设工程质量监督站制第 页焊缝外观质量检查记录 编号:2工程名称中京农贸市场 4#商业楼施工单位恒业建筑企业第九项目部系统名称采暖检查日期 月 日序 号101112131415161718焊接点编号H10H11H12H13H14H15H16H17H18焊接点所在位置见采暖管道布置图焊接尺寸mm焊缝平直度1.41.61.71.91.61.81.71.41.6焊缝加强mm高 度1.61.71.51.61.71.81.61.91.8宽 度8.87.67.68.47.67.48.68.27.6外 观 质 量咬 边无无无无无无无无无未焊透无无无无无无无无无咬 肉无无无无无无无无无气 孔无无无无无无无无无夹 渣无无无无无无无无无裂 纹无无无无无无无无无焊 瘤无无无无无无无无无修整状况无检查结论合格建设单位项目负责人施工单位项目经理监 理 工 程 师质 检 员 赤峰市建设工程质量监督站制第 页焊缝外观质量检查记录 编号:3工程名称中京农贸市场 4#商业楼施工单位恒业建筑企业第九项...

1、当您付费下载文档后,您只拥有了使用权限,并不意味着购买了版权,文档只能用于自身使用,不得用于其他商业用途(如 [转卖]进行直接盈利或[编辑后售卖]进行间接盈利)。
2、本站所有内容均由合作方或网友上传,本站不对文档的完整性、权威性及其观点立场正确性做任何保证或承诺!文档内容仅供研究参考,付费前请自行鉴别。
3、如文档内容存在违规,或者侵犯商业秘密、侵犯著作权等,请点击“违规举报”。

碎片内容

2025年认证考试焊缝外观质量检查记录

您可能关注的文档

确认删除?
VIP
微信客服
  • 扫码咨询
会员Q群
  • 会员专属群点击这里加入QQ群
客服邮箱
回到顶部