电脑桌面
添加小米粒文库到电脑桌面
安装后可以在桌面快捷访问

室内给水排管道安装工程

室内给水排管道安装工程_第1页
1/5
室内给水排管道安装工程_第2页
2/5
室内给水排管道安装工程_第3页
3/5
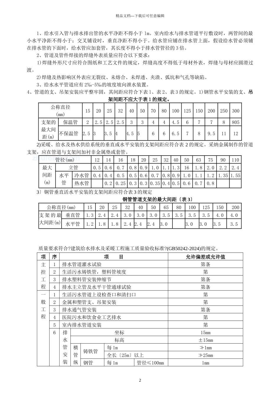
精品文档---下载后可任意编辑室内给水管道安装工程 一、施工准备 (一)作业条件 1、给水管,热水管穿楼板,穿墙应设钢套管.穿墙时套管两端与墙装饰面平,穿楼板时套管下端与装饰面平; 2、所有管道穿混凝土楼板,墙及安装在墙槽内的管道施工时应与土建密切配合,穿楼板时应,用专用打孔机打孔,孔口不宜太大,并征得结构专业人员同意前方可开孔.。 3、图中所注尺寸,标高以米为单位,其余均以毫米为单位.给水管均指管中心标高,排水管 4、凡未说明局部,均应遵照国家标准<建筑给水排水及采暖工程施工质量验收标准>(GB50242-2024)中的有关规定施工.5、本设计是在原设计院给排水设计的根底上为配合装饰功能需求而进行的生活给排水系统末端支管调整设计.本设计仅包括:室内生活给水系统,室内生活排水系统. (二)材质要求 1、铜给水管及管件符合建筑给排水设计标准 GB50015-2024。其规格尺寸应符合设计要求,管壁薄厚均匀,内外光滑干净,不得有裂纹;。 2、排水管水平支管和立管采纳卡箍式离心铸铁管。3、厨房厨具自带存水弯,厨房排水明沟接入排水立管的地漏要求采纳带活动滤网的地漏;4、铸铁排水管道及管件品种、规格应符合设计要求。灰口铸铁的管壁应厚度均匀,内外光滑干净,无浮砂、包砂、粘砂,更不允许有砂眼、裂纹、飞刺和疙瘩。承插口的内外径及管件造型规矩,法兰接口平正光洁严密,地漏和返水弯的扣距必须一致,不得有偏扣、乱扣、方扣、丝扣不全等现象。青麻、油麻要整齐,不允许有腐朽现象。沥青漆、防锈漆、调和漆和银粉必须有产品合格证。水泥一般采纳强度等级 P.O 的普通水泥,必须有产品合格证、出厂检测报告及进场复验报告。用到的其他材料有:汽油、机油、胶皮布、电气、焊条、型钢、螺栓、螺母、铅丝等。(三)工器具1、给水管道 〔l〕、机械:氧焊,砂轮锯、台钻、手电钻、电焊机、电动或手动试压泵等。 (2)、工具:套丝板、管钳、台钳、压力钳、钢锯、手锤、活扳手、链钳、弯器、、捻凿、大锤、断管器、倒链、电气焊等工具。(3)、其它:水平尺、线坠、钢卷尺、小线、压力表等。2、铸铁管道。机具:套丝机、电焊机、台钻、冲击钻、电锤、砂轮机等。工具:套丝扳、手锤、大锤、手锯、断管器、凿子、捻凿、麻钎、压力案、台虎钳、管钳、小车等。其他:水平尺、线坠、钢卷尺、小线等 二、质量要求 (一)主控工程 1、室内给水管道的水压试验必须符合设计要求。当 NS-I-未注明时,各种材质的给水管道系统试验压力均为工作压力的 1.5...

1、当您付费下载文档后,您只拥有了使用权限,并不意味着购买了版权,文档只能用于自身使用,不得用于其他商业用途(如 [转卖]进行直接盈利或[编辑后售卖]进行间接盈利)。
2、本站所有内容均由合作方或网友上传,本站不对文档的完整性、权威性及其观点立场正确性做任何保证或承诺!文档内容仅供研究参考,付费前请自行鉴别。
3、如文档内容存在违规,或者侵犯商业秘密、侵犯著作权等,请点击“违规举报”。

碎片内容

室内给水排管道安装工程

您可能关注的文档

确认删除?
VIP
微信客服
  • 扫码咨询
会员Q群
  • 会员专属群点击这里加入QQ群
客服邮箱
回到顶部