电脑桌面
添加小米粒文库到电脑桌面
安装后可以在桌面快捷访问

2025年二级水利水电重点考点及案例点模板VIP专享

2025年二级水利水电重点考点及案例点模板_第1页
1/11
2025年二级水利水电重点考点及案例点模板_第2页
2/11
2025年二级水利水电重点考点及案例点模板_第3页
3/11
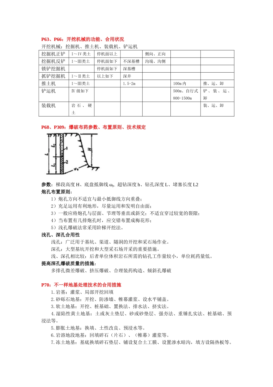
二级水利水电技术部分重点考点及案例点:P25:软土地基地责问题:1、软土地基地责问题重要包括两个方面:土质边坡稳定、基坑降排水。2、防止边坡失稳采用的措施:采用合理坡度、设置边坡护面、基坑支护、减少地下水位。3、软土基坑开挖的降排水途径:明排法、人工降水(轻型井点降水或管井井点降水)。P26:土坝施工放样内容:1、坝轴线测设,坝身控制测量,清基开挖线、坡脚线放样,坝体边坡线放样及修坡桩测设。要点 1:坝轴线测试-直线坝型土坝坝顶中心线即为坝轴线。交会法、极坐标法。 2:坝身控制测量-坝身控制测量包括平面控制测量和高程控制测量。 3:清基开挖线-坝体与原地面的交线。采用套绘断面法或经纬仪扫描法。 4:坡脚放样线-坝体与地面的交线。 5:坝体边坡线放样-坝体各个断面上料桩的标定一般采用轴距杆法或坡度尺法。P52:导流方案选择:1、根据导流措施合用性选择或者判断施工导流的基本措施可分为分期围堰法导流和一次拦断河床围堰导流两类分期导流一般合用于下列状况(水文、地形、地质): ①导流流量大,河床宽,有条件布置纵向围堰; ②河床中永久建筑物便于布置导流泄水建筑物; ③河床覆盖层不厚。明渠导流岸坡平缓或有一岸具有较宽的台地、垭口或古河道的地形。隧洞导流 河谷狭窄、两岸地形陡峻、山岩坚实的山区河流。 2、根据导流思想排施工次序 土石坝施工次序:导流洞施工——截流——围堰填筑——基坑排水——地基处理——坝体填筑——拆除围堰——封孔土石坝分期节点日期及重要工作: 截流———— 度汛————封孔————第一台机组发电————竣工准备期 ! 一期 ! 二期 ! 三期 ! 四期导洞施工 !大坝(围堰) ! 填筑 ! 填筑 ! !抢筑拦洪水位 !P56:围堰堰顶高程确实定:下游围堰的堰顶高程由式(2F31-1): Hd=hd+ha+δ 上游围堰的堰顶高程由式(2F31-2): Hu=hd+z+ha+δδ— 见强制性条文 hd——下游水位高程 ha——波浪爬高 z——上下游水位差P56:土石围堰的施工:1、接头处理 1)土石围堰与岸坡的接头,重要通过扩大接触面和嵌入岸坡的措施,以延长塑性防渗体的接触范围,防止集中绕渗破坏。 2)与纵向围堰接头处理 土石围堰与混凝土纵向围堰的接头,一般采用刺墙形式插入土石围堰的塑性防渗体中并将接头的防渗体断面扩大,以保证在任一高程处均能满足渗径长度规定。2、围堰的拆除:时间、次序、措施 围堰拆除一般是在有效期的最终一种汛期过后,...

1、当您付费下载文档后,您只拥有了使用权限,并不意味着购买了版权,文档只能用于自身使用,不得用于其他商业用途(如 [转卖]进行直接盈利或[编辑后售卖]进行间接盈利)。
2、本站所有内容均由合作方或网友上传,本站不对文档的完整性、权威性及其观点立场正确性做任何保证或承诺!文档内容仅供研究参考,付费前请自行鉴别。
3、如文档内容存在违规,或者侵犯商业秘密、侵犯著作权等,请点击“违规举报”。

碎片内容

2025年二级水利水电重点考点及案例点模板

您可能关注的文档

翰墨流离+ 关注
实名认证
内容提供者

该用户很懒,什么也没介绍

确认删除?
VIP
微信客服
  • 扫码咨询
会员Q群
  • 会员专属群点击这里加入QQ群
客服邮箱
回到顶部