电脑桌面
添加小米粒文库到电脑桌面
安装后可以在桌面快捷访问

2025年水工造价工程师学习资料

2025年水工造价工程师学习资料_第1页
1/6
2025年水工造价工程师学习资料_第2页
2/6
2025年水工造价工程师学习资料_第3页
3/6
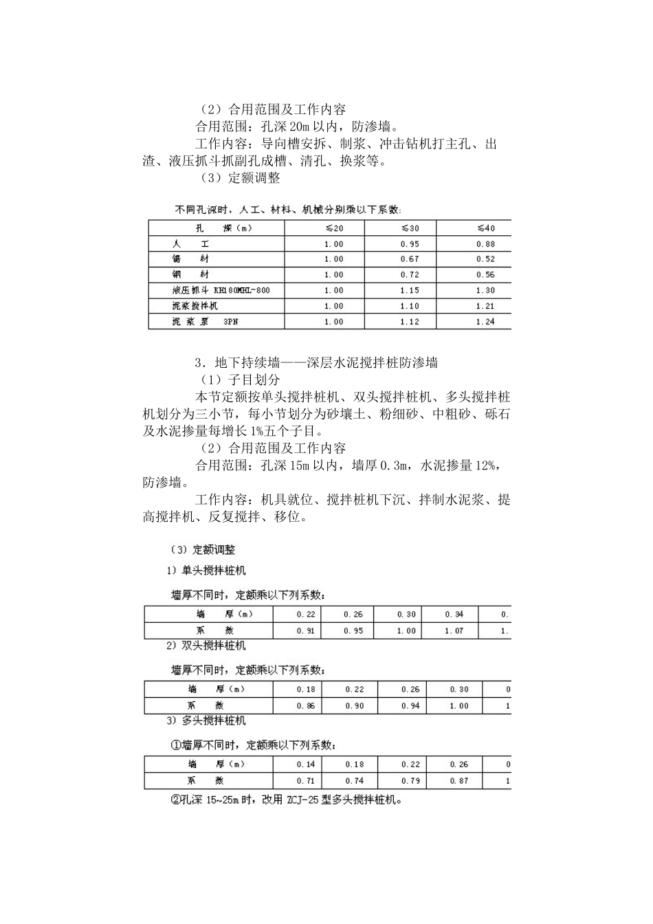
课程内容 课程内容 第七章 钻孔灌浆及锚固工程 一、章阐明 1.本章包括地下持续墙成槽——液压抓斗成槽法、地下持续墙成槽——冲击钻机配合液压抓斗成槽法、地下持续墙——深层水泥搅拌桩防渗墙、地下持续墙——振动沉模防渗板墙、混凝土防渗墙浇筑定额共 5 节。 2.本章定额单位为 m2,工程量按阻水面积计算。 二、定额 1.地下持续墙成槽——液压抓斗成槽法 (1)子目划分 本节定额按墙厚 0.3m、0.4m、0.5m 划分为三小节,每小节按地层类别划分为砂壤土、粉细砂、中粗砂、砾石、卵石五个子目。 (2)合用范围及工作内容 合用范围:孔深 20m 以内,防渗墙。 工作内容:导向槽安拆、制浆、液压抓斗成槽、清孔、换浆等。 (3)定额调整 2.地下持续墙成槽——冲击钻机配合液压抓斗成槽法 (1)子目划分 本节定额按墙厚 0.3m、0.4m、0.5m 划分为三小节,每小节按地层类别划分为砂壤土、粉细砂、中粗砂、砾石、卵石五个子目。 (2)合用范围及工作内容 合用范围:孔深 20m 以内,防渗墙。 工作内容:导向槽安拆、制浆、冲击钻机打主孔、出渣、液压抓斗抓副孔成槽、清孔、换浆等。 (3)定额调整 3.地下持续墙——深层水泥搅拌桩防渗墙 (1)子目划分 本节定额按单头搅拌桩机、双头搅拌桩机、多头搅拌桩机划分为三小节,每小节划分为砂壤土、粉细砂、中粗砂、砾石及水泥掺量每增长 1%五个子目。 (2)合用范围及工作内容 合用范围:孔深 15m 以内,墙厚 0.3m,水泥掺量 12%,防渗墙。 工作内容:机具就位、搅拌桩机下沉、拌制水泥浆、提高搅拌机、反复搅拌、移位。 4.地下持续墙——振动沉模防渗板墙 (1)子目划分 本节定额按振动沉模防渗板墙墙厚划分为0.10m、0.15m、0.20m 三小节,每小节按土质级别划分为Ⅰ、Ⅱ、Ⅲ三个子目。 (2)定额合用范围及工作内容 合用范围:土质地基,墙深 10 米以内,防渗墙。 工作内容:机具就位、振动沉模、提高模板,砂浆拌和、运送和浇筑。 5.混凝土防渗墙浇筑 (1)子目划分 本节定额按混凝土防渗墙浇筑墙厚划分为0.30m、0.40m、0.50m 三小节,每小节按地层类别划分为漂石、卵石,细砂、砾石,其他三个子目。 (2)定额合用范围及工作内容 合用范围:混凝土防渗墙槽孔混凝土浇筑。 工作内容:搭拆浇筑平台、装拆导管、浇筑及质量检查、墙顶混凝土凿除等。第九章 其他工程 一、章阐明 1.本章包括钢管管道铺设、预应力(自应力)混凝土管管道铺设...

1、当您付费下载文档后,您只拥有了使用权限,并不意味着购买了版权,文档只能用于自身使用,不得用于其他商业用途(如 [转卖]进行直接盈利或[编辑后售卖]进行间接盈利)。
2、本站所有内容均由合作方或网友上传,本站不对文档的完整性、权威性及其观点立场正确性做任何保证或承诺!文档内容仅供研究参考,付费前请自行鉴别。
3、如文档内容存在违规,或者侵犯商业秘密、侵犯著作权等,请点击“违规举报”。

碎片内容

2025年水工造价工程师学习资料

您可能关注的文档

确认删除?
VIP
微信客服
  • 扫码咨询
会员Q群
  • 会员专属群点击这里加入QQ群
客服邮箱
回到顶部