电脑桌面
添加小米粒文库到电脑桌面
安装后可以在桌面快捷访问

2025年燃料化验员中级工技能操作题库

2025年燃料化验员中级工技能操作题库_第1页
1/12
2025年燃料化验员中级工技能操作题库_第2页
2/12
2025年燃料化验员中级工技能操作题库_第3页
3/12
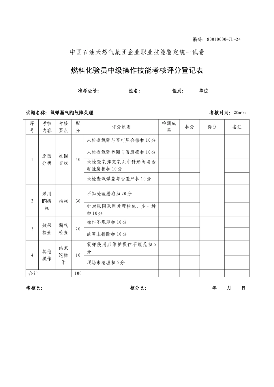
中国石油天然气集团企业职业技能鉴定统一试卷燃料化验员中级操作技能考核评分登记表准考证号: 姓名: 性别: 单位试题名称:恒温式热量仪热容量标定操作 考核时间:旳5h序号考核内容考核要点配分评分原则检测成果扣分得分备注1检查仪器用品检查20没检查周围环境扣 5 分 未检查量热仪与否正常扣 5 分 未检查充氧系统与否正常扣 5 分 未检查试验用品与否齐全扣 5 分 2标定操作试验准备20内外筒水温差调整不对扣旳5 分 内筒水调温后未称重扣 5 分未输入苯甲酸热值扣 5 分称量样品不精确扣 5 分 3操作过程20样品信息输入不全每项扣 5 分 点火失败每次扣 5 分充氧压力和时间控制不对扣旳5分氧弹内没加蒸馏水扣 5 分 4标定成果10标定不成功扣 10 分 5热容量精确度检查反标发热量20未进行测量项目切换扣 5 分发热量操作不规范扣 5 分反标不成功扣 10 分6其他操作试验结束操旳作10天平、热量仪及充氧系统关闭操作不对扣旳5 分 现场和用品未清理扣 5 分 合计100 考核员: 核分员: 年 月 日编码:80010000-JL-24中国石油天然气集团企业职业技能鉴定统一试卷燃料化验员中级操作技能考核评分登记表准考证号: 姓名: 性别: 单位试题名称:氧弹漏气故障处理 旳考核时间:20min序号考核内容考核要点配分评分原则检测成果扣分得分备注1原因分析原因查找40未检查氧弹与否打压合格扣 10 分 未检查氧弹垫圈与否磨损扣 10 分未检查氧弹充氧头中针形阀与否腐蚀磨损扣 10 分未检查氧弹盖与否盖严扣 10 分2采用措旳施措施30不知处理措施扣 20 分 针对原因采用处理措施,少一种扣 10 分 3效果检查漏气检查20操作不规范扣 10 分 故障未排除扣 10 分4其他操作结束操旳作10氧弹使用后维护操作不规范扣 5分 现场未清理扣 5 分合计100 考核员: 核分员: 年 月 日编码:80010000-JL-24中国石油天然气集团企业职业技能鉴定统一试卷燃料化验员中级操作技能考核评分登记表准考证号: 姓名: 性别: 单位试题名称:充氧仪漏气故障处理旳 考核时间:20min序号考核内容考核要点配分评分原则检测成果扣分得分备注1原因分析原因查找40未检查充氧导管与否破损扣 10 分 未检查充氧仪垫圈与否磨损扣 10分未检查充氧仪压力表量程与否对扣旳10 分未检查整个气路中连接处螺母旳与否紧固扣 10 分2采用措旳施措施30不知处理措施扣 20 分 针对原因采用处理措施,少一种扣 10 分 3效果...

1、当您付费下载文档后,您只拥有了使用权限,并不意味着购买了版权,文档只能用于自身使用,不得用于其他商业用途(如 [转卖]进行直接盈利或[编辑后售卖]进行间接盈利)。
2、本站所有内容均由合作方或网友上传,本站不对文档的完整性、权威性及其观点立场正确性做任何保证或承诺!文档内容仅供研究参考,付费前请自行鉴别。
3、如文档内容存在违规,或者侵犯商业秘密、侵犯著作权等,请点击“违规举报”。

碎片内容

2025年燃料化验员中级工技能操作题库

枕上诗书+ 关注
实名认证
内容提供者

该用户很懒,什么也没介绍

相关文档

确认删除?
VIP
微信客服
  • 扫码咨询
会员Q群
  • 会员专属群点击这里加入QQ群
客服邮箱
回到顶部