电脑桌面
添加小米粒文库到电脑桌面
安装后可以在桌面快捷访问

2025年钢结构验收18国标全套VIP专享

2025年钢结构验收18国标全套_第1页
1/197
2025年钢结构验收18国标全套_第2页
2/197
2025年钢结构验收18国标全套_第3页
3/197
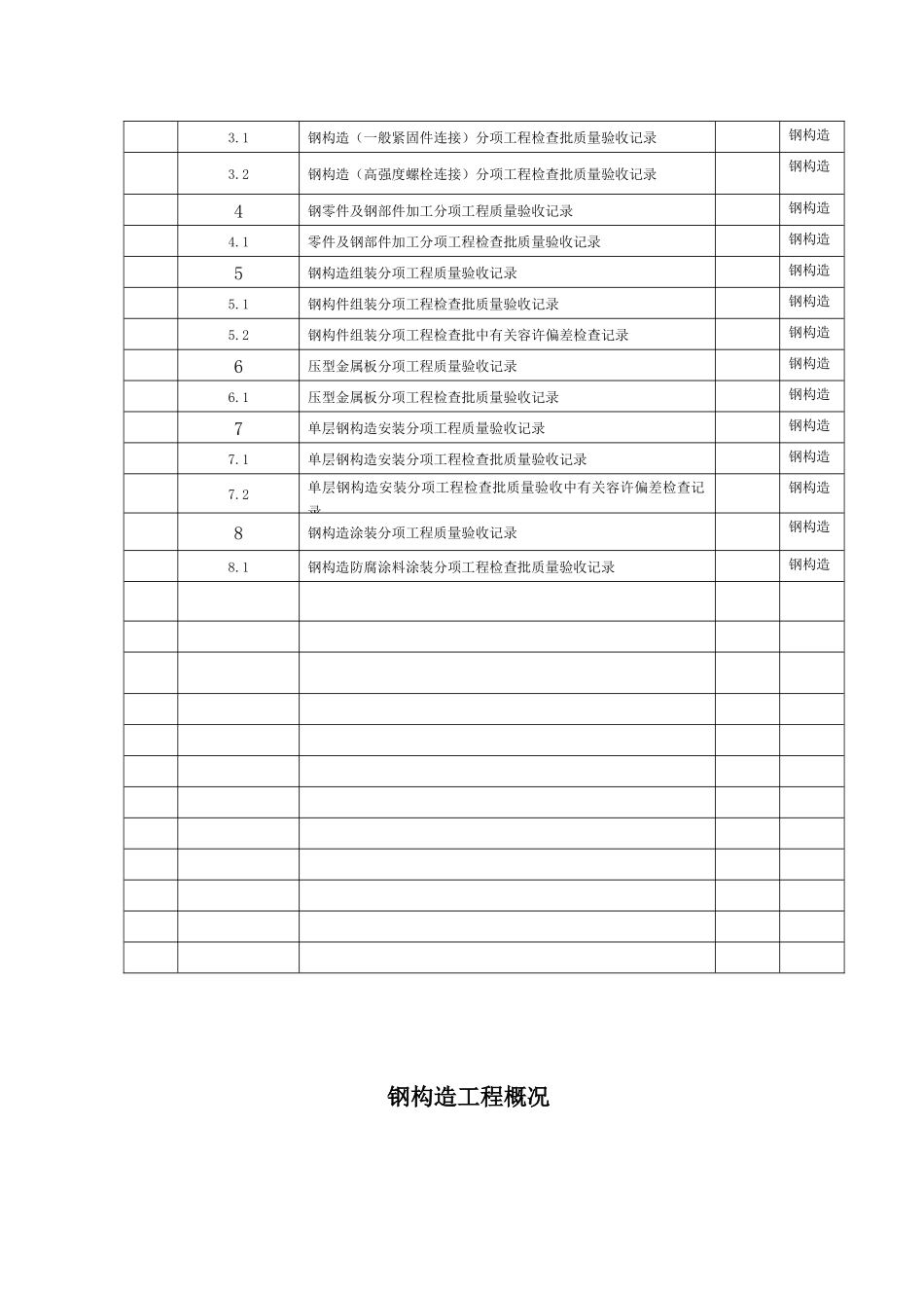
常德桥南隆腾物流园一期工程1-8#物流用房钢结构分部工程竣工验收资料项 目 经 理: 陈 君 箭 技术负责人: 张 永 进 鑫 博 集 团 有 限 公 司目 录序号编 号名 称页码备注一钢构造工程施工、技术管理资料钢构造1钢构造工程概况、企业资料钢构造2施工组织设计、施工方案及审批钢构造3构件制作技术交底记录钢构造4钢构造涂装技术交底记录钢构造5钢构造安装技术交底记录钢构造6压型金属板制作与安装技术交底记录钢构造7图纸设计变更、会审记录钢构造8扭矩扳手标定记录钢构造9高强度螺栓施工记录钢构造10钢构造矫正施工记录钢构造11钢零部件边缘加工施工记录钢构造12焊接材料的烘焙记录钢构造13焊工合格证汇总表钢构造14钢构造工程质量控制资料检查表钢构造15有关安全及功能检查和见证检测项目检查记录钢构造16钢构造工程观感质量检查记录钢构造二钢构造工程质量控制资料钢构造1钢构造工程原材料、成品质量合格证明文献、检测汇报钢构造2钢板材料质量合格证明文献、检测汇报钢构造3焊接质量合格证明文献、检测汇报钢构造4高强度大六角螺栓连接副扭矩系数试验汇报钢构造5高强度螺栓连接摩擦面抗滑系数试验汇报钢构造6其他附属材料质量合格证明文献、检测汇报钢构造7钢构造进场验收合格证钢构造8钢构件合格证钢构造9多种隐蔽工程检查验收记录钢构造三钢构造工程质量验收资料钢构造1钢构造子分部工程质量验收记录钢构造2钢构造焊接分项工程质量验收记录钢构造3钢构造焊接分项工程检查批质量验收记录钢构造4钢构造紧固件连接分项工程质量验收记录钢构造3.1钢构造(一般紧固件连接)分项工程检查批质量验收记录钢构造3.2钢构造(高强度螺栓连接)分项工程检查批质量验收记录钢构造4钢零件及钢部件加工分项工程质量验收记录钢构造4.1零件及钢部件加工分项工程检查批质量验收记录钢构造5钢构造组装分项工程质量验收记录钢构造5.1钢构件组装分项工程检查批质量验收记录钢构造5.2钢构件组装分项工程检查批中有关容许偏差检查记录钢构造6压型金属板分项工程质量验收记录钢构造6.1压型金属板分项工程检查批质量验收记录钢构造7单层钢构造安装分项工程质量验收记录钢构造7.1单层钢构造安装分项工程检查批质量验收记录钢构造7.2单层钢构造安装分项工程检查批质量验收中有关容许偏差检查记录钢构造8钢构造涂装分项工程质量验收记录钢构造8.1钢构造防腐涂料涂装分项工程检查批质量验收记录钢构造钢构造工程概况日期:建设单位常德桥南隆腾物流园...

1、当您付费下载文档后,您只拥有了使用权限,并不意味着购买了版权,文档只能用于自身使用,不得用于其他商业用途(如 [转卖]进行直接盈利或[编辑后售卖]进行间接盈利)。
2、本站所有内容均由合作方或网友上传,本站不对文档的完整性、权威性及其观点立场正确性做任何保证或承诺!文档内容仅供研究参考,付费前请自行鉴别。
3、如文档内容存在违规,或者侵犯商业秘密、侵犯著作权等,请点击“违规举报”。

碎片内容

2025年钢结构验收18国标全套

您可能关注的文档

确认删除?
VIP
微信客服
  • 扫码咨询
会员Q群
  • 会员专属群点击这里加入QQ群
客服邮箱
回到顶部