电脑桌面
添加小米粒文库到电脑桌面
安装后可以在桌面快捷访问

样板工程验收记录VIP专享

样板工程验收记录_第1页
1/12
样板工程验收记录_第2页
2/12
样板工程验收记录_第3页
3/12
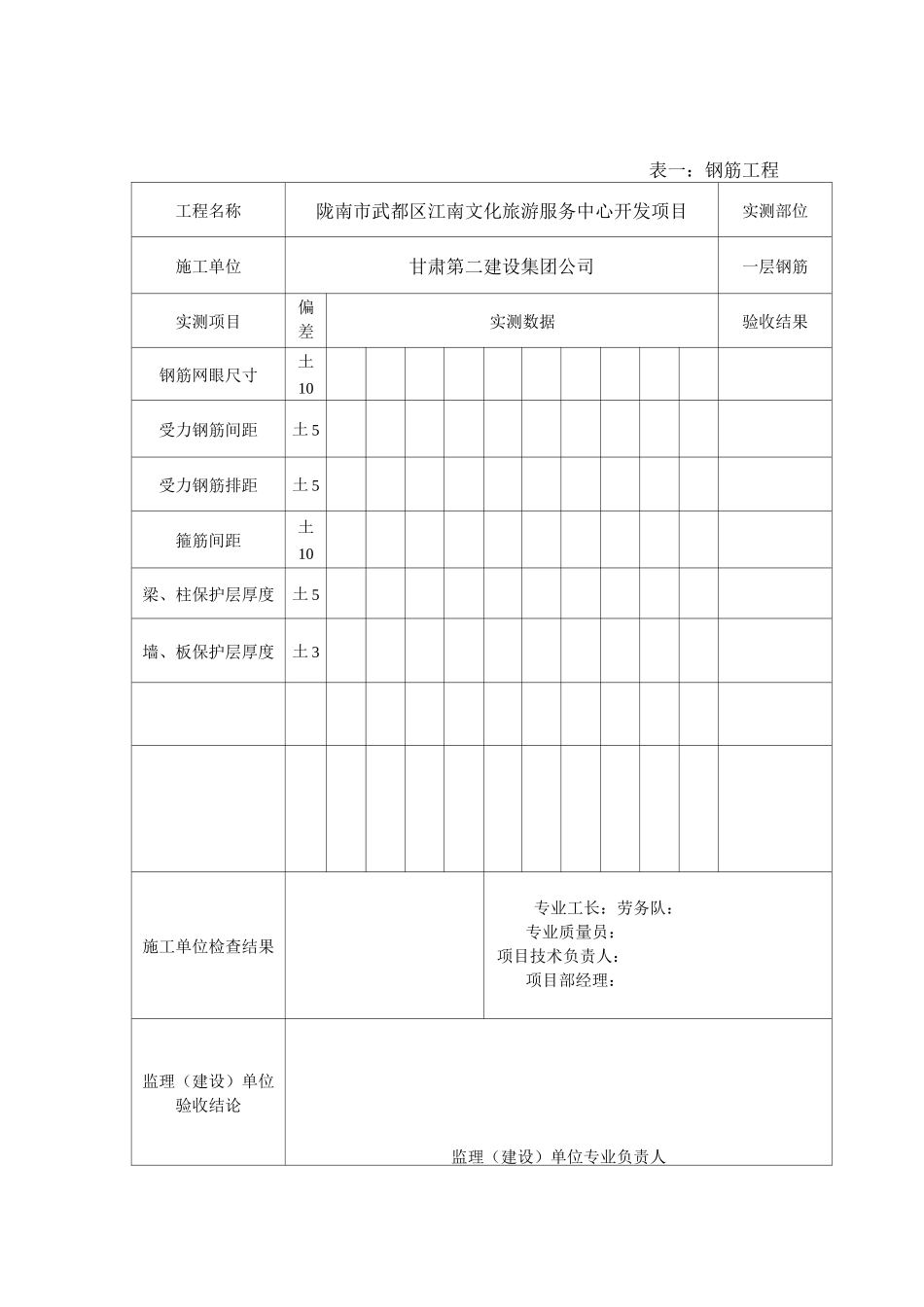
表一:钢筋工程工程名称陇南市武都区江南文化旅游服务中心开发项目实测部位施工单位甘肃第二建设集团公司一层钢筋实测项目偏差实测数据验收结果钢筋网眼尺寸土10受力钢筋间距土 5受力钢筋排距土 5箍筋间距土10梁、柱保护层厚度土 5墙、板保护层厚度土 3施工单位检查结果专业工长:劳务队:专业质量员:项目技术负责人:项目部经理:监理(建设)单位验收结论监理(建设)单位专业负责人表二:模板工程工程名称陇南市武都区江南文化旅游服务中心开发项目实测部位施工单位甘肃第二建设集团公司一层模板实测项目偏差实测数据验收结果截面尺寸+2-3模板垂直度3mm模板平整度3mm阴阳角方正、顺直2mm支撑体系稳定性施工单位检查结果专业工长:劳务队:专业质量员:项目技术负责人:项目部经理:监理(建设)单位验收结论监理(建设)单位专业负责人表三:混凝土工程工程名称陇南市武都区江南文化旅游服务中心开发项目实测部位施工单位甘肃第二建设集团公司一层混凝土实测项目偏差实测数据验收结果墙、柱表面垂直度4mm柱、墙、板表面平整度2mm阴阳角方正、顺直2mm截面尺寸±3表面光洁度表面裂缝试块留置情况施工单位检查结果专业工长:劳务队:专业质量员:项目技术负责人:项目部经理:监理(建设)单位验收结论监理(建设)单位专业负责人表四:砌体工程工程名称陇南市武都区江南文化旅游服务中心开发项目实测部位施工单位甘肃第二建设集团公司实测项目偏差实测数据验收结果墙面垂直度5mm墙面平整度W8mm水平灰缝平直度7门窗洞口尺寸±10墙体拉结筋填充墙砌体留置的拉结钢筋与块体皮数相符合。拉结钢筋置于灰缝中,埋置长度沿柱墙高每隔 500mm 配置 2©6 墙体拉筋,拉筋沿墙全长设置,竖向位置偏差未超过一皮高度。梁底砌体密实度填充墙砌至接近梁、板底时,已留一定空隙,填充墙砌筑完 30d 后,再补砌挤紧。门窗过梁门窗过梁没边伸出 250mm,洞口小于 1200mm 的过梁高度为 120m,洞口大于 1200m、小于 2000m 的过梁高度为 180构造柱马牙槎符合要求施工单位检查结果符合设计及施工质量验收规范要求。专业质量员:劳务队:项目技术负责人:项目部经理:监理(建设)单位验收结论监理(建设)单位专业负责人表四:砌体工程工程名称陇南市武都区江南文化旅游服务中心开发项目实测部位施工单位甘肃第二建设集团公司实测项目偏差实测数据验收结果墙面垂直度5mm墙面平整度W8mm水平灰缝平直度7门窗洞口尺寸±10墙体拉结筋梁底砌体密实度门窗过梁...

1、当您付费下载文档后,您只拥有了使用权限,并不意味着购买了版权,文档只能用于自身使用,不得用于其他商业用途(如 [转卖]进行直接盈利或[编辑后售卖]进行间接盈利)。
2、本站所有内容均由合作方或网友上传,本站不对文档的完整性、权威性及其观点立场正确性做任何保证或承诺!文档内容仅供研究参考,付费前请自行鉴别。
3、如文档内容存在违规,或者侵犯商业秘密、侵犯著作权等,请点击“违规举报”。

碎片内容

样板工程验收记录

确认删除?
VIP
微信客服
  • 扫码咨询
会员Q群
  • 会员专属群点击这里加入QQ群
客服邮箱
回到顶部