电脑桌面
添加小米粒文库到电脑桌面
安装后可以在桌面快捷访问

安全生产责任考核及奖惩制度VIP免费

安全生产责任考核及奖惩制度_第1页
1/11
安全生产责任考核及奖惩制度_第2页
2/11
安全生产责任考核及奖惩制度_第3页
3/11
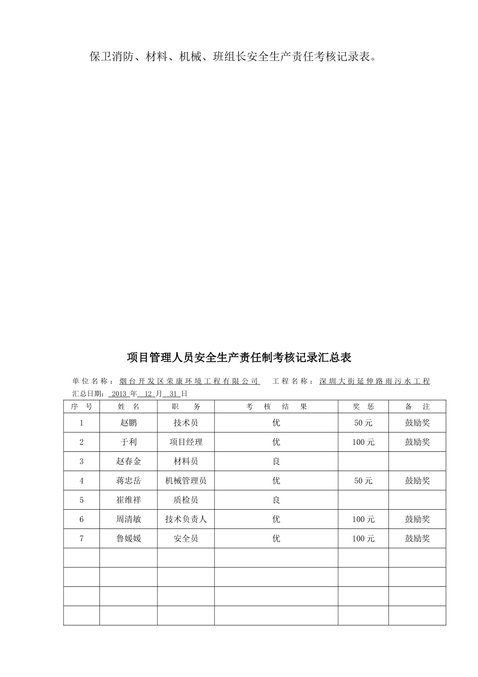
安全生产责任考核及奖惩制度为了进一步促进公司全体员工安全生产的责任意识,确保安全生产责任制度的有效实施,维护公司生产经营活动的正常秩序,实现公司安全生产的目标管理,根据奖励先进、惩罚落后的机制,依据公司《安全生产责任制度》的相关要求,结合本公司的实际情况,特制定本制度。(一)公司机关各部门的考核1、公司安全生管理部门主持和实施对公司各管理岗位和部门及项目部的安全生产管理的专项检查和考核,督促项目部对相关方及作业人员的安全检查和考核,并将检查过程和考核结果纳入公司综合管理考核体系,将日常检查记录和考核结果作为公司综合管理考评的依据。2、考核周期:每半年对安全生产责任制度中涉及的相关部门进行一次全面的考核。3、考核评定按照《公司安全生产责任制度》的内容和要求要求进行量化考核。4、考核时间初步定为每年6月底和12月底。5、考核结果分为:优、良、差三个等级,实得分在90分及90分以上者,评定结果为优;实得分在75—90分者,评定结果为良;实得分在75分以下者,评定结果为差。(二)各项目经理部的考核1、项目经理部成立以项目负责人为组长的安全生产责任制考核小组。2、项目安全生产责任制考核小组的主要责任是对项目安全生产责任制中所涉及的相关方、各职能部门及个人进行安全生产责任制执行情况的考核。3、考核采用量化评分的方法进行,应得分为100分,依据考核项目的完成情况和安全生产责任制内容的具体落实情况评分。4、考核结果分为三个等级,实得分85分及85分以上者为优良,实得分为70—85分者为合格,70分以下者为不合格。5、考核时间:每个季度的25日(遇节假日,适时顺延)进行考核。(三)考核原则与奖惩1、考核实行公开、公平、公正的原则进行,并将考核的结果进行公示。2、对评定等级为优良的个人,给予100—200元的奖励;并作为年终经济兑现、评选先进的重要依据。3、对公司考核结果为差的部门,由部门责任人写出纠正措施,一年内连续2次不及格的部门给予全公司内通报批评,并要求部门负责人离岗。4、对项目评定等级为不合格者,要求其进行纠正并视其情节的轻重,给予100—200元的罚款、警告批评、对连续两次考核为不合格的个人给予调离工作岗位处罚。5、安全生产责任制的考核奖惩均在当月份的效益工资中及时兑现。6、项目经理安全生产责任考核由公司安全设备管理部门负责。附:1、项目管理人员安全生产责任制考核记录汇总表;2、项目经理、项目副经理、技术负责人、技术员、安全员、质检员、保卫消防、材料、机械、班组长安全生产责任考核记录表。项目管理人员安全生产责任制考核记录汇总表单位名称:烟台开发区荣康环境工程有限公司工程名称:深圳大街延伸路雨污水工程汇总日期:2013年12月31日序号姓名职务考核结果奖惩备注1赵鹏技术员优50元鼓励奖2于利项目经理优100元鼓励奖3赵春金材料员良4蒋忠岳机械管理员优50元鼓励奖5崔维祥质检员良6周清敏技术负责人优100元鼓励奖7鲁媛媛安全员优100元鼓励奖填表人:审批人:项目经理安全生产责任制考核记录单位名称:烟台开发区荣康环境工程有限公司工程名称:深圳大街延伸路雨污水工程姓名:于利考核日期:年月日序号考核项目扣分标准应得分扣减分实得分1贯彻安全生产制度规程、规定上级有关的安全生产规程、规定、制度未传达的扣15分未及时传达的扣10分15分2项目安全技术审查与贯彻项目的安全技术措施未组织审查扣5分未呈报批准的扣4分未负责贯彻实施的扣10分10分3周安全制度落实每周未计划、布置安全生产工作的扣5分每周未检查的扣5分每周未总结评比的扣5分15分4周安全专业会议每周无安全专业会议的扣10分对检查出现的隐患未按“三定”原则解决的扣8分未及时解决安全生产中存在问题扣15分未严格执行“管生产必须同时管安全”原则扣15分15分5三级教育周一教育未进行职工三级教育的扣10分未进行周一教育的扣5分未进行职工思想教育的扣5分奖惩未兑现的扣5分10分6工伤事故处理发生工伤事故未及时上报的扣10分发生事故而未能保护好现场的扣5分未能提出改进措施的扣10分未对责任人提出处理意见的扣10分15分7隐患整改未能及时整改安检部门提出问题的扣10分安全生产不在受控状...

1、当您付费下载文档后,您只拥有了使用权限,并不意味着购买了版权,文档只能用于自身使用,不得用于其他商业用途(如 [转卖]进行直接盈利或[编辑后售卖]进行间接盈利)。
2、本站所有内容均由合作方或网友上传,本站不对文档的完整性、权威性及其观点立场正确性做任何保证或承诺!文档内容仅供研究参考,付费前请自行鉴别。
3、如文档内容存在违规,或者侵犯商业秘密、侵犯著作权等,请点击“违规举报”。

碎片内容

安全生产责任考核及奖惩制度

文章天下+ 关注
实名认证
内容提供者

各种文档应有尽有

确认删除?
VIP
微信客服
  • 扫码咨询
会员Q群
  • 会员专属群点击这里加入QQ群
客服邮箱
回到顶部