电脑桌面
添加小米粒文库到电脑桌面
安装后可以在桌面快捷访问

2025年安全检查验收全套表格VIP专享

2025年安全检查验收全套表格_第1页
1/33
2025年安全检查验收全套表格_第2页
2/33
2025年安全检查验收全套表格_第3页
3/33
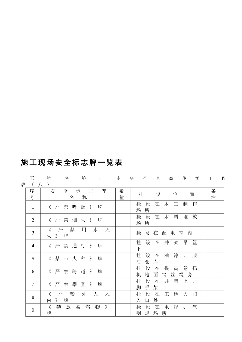
施 工 现 场 安 全 标 志 牌 一 览 表工程名称:南华圣景商住楼工程 表 ( 八 )序号安 全 标 志 牌 名 称数量挂 设 位 置备 注1《 严 禁 吸 烟 》 牌挂设在木工制作场 所2《 严 禁 烟 火 》 牌挂设在木料堆放场 所3《严禁用水灭火 》 牌挂 设 在 配 电 室 内4《 严 禁 通 行 》 牌挂设在井架吊篮下5《 禁 带 火 种 》 牌挂设在油漆、柴油 仓 库6《 严 禁 跨 越 》 牌挂设在提高卷扬机 地 面 钢 丝 绳 旁7《 严 禁 攀 登 》 牌挂设在井架上、脚 手 架 上8《严禁外人入内 》 牌挂设在工地大门入 口 处9《禁放易燃物》牌挂设在电焊、气割 焊 场 所10《有人维修、严禁 合 闸 》 牌有人维修时挂在开 关 箱 上11《 注 意 安 全 》 牌挂设在外脚手架上 和 高 处 作 业 处12《 当 心 火 灾 》 牌挂在木料堆放场所 和 电 气 焊 场 所13《 当 心 触 电 》 牌挂在机械作业棚和 配 电 室 等 处14《当心机械伤人 》 牌挂在机械作业场所15《 当 心 伤 手 》 牌挂设在木工机械场 所16《 当 心 吊 物 》 牌挂设在提高机作业 区 域 内17《 当 心 扎 脚 》 牌挂设在模板作业区 域 内18《 当 心 落 物 》 牌挂设在地面外架周 围 区 域 内19《 当 心 坠 落 》 牌挂设在高处作业的 四 口 、 五 临 边20《 安 全 通 道 》 牌挂设在外架斜道上 和 重 要 通 道 口21《必须戴安全帽 》 牌挂设在进入工地的 大 、 小 门 口22《必须系安全带 》 牌挂在高空作业又没 有 可 靠 防 护 处23《 当 心 塌 方 》 牌开挖土方时挂设在 基 坑 临 边24《必须戴防护手套 》 牌挂设在振捣混凝土 场 所25《必须穿防护鞋 》 牌挂设在振捣混凝土 场 所26《 当 心 滑 跌 》 牌挂设在雨天易滑处 项 目 负 责 人 : 填 表 人 : 填表时间: 特 种 作 业 人 员 持 证 上 岗 花 名 册工程名称:南华圣景商住楼工程 表(六)序号姓 名性别出 生年 月工 种发 证单 位证 件号 码发 证日 期复 审日 期进 场日 期退 场日 期注 : 应 附 操 作 证 书 复 印 件 。项 目 负 责 人 : 填 表 人 : 填表日期: 班组班前安全活动登记表工程名称:南华圣景商住楼工程 表(五)班组名称参与人数作...

1、当您付费下载文档后,您只拥有了使用权限,并不意味着购买了版权,文档只能用于自身使用,不得用于其他商业用途(如 [转卖]进行直接盈利或[编辑后售卖]进行间接盈利)。
2、本站所有内容均由合作方或网友上传,本站不对文档的完整性、权威性及其观点立场正确性做任何保证或承诺!文档内容仅供研究参考,付费前请自行鉴别。
3、如文档内容存在违规,或者侵犯商业秘密、侵犯著作权等,请点击“违规举报”。

碎片内容

2025年安全检查验收全套表格

您可能关注的文档

确认删除?
VIP
微信客服
  • 扫码咨询
会员Q群
  • 会员专属群点击这里加入QQ群
客服邮箱
回到顶部