电脑桌面
添加小米粒文库到电脑桌面
安装后可以在桌面快捷访问

数据库安全检查报告

数据库安全检查报告_第1页
1/7
数据库安全检查报告_第2页
2/7
数据库安全检查报告_第3页
3/7
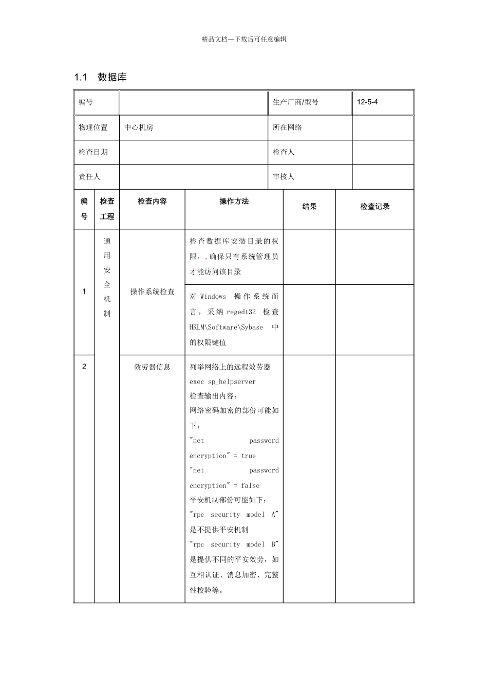
精品文档---下载后可任意编辑1.1数据库编号生产厂商/型号12-5-4物理位置中心机房所在网络检查日期检查人责任人审核人编号检查工程检查内容操作方法结果检查记录1通用安全机制操作系统检查检查数据库安装目录的权限,,确保只有系统管理员才能访问该目录对 Windows 操 作 系 统 而言 , 采 纳 regedt32 检 查HKLM\Software\Sybase中的权限键值2效劳器信息列举网络上的远程效劳器exec sp_helpserver检查输出内容:网络密码加密的部份可能如下:"net password encryption" = true"net password encryption" = false平安机制部份可能如下:"rpc security model A" 是不提供平安机制"rpc security model B" 是提供不同的平安效劳,如互相认证、消息加密、完整性校验等。精品文档---下载后可任意编辑列举特定效劳器的信息exec sp_helpdb3登陆配置检查认证模式是否开启exec sp_loginconfig "login mode"检查默认登陆exec sp_loginconfig "default account"在集成认证模式中,确认默认登陆角色不是 sa ,设置为 NULL 或者一个低权限的用户。4补丁查看效劳器版本信息select @@VERSION5数据库配置通用数据库参数获得当前 Server 的配置exec sp_configure6检查输出 'allow updates to system tables'假如是“on〞状态,DBA 可以通过存储过程修改系统表。建议 sso 将其设置为“off〞状态。因为已经建立的存储过程可以被执行,建议审计数据库的存储过程列表。exec sp_configure "allow updates to system tables"7检查并保证'allow resource limit'的值设为“1〞exec sp_configure "allow resource limit"精品文档---下载后可任意编辑8保证系统表'syscomments' 已经被保护该系统表非常重要,但默认情况下被设置为 "1" , 确 认 该 值 被 设 置为"0"。exec sp_configure "select on syscomments.text"9错误日志配置检查是否设置失败登陆日志,确认该值设置为"0"exec sp_configure "log audit logon failure"10检查是否设置成功登陆日志,确认该数值设为"0"exec sp_configure "log audit logon success"11用户级安全组列举某数据库的所有组:use DBNameexec sp_helpgroup12列举某组内的用户:use DBNameexec sp_helpgroup GroupName13角色检查效劳器角色和用户定义的角色:select name, password, pwdate, status from syssrvroles14检查每个角色的详细信息:exe...

1、当您付费下载文档后,您只拥有了使用权限,并不意味着购买了版权,文档只能用于自身使用,不得用于其他商业用途(如 [转卖]进行直接盈利或[编辑后售卖]进行间接盈利)。
2、本站所有内容均由合作方或网友上传,本站不对文档的完整性、权威性及其观点立场正确性做任何保证或承诺!文档内容仅供研究参考,付费前请自行鉴别。
3、如文档内容存在违规,或者侵犯商业秘密、侵犯著作权等,请点击“违规举报”。

碎片内容

数据库安全检查报告

您可能关注的文档

确认删除?
VIP
微信客服
  • 扫码咨询
会员Q群
  • 会员专属群点击这里加入QQ群
客服邮箱
回到顶部