电脑桌面
添加小米粒文库到电脑桌面
安装后可以在桌面快捷访问

施工组织设计(文字说明)

施工组织设计(文字说明)_第1页
1/90
施工组织设计(文字说明)_第2页
2/90
施工组织设计(文字说明)_第3页
3/90
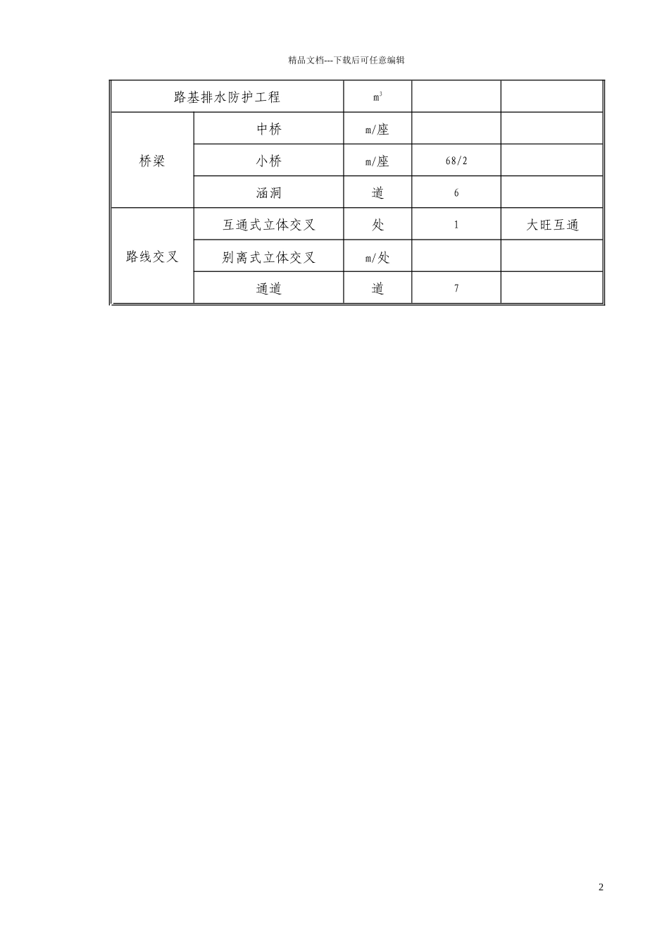
精品文档---下载后可任意编辑二〔连浩特〕广〔州〕高速公路〔粤境〕怀集至三水段第 5 合同段总体施工组织设计第一章 施工组织设计的编制依据~K19+622.53 路段。在接到中标通知书后,我公司立即成立工程管理班子,组织工程技术人员进行施工组织设计的编制,编制依据:~K19+622.53〕?两阶段施工图设计?第一至第五册。2、肇庆市广贺高速公路:二〔连浩特〕广〔州〕高速公路怀集至三水段招标文件、招标文件补遗书及工程量清单。3、交通部现行的有关标准、规程、规定、标准和交通部有关文件。第二章工程概况第一节 工程简介本合同段为二〔连浩特〕广〔州〕高速公路〔粤境〕怀集至三水段,工程起点在佛山市三水区接广三高速公路,经肇庆市的四会、广宁、怀集,往西直通广西贺州市,路线贯穿广东省西部腹地肇庆市。本工程采纳全封闭、全立交高速公路标准建设,计算行车速度为每小时 100 公里,汽车荷载等级为 I 级,地震动峰值加速度系数为 0.05 g,设计洪水频率:大、中、小桥、涵洞及路基为 1/100,特大桥为 1/300。本工程路基宽度为33.5 m,其中行车道为 6× m,中间带 m〔含 2×m 路缘带〕,硬路肩为 2× m〔含 m 路缘带〕,土路肩宽度为 2×m。路拱坡度:行车道、路缘带及硬路肩采纳 2%,土路肩采纳 4%。第二节 本合同段主要工程量情况本合同段起点 K13+822.34(北江大桥终点),终点为 K19+622.53〔蕉园别离贺州桥头〕,路线长度。有大旺互通式立交 1 座、主线桥梁 6 座、主线涵洞 6 道、主线通道 7 道和别离式立交 1 处。主要工程数量情况见下表 1~表 4:表 1 主要工程工程情况表项 目单位数量备注路线长度km断链长 m计价土石方m317554791精品文档---下载后可任意编辑路基排水防护工程m3桥梁中桥m/座小桥m/座68/2涵洞道6路线交叉互通式立体交叉处1大旺互通别离式立体交叉m/处通道道72精品文档---下载后可任意编辑表 2 主线路基工程数量表序号工程名称单位数量备注1场地清理km2挖土方m349493路基填筑m313330394台背回填砂m3软土地基处理1挖运淤泥m31299452预应力砼管桩m1721393挤密砂桩m616394砂垫层m31701985土工格栅m33792496土工布m3712017袋装砂井m43038648塑料排水板m209766试验路段防护工程1砼挡土墙m32浆砌石护坡m33坡面植草m284523排水工程1边沟m2急流槽m23精品文档---下载后可任意编辑表 3 主线桥涵工程数量表序 号工程名称单位数 量备注1φm/根992/402φm/根4112/1523φm/根1418/484C2...

1、当您付费下载文档后,您只拥有了使用权限,并不意味着购买了版权,文档只能用于自身使用,不得用于其他商业用途(如 [转卖]进行直接盈利或[编辑后售卖]进行间接盈利)。
2、本站所有内容均由合作方或网友上传,本站不对文档的完整性、权威性及其观点立场正确性做任何保证或承诺!文档内容仅供研究参考,付费前请自行鉴别。
3、如文档内容存在违规,或者侵犯商业秘密、侵犯著作权等,请点击“违规举报”。

碎片内容

施工组织设计(文字说明)

您可能关注的文档

确认删除?
VIP
微信客服
  • 扫码咨询
会员Q群
  • 会员专属群点击这里加入QQ群
客服邮箱
回到顶部