电脑桌面
添加小米粒文库到电脑桌面
安装后可以在桌面快捷访问

6m拉森钢板桩计算书2

6m拉森钢板桩计算书2_第1页
1/32
6m拉森钢板桩计算书2_第2页
2/32
6m拉森钢板桩计算书2_第3页
3/32
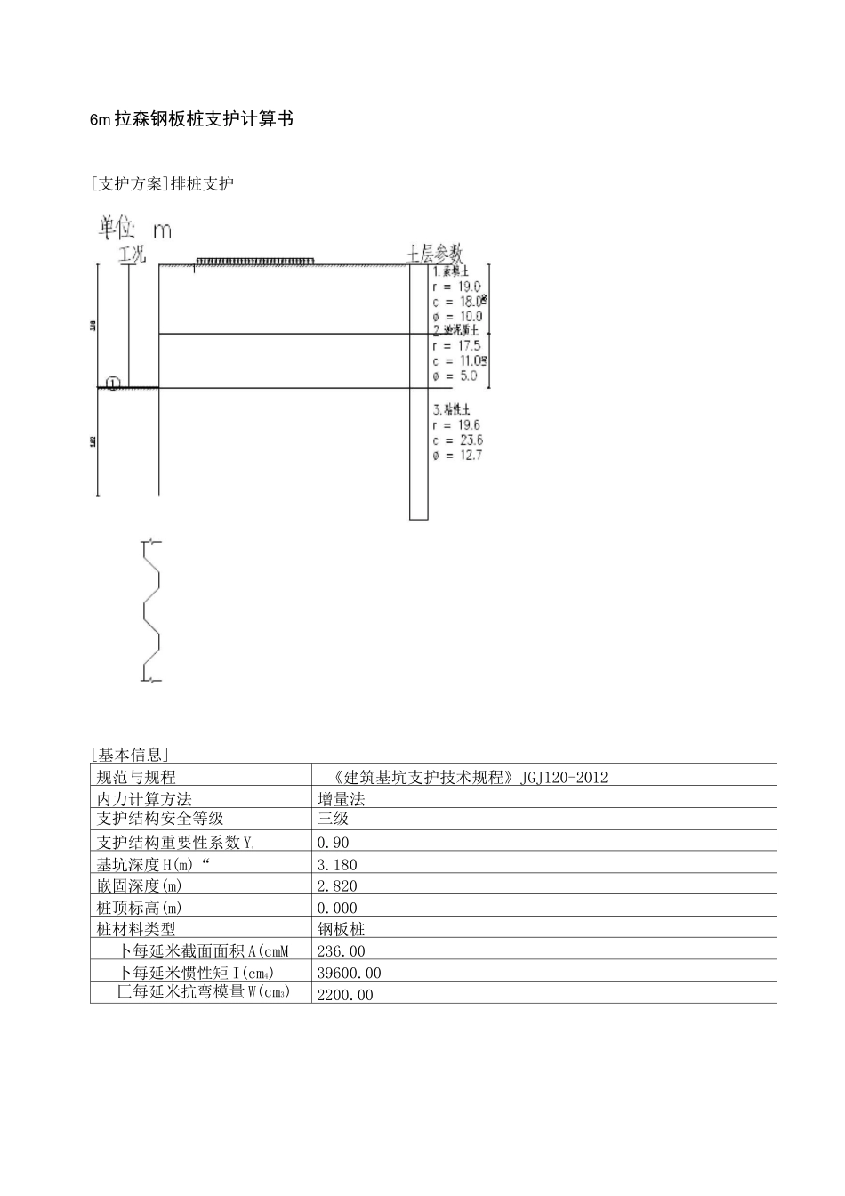
6m 拉森钢板桩支护计算书[支护方案]排桩支护[基本信息]规范与规程《建筑基坑支护技术规程》JGJ120-2012内力计算方法增量法支护结构安全等级三级支护结构重要性系数 Y00.90基坑深度 H(m)“3.180嵌固深度(m)2.820桩顶标高(m)0.000桩材料类型钢板桩卜每延米截面面积 A(cmM236.00卜每延米惯性矩 I(cm4)39600.00匚每延米抗弯模量 W(cm3)2200.001-抗弯 f(Mpa)215有无冠梁无放坡级数0超载个数1支护结构上的水平集中力0[超载信息]超载序号类型超载值(kPa,kN/m)作用深度(m)作用宽度(m)距坑边距(m)形式长度(m)1UIU30.0000.0003.0001.000条形—[附加水平力信息]水平力作用类型水平力值作用深度是否参与是否参与序号(kN)(m)倾覆稳定整体稳定[土层信息]土层数3坑内加固土否内侧降水最终深度(m)20.000外侧水位深度(m)20.000弹性计算方法按土层指定X弹性法计算方法m 法基坑外侧土压力计算方法主动[土层参数]层号土类名称层厚(m)重度(kN/m3)浮重度(kN/m3)粘聚力(kPa)内摩擦角(度)1素填土1.8019.0—18.0010.002淤泥质土1.4017.5—11.005.003粘性土3.8019.6—23.6012.70层号与锚固体摩擦阻力(kPa)粘聚力水下(kPa)内摩擦角水下(度)水土计算方法m,c,K 值抗剪强度(kPa)10.1———m 法2.80—20.1———m 法1.10—30.1———m 法4.32—弹性法土压力模型:经典法土压力模型:411吉.\\/\[土压力模型及系数调整]层号土类名称水土水压力调整系数外侧土压力调整系数 1外侧土压力调整系数 2内侧土压力调整系数内侧土压力最大值(kPa)1素填土合算1.0001.0001.0001.00010000.0002淤泥质土分算1.0001.0001.0001.00010000.0003粘性土合算1.0001.0001.0001.00010000.000[工况信息]工况号工况类型深度(m)支锚道号1开挖3.180—[设计结果][结构计算]各工况:ur畑、\3.18m3.18m懈歐 mini斗磁臟址側麒105rrimWM15"rnm野瀬童 69nim[截面计算][截面参数]弯矩折减系数0.85剪力折减系数1.00荷载分项系数1.25[内力取值]段号内力类型弹性法计算值经典法计算值内力设计值内力实用值基坑内侧最大弯矩(kN.m)0.000.000.000.001基坑外侧最大弯矩(kN.m)64.5454.5161.7261.72最大剪力(kN)54.8448.6661.6961.69[截面验算]基坑内侧抗弯验算(不考虑轴力)onei=Mn/Wx=0.000/(2200.000*10-6)=0.000(MPa)

1、当您付费下载文档后,您只拥有了使用权限,并不意味着购买了版权,文档只能用于自身使用,不得用于其他商业用途(如 [转卖]进行直接盈利或[编辑后售卖]进行间接盈利)。
2、本站所有内容均由合作方或网友上传,本站不对文档的完整性、权威性及其观点立场正确性做任何保证或承诺!文档内容仅供研究参考,付费前请自行鉴别。
3、如文档内容存在违规,或者侵犯商业秘密、侵犯著作权等,请点击“违规举报”。

碎片内容

6m拉森钢板桩计算书2

您可能关注的文档

wxg+ 关注
实名认证
内容提供者

该用户很懒,什么也没介绍

相关文档

确认删除?
微信客服
  • 扫码咨询
会员Q群
  • 会员专属群点击这里加入QQ群