电脑桌面
添加小米粒文库到电脑桌面
安装后可以在桌面快捷访问

最新XXXX建筑工程平行检验记录表

最新XXXX建筑工程平行检验记录表_第1页
1/144
最新XXXX建筑工程平行检验记录表_第2页
2/144
最新XXXX建筑工程平行检验记录表_第3页
3/144
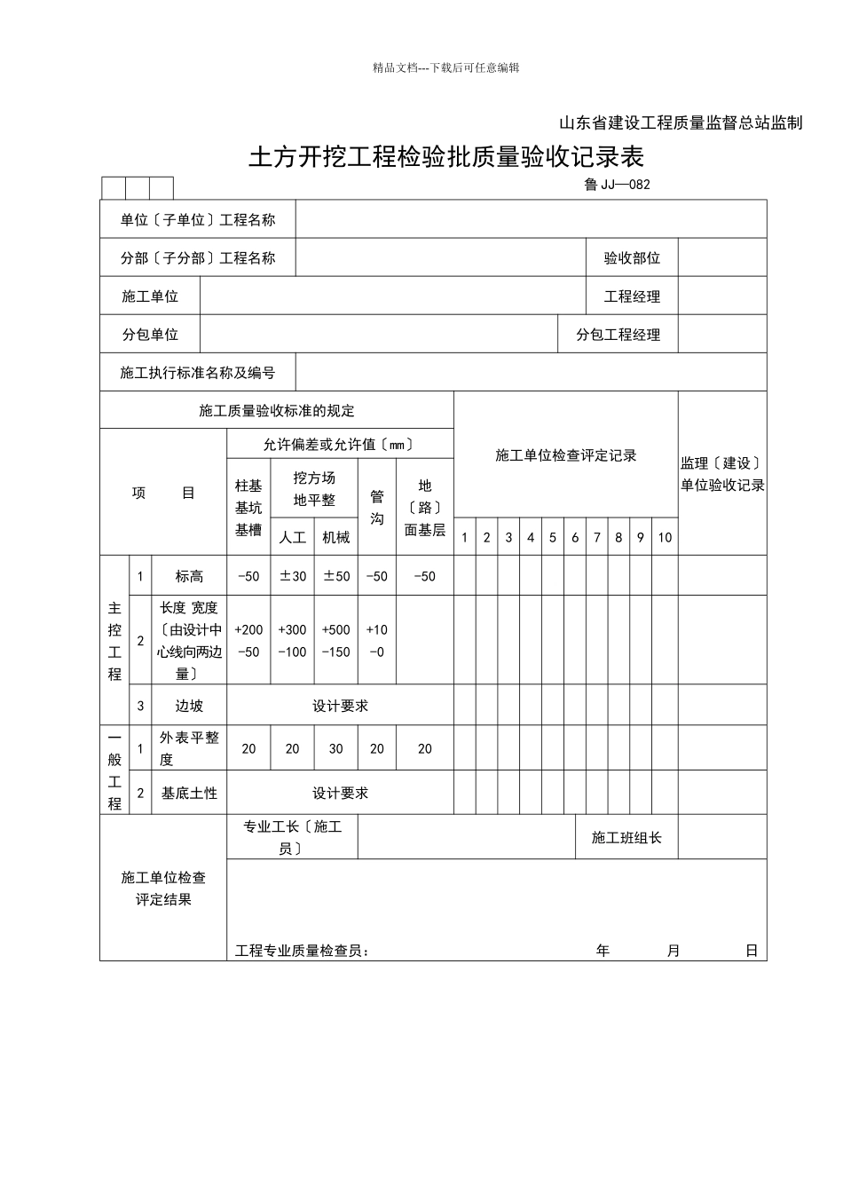
精品文档---下载后可任意编辑 分项工程质量验收记录工程名称结构类型检验批数施工单位工程经理工程技术负责人分包单位 分包单位负责人分包工程经理序号检验批部位、区段施工单位评定结果监理〔建设〕单位验收结论123456789101112131415检查结论工程专业技术负责人: 年 月 日验收结论监理工程师:〔建设单位工程技术负责人〕年 月 日注:本表由施工工程专业质量检查员填写。鲁 JJ—081精品文档---下载后可任意编辑山东省建设工程质量监督总站监制土方开挖工程检验批质量验收记录表单位〔子单位〕工程名称分部〔子分部〕工程名称验收部位施工单位工程经理分包单位分包工程经理施工执行标准名称及编号施工质量验收标准的规定施工单位检查评定记录监理〔建设〕单位验收记录项 目允许偏差或允许值〔mm〕柱基基坑基槽挖方场地平整管沟地〔路〕面基层人工机械12345678910主控工程1标高-50±30±50-50-502长度 宽度〔由设计中心线向两边量〕+200-50+300-100+500-150+10-03边坡设计要求一般工程1外表平整度20203020202基底土性设计要求施工单位检查评定结果专业工长〔施工员〕施工班组长工程专业质量检查员: 年 月 日鲁 JJ—082精品文档---下载后可任意编辑监理〔建设〕单位验收结论专业监理工程师:〔建设单位工程专业技术负责人〕: 年 月 日注:地〔路〕面基层的偏差只适用于直接在挖、填方上做地〔路〕面的基层。山东省建设工程质量监督总站监制土方回填工程检验批质量验收记录表单位〔子单位〕工程名称分部〔子分部〕工程名称验收部位施工单位工程经理分包单位分包工程经理施工执行标准名称及编号施工质量验收标准的规定施工单位检查评定记录监理〔建设〕单位验收记录项 目允许偏差或允许值〔mm〕柱基基坑基槽场地平整管沟地〔路〕面基层人工机械12345678910主控工程1标高-50±30±50-50-502分层压实系数一般工程1回填土料2分层厚度及含水量3 外表平整度2020302020施工单位检查专业工长〔施工员〕施工班组长鲁 JJ—083精品文档---下载后可任意编辑评定结果工程专业质量检查员: 年 月 日监理〔建设〕单位验收结论专业监理工程师:〔建设单位工程专业技术负责人〕: 年 月 日注:地〔路〕面基层的偏差只适用于直接在挖、填方上做地〔路〕面的基层。山东省建设工程质量监督总站监制排桩支护工程检验批质量验收记录表〔Ⅰ〕钢板桩单位〔子单位〕工程名称分部〔子分部〕工程名称验收部位施工单位工程经理分包单位分包工程经理...

1、当您付费下载文档后,您只拥有了使用权限,并不意味着购买了版权,文档只能用于自身使用,不得用于其他商业用途(如 [转卖]进行直接盈利或[编辑后售卖]进行间接盈利)。
2、本站所有内容均由合作方或网友上传,本站不对文档的完整性、权威性及其观点立场正确性做任何保证或承诺!文档内容仅供研究参考,付费前请自行鉴别。
3、如文档内容存在违规,或者侵犯商业秘密、侵犯著作权等,请点击“违规举报”。

碎片内容

最新XXXX建筑工程平行检验记录表

您可能关注的文档

确认删除?
VIP
微信客服
  • 扫码咨询
会员Q群
  • 会员专属群点击这里加入QQ群
客服邮箱
回到顶部