电脑桌面
添加小米粒文库到电脑桌面
安装后可以在桌面快捷访问

技术复核记录

技术复核记录_第1页
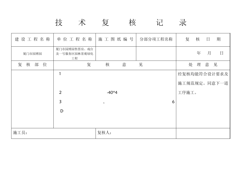
1/13
技术复核记录_第2页
2/13
技术复核记录_第3页
3/13
技 术 复 核 记 录 建 设 工 程 名 称 单 位 工 程 名 称 施 工 图 纸 编 号 分部分项工程名称 复 核 日 期 厦门市园博园 厦门市园博园售票房、戏台及一号服务区园林景观绿化工程 电气接地装置 年 月 日 复 核 部 位 复 核 意 见 处 理 意 见 戏台基础地梁 1、经复核利用基础地梁底两主筋通长焊接成闭路环网做接地体,无漏焊现象。 2、等电位箱等重复接地用-40*4 镀锌扁钢从接地体中焊接引出。 3、所有焊缝平整、饱满,无虚焊、咬肉、夹渣现象,焊接长度 6倍 D ,双面施焊,并清除焊渣。 经复核均能符合设计要求及施工规范规定。同意下一道工序施工。 施工员: 复核人: 福建省建设工程质量监督总站监制 技 术 复 核 记 录 建 设 工 程 名 称 单 位 工 程 名 称 施 工 图 纸 编 号 分部分项工程名称 复 核 日 期 厦门市园博园 厦门市园博园售票房、戏台及一号服务区园林景观绿化工程 电气 照明安装 年 月 日 复 核 部 位 复 核 意 见 处 理 意 见 戏台 经复核该平面电气强、弱电管盒布置合理、顺直,按图施工。 1、pvc 电管规格及试用场所合符合设计要求。 2、灯头盒就位准确,管子入盒顺直,护口齐全、管口光滑专用配件连接牢固。管子交叉处保护层大于 3cm。 3、管的弯曲半径及弯扁度符合施工规范的规定,向上管口临时封堵严密。 4、给排水管道预留数量尺寸符合要求。 经复核均能符合设计要求及施工规范规定。同意下一道工序施工。 施工员: 复核人: 福建省建设工程质量监督总站监制 技 术 复 核 记 录 建 设 工 程 名 称 单 位 工 程 名 称 施 工 图 纸 编 号 分部分项工程名称 复 核 日 期 厦门市园博园 厦门市园博园售票房、戏台及一号服务区园林景观绿化工程 电气 照明安装 年 月 日 复 核 部 位 复 核 意 见 处 理 意 见 屋面板电气配管 经复核该平面电气强、弱电管盒布置合理、顺直,按图施工。 1、pvc 电管规格及试用场所合符合设计要求。 2、灯头盒就位准确,管子入盒顺直,护口齐全、管口光滑专用配件连接牢固。管子交叉处保护层大于 3cm。 经复核均能符合设计要求及施工规范规定。同意下一道工序施工。 施工员: 复核人: 福建省建设工程质量监督总站监制 技 术 复 核 记 录 建 设 工 程 名 称 单 位 工 程 名 称 施 工 图 ...

1、当您付费下载文档后,您只拥有了使用权限,并不意味着购买了版权,文档只能用于自身使用,不得用于其他商业用途(如 [转卖]进行直接盈利或[编辑后售卖]进行间接盈利)。
2、本站所有内容均由合作方或网友上传,本站不对文档的完整性、权威性及其观点立场正确性做任何保证或承诺!文档内容仅供研究参考,付费前请自行鉴别。
3、如文档内容存在违规,或者侵犯商业秘密、侵犯著作权等,请点击“违规举报”。

碎片内容

技术复核记录

小辰3+ 关注
实名认证
内容提供者

出售各种资料和文档

确认删除?
VIP
微信客服
  • 扫码咨询
会员Q群
  • 会员专属群点击这里加入QQ群
客服邮箱
回到顶部