电脑桌面
添加小米粒文库到电脑桌面
安装后可以在桌面快捷访问

XX省XX高速公路曲阳至肃宁段VIP免费

XX省XX高速公路曲阳至肃宁段_第1页
1/35
XX省XX高速公路曲阳至肃宁段_第2页
2/35
XX省XX高速公路曲阳至肃宁段_第3页
3/35
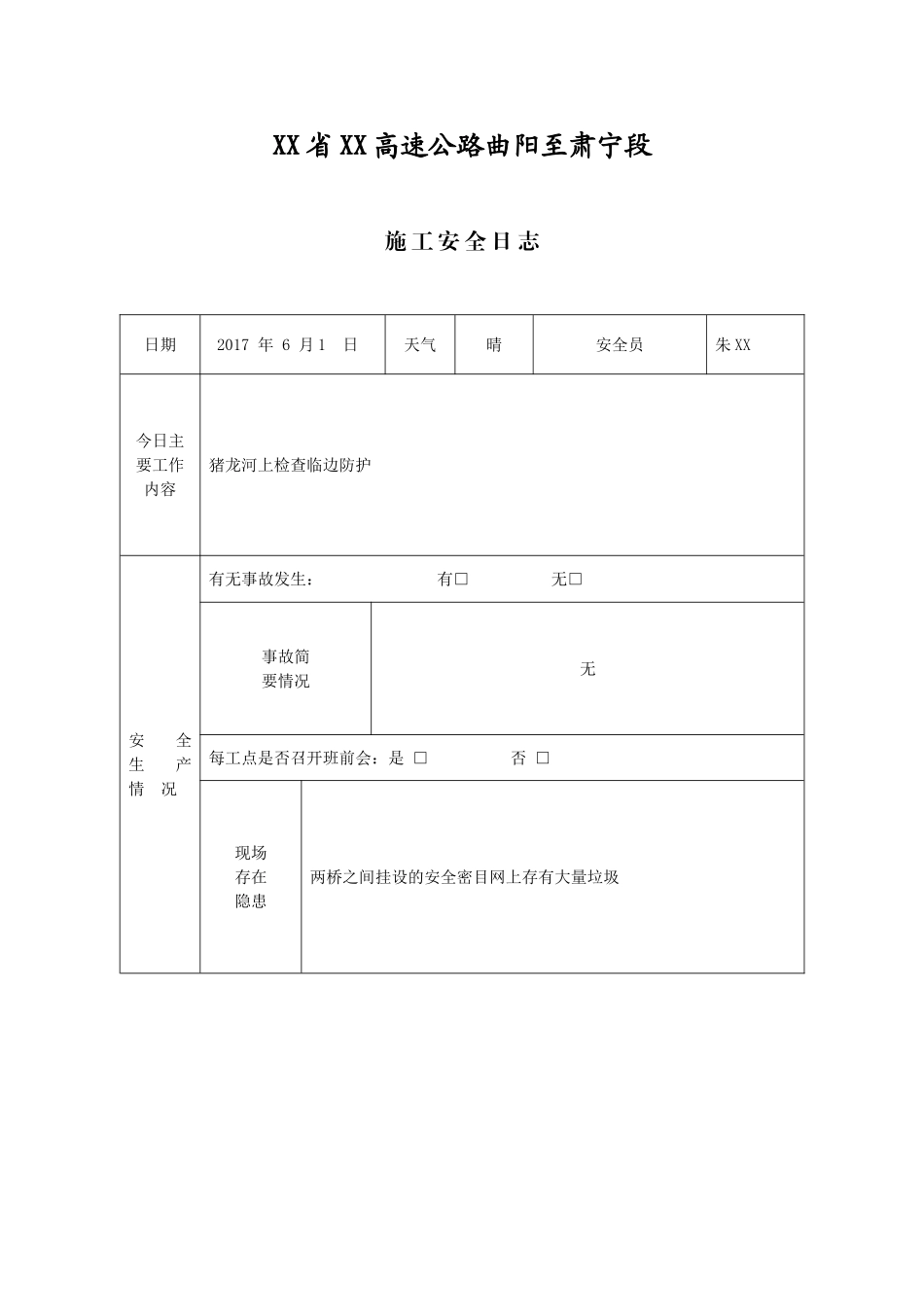
XX省XX高速公路曲阳至肃宁段施工安全日志日期2017年6月1日天气晴安全员朱XX今日主要工作内容猪龙河上检查临边防护安全生产情况有无事故发生:有□无□事故简要情况无每工点是否召开班前会:是□否□现场存在隐患两桥之间挂设的安全密目网上存有大量垃圾隐患整改情况安排人员清理垃圾,并对其进行安全教育XX省XX高速公路曲阳至肃宁段施工安全日志日期2017年6月2日天气晴安全员朱XX今日主要工作内容检查猪龙河大桥的安全用电安全生产情况有无事故发生:有□无□事故简要情况无每工点是否召开班前会:是□否□现场存在隐患桥上几处电闸箱,存在不规范现象,有乱拉电线现象。隐患整改情况安排专业人员进行整改,临时用电,更换不合格电闸箱,并对现场人员进行安全教育。XX省XX高速公路曲阳至肃宁段施工安全日志日期2017年6月3日天气晴安全员朱XX今日主要工作内容到钢筋加工厂检查人员劳动防护临时用电设备安全。安全有无事故发生:有□无□生产情况事故简要情况无每工点是否召开班前会:是□否□现场存在隐患钢筋加工厂,个别人员没有佩戴安全帽隐患整改情况要求其佩戴安全帽,并对其进行安全教育XX省XX高速公路曲阳至肃宁段施工安全日志日期2017年6月4日天气晴安全员朱XX今日主要工作内容整理安全资料安全生产情况有无事故发生:有□无□事故简要情况无每工点是否召开班前会:是□否□现场存在隐患无隐患整改情况无XX省XX高速公路曲阳至肃宁段施工安全日志日期2017年6月5日天气晴安全员朱XX今日主要工作内容检查全标段大小构造物,及便道,警示用品及安全标牌。安全生产情况有无事故发生:有□无□事故简要情况无每工点是否召开班前会:是□否□现场存在隐患检查中发现多个道口爆闪灯丢失,桥下围挡丢失隐患整改情况安排人员进行增补,确保施工人员,过道车辆的安全XX省XX高速公路曲阳至肃宁段施工安全日志日期2017年6月6日天气晴安全员朱XX今日主要工作内容检查泥浆池深基坑的安全围挡情况安全生产情况有无事故发生:有□无□事故简要情况无每工点是否召开班前会:是□否□现场存在隐患部分围挡丢失隐患整改情况安排负责人将丢失的围挡及时进行补充XX省XX高速公路曲阳至肃宁段施工安全日志日期2017年6月7日天气晴安全员朱XX今日主要工作内容检查全标段的安全警示牌安全生产情况有无事故发生:有□无□事故简要情况无每工点是否召开班前会:是□否□现场存在隐患路边百米桩丢失情况严重隐患整改情况立即要求相关负责人进行补充XX省XX高速公路曲阳至肃宁段施工安全日志日期2017年6月8日天气晴安全员朱XX今日主要工作内容迎接安检局来工地检查安全生产情况有无事故发生:有□无□事故简要情况无每工点是否召开班前会:是□否□现场存在隐患部分新进场人员没有进行安全教育隐患整改情况对新进场人员进行安全教育XX省XX高速公路曲阳至肃宁段施工安全日志日期2017年6月9日天气晴安全员朱XX今日主要工作内容检查安全体验馆的施工情况安全有无事故发生:有□无□生产情况事故简要情况无每工点是否召开班前会:是□否□现场存在隐患无隐患整改情况无XX省XX高速公路曲阳至肃宁段施工安全日志日期2017年6月10日天气晴安全员朱XX今日主要工作内容猪龙河特大桥,检查安全。安全生产情况有无事故发生:有□无□事故简要情况无每工点是否召开班前会:是□否□现场存在隐患猪龙河大桥的负责人安全意识不足隐患整改情况对猪龙河大桥的负责人进行安全教育XX省XX高速公路曲阳至肃宁段施工安全日志日期2017年6月11日天气晴安全员朱XX今日主要工作内容检查文明施工情况安全生产情况有无事故发生:有□无□事故简要情况无每工点是否召开班前会:是□否□现场存在隐患猪龙河特大桥施工处,两桥中间有垃圾,存在安全隐患隐患整改情况通知施工队负责人立即对垃圾进行清理XX省XX高速公路曲阳至肃宁段施工安全日志日期2017年6月12日天气晴安全员朱XX今日主要工作内容检查安全体验馆安装情况及防汛物资的数量情况安全生产情况有无事故发生:有□无□事故简要情况无每工点是否召开班前会:是□否□现场存在隐患防汛物资数量不足隐患整改情况补充采购28铁锨XX省XX高速公路曲阳至肃宁段施工安全日志日期2017年6月13日...

1、当您付费下载文档后,您只拥有了使用权限,并不意味着购买了版权,文档只能用于自身使用,不得用于其他商业用途(如 [转卖]进行直接盈利或[编辑后售卖]进行间接盈利)。
2、本站所有内容均由合作方或网友上传,本站不对文档的完整性、权威性及其观点立场正确性做任何保证或承诺!文档内容仅供研究参考,付费前请自行鉴别。
3、如文档内容存在违规,或者侵犯商业秘密、侵犯著作权等,请点击“违规举报”。

碎片内容

XX省XX高速公路曲阳至肃宁段

确认删除?
VIP
微信客服
  • 扫码咨询
会员Q群
  • 会员专属群点击这里加入QQ群
客服邮箱
回到顶部