电脑桌面
添加小米粒文库到电脑桌面
安装后可以在桌面快捷访问

某大厦智能化工程施工组织设计

某大厦智能化工程施工组织设计_第1页
1/11
某大厦智能化工程施工组织设计_第2页
2/11
某大厦智能化工程施工组织设计_第3页
3/11
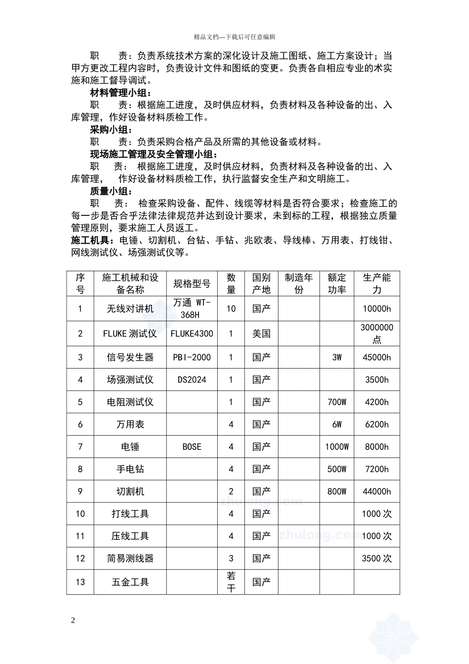
精品文档---下载后可任意编辑施工组织设计一.编制依据 建设部有关智能化系统标准文件及等级要求。招标文件要求。工程合同范本的要求。智能化系统工程施工图。工程概、预算和施工组织计划。国家有关工程质量法律法律规范。本公司的资质、技术、人力、资金等保证条件二.施工组织管理机构为保证智能化系统工程高效、高质、顺利而有序地进行,我公司专门成立该项目领导小组,抽调精锐的技术力量和专业的施工队伍,投入智能化系统工程的施工组织机构。公司对该项目成立项目小组,专门负责智能化工程。集中精力针对具体系统进行初始方案审订、确认、合同执行、安装调试管理等。确保系统工程的可靠实施,顺利、优质完成。该项目组长由公司主要负责人担任,有多年智能化系统经验工程师担任该项目的总工程师,项目组成员由公司的工程人员担任,各自执行项目管理、合同管理、工程实施和管理等任务。三.项目部主要人员安排及施工机具智能化系统工程领导小组:组 长:组 员:职 责:负责整个智能化系统项目在人员、技术、资金等各方面的统筹规划,对重大事情的讨论决策,指挥调度。工程总负责人:职 责:协调各方关系,组织属下各设计、施工、QC、材料等小组的工作,不断优化管控程序,加强动态管理,有效推行全面质量安全两个保证体系,创全优工程,保证项目按时完工。技术总监:职 责:负责项目、系统的技术把关,总体方案和分系统设计的审定,设备选型及深化设计方案的调整。工程总监:职 责:负责整个工程的实施,依据业主的总体进度要求,拟定具体工程实施计划,调配现场所需设备、器材,协调各专业之间的接口,督导安全文明施工及其质量。工程监理:职 责:负责整个工程的实施,依据业主的总体进度要求,拟定具体工程实施计划,调配现场所需设备、器材,协调各专业之间的接口,督导安全文明施工及其质量。施工队长:职 责:负责工程按预定的工程方案进行实施,管理现场施工人员,协调现场各施工队伍之间的关系,指导现场作业。设计小组: 1精品文档---下载后可任意编辑职 责:负责系统技术方案的深化设计及施工图纸、施工方案设计;当甲方更改工程内容时,负责设计文件和图纸的变更。负责各自相应专业的术实施和施工督导调试。材料管理小组:职 责:根据施工进度,及时供应材料,负责材料及各种设备的出、入库管理,作好设备材料质检工作。采购小组:职 责:负责采购合格产品及所需的其他设备或材料。现场施工管理及安全管理小组:职 责: ...

1、当您付费下载文档后,您只拥有了使用权限,并不意味着购买了版权,文档只能用于自身使用,不得用于其他商业用途(如 [转卖]进行直接盈利或[编辑后售卖]进行间接盈利)。
2、本站所有内容均由合作方或网友上传,本站不对文档的完整性、权威性及其观点立场正确性做任何保证或承诺!文档内容仅供研究参考,付费前请自行鉴别。
3、如文档内容存在违规,或者侵犯商业秘密、侵犯著作权等,请点击“违规举报”。

碎片内容

某大厦智能化工程施工组织设计

您可能关注的文档

确认删除?
VIP
微信客服
  • 扫码咨询
会员Q群
  • 会员专属群点击这里加入QQ群
客服邮箱
回到顶部