电脑桌面
添加小米粒文库到电脑桌面
安装后可以在桌面快捷访问

排水硬聚氯乙烯(PVCU管的安装)

排水硬聚氯乙烯(PVCU管的安装)_第1页
1/11
排水硬聚氯乙烯(PVCU管的安装)_第2页
2/11
排水硬聚氯乙烯(PVCU管的安装)_第3页
3/11
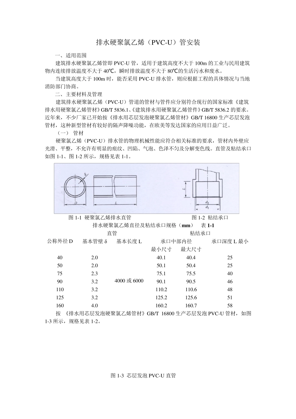
排水硬聚氯乙烯(PVC-U)管安装 一、 适用范围 建筑排水硬聚氯乙烯管即 PVC-U 管,适用于建筑高度不大于 100m 的工业与民用建筑物内连续排放温度不大于 40℃,瞬时排放温度不大于 80℃的生活污水和废水。 当建筑高度大于 100m 时,能否采用 PVC-U 排水管,则应根据工程的具体情况与当地消防部门协商。 二、 主要材料及管理 建筑排水硬聚氯乙烯(PVC-U)管道的管材与管件应分别符合现行的国家标准《建筑排水用硬聚氯乙烯管材》GB/T 5836.1、《建筑排水用硬聚氯乙烯管件》GB/T 5836.2 的要求。近年来,不少厂家已开始按《排水用芯层发泡硬聚氯乙烯管材》GB/T 16800 生产芯层发泡管材,这种新型管材有较好的隔声降噪功能,在欧美等发达国家的应用日益广泛。 (一) 管材 硬聚氯乙烯(PVC-U)排水管的物理机械性能应符合相关标准的要求,管材内外壁应光滑、平整,不允许有明显的痕纹、凹陷、气泡、色泽不匀及分解变色线。直管及粘结承口如图1-1、图1-2 所示,规格见 表 1-1。 图1-1 硬聚氯乙烯排水直管 图1-2 粘结承口 排水硬聚氯乙烯直径 及粘结承口规格(m m ) 表 1-1 公 称 外径 D 直管 粘结承口 基 本 管壁δ 基 本 长 度 L 承口中 部内径 承口深 度 L 最 小 最 小 尺 寸 最 大尺 寸 40 2.0 4000 或 6000 40.1 40.4 25 50 2.0 50.1 50.4 25 75 2.3 75.1 75.5 40 90 3.2 90.1 90.5 46 110 3.2 110.2 110.6 48 125 3.2 125.2 125.6 51 160 4.0 160.2 160.7 58 按 《排水用芯层发泡硬聚氯乙烯管材》GB/T 16800 生产芯层发泡 PVC-U 管材,如图1-3 所示,规格见 表 1-2。 图1-3 芯层发泡 PVC-U 直管 芯层发泡PVC-U 直管规格(mm) 表1-2 产品编号 公称直径 de 规格 有效长度L 承口长度Lc 壁厚e 401.2.1F 401.3.1F 401.4.1F 401.6.1F 50 75 110 160 4000 4000 4000 4000 34 47 61 86 2.0 3.0 3.0 4.0 注:管材配用GB/T 5836 系列管件 (二) 管件 1.弯头。PVC-U 管件常用45°弯头、90°弯头,如图 1-4 所示,其规格见表1-3。 图 1-4 弯头 (a)45°弯头;(b)90°弯头 45°、90°弯头规格尺寸(mm) 表1-3 公称外径 D 45°弯头 90°弯头 Z L Z L 50 75 90 110 125 160 12 17 22 25 29 36 37 57 68 73 80 94 40 50 52 70 72 90 65 90 98 11...

1、当您付费下载文档后,您只拥有了使用权限,并不意味着购买了版权,文档只能用于自身使用,不得用于其他商业用途(如 [转卖]进行直接盈利或[编辑后售卖]进行间接盈利)。
2、本站所有内容均由合作方或网友上传,本站不对文档的完整性、权威性及其观点立场正确性做任何保证或承诺!文档内容仅供研究参考,付费前请自行鉴别。
3、如文档内容存在违规,或者侵犯商业秘密、侵犯著作权等,请点击“违规举报”。

碎片内容

排水硬聚氯乙烯(PVCU管的安装)

确认删除?
VIP
微信客服
  • 扫码咨询
会员Q群
  • 会员专属群点击这里加入QQ群
客服邮箱
回到顶部