电脑桌面
添加小米粒文库到电脑桌面
安装后可以在桌面快捷访问

接触网基础知识总结

接触网基础知识总结_第1页
1/11
接触网基础知识总结_第2页
2/11
接触网基础知识总结_第3页
3/11
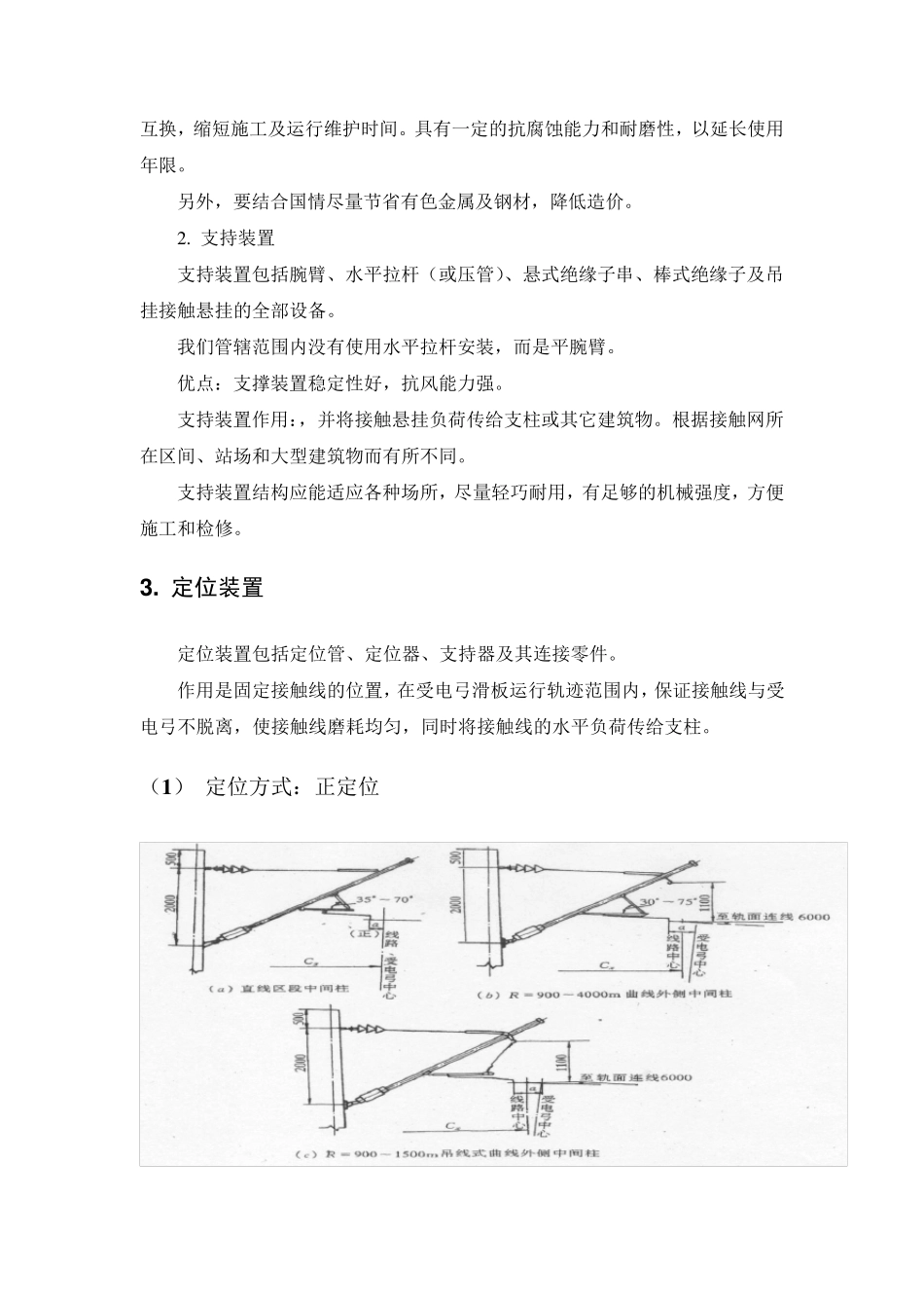
一、接触网的组成 接触网是沿铁路上空架设的一条特殊形式的输电线路,它由接触悬挂、支持装置、定位装置、支柱与基础等几部分组成,如下图所示。 1 . 接触悬挂 接触悬挂包括接触线,吊弦,承力索和补偿器及连接零件,接触悬挂通过支持装置架设在支柱上,其作用是将从牵引变电所获得的电能输送给电力机车。电力机车运行时,受电弓顶部的滑板紧贴接触线摩擦取流。为了保证滑板的良好取流,接触悬挂应达到下列要求: (1 )接触悬挂的弹性应尽量均匀,即悬挂点间的导线,在受电弓抬升力作用下,接触线的升高应尽量相等,且接触线在悬挂点间应无硬点存在。 (2 )接触线对轨面的高度应尽量相等,若受悬挂条件限制时,接触线高度变化应避免出现陡坡。 (3 )接触悬挂在受电弓压力及风力作用下应有良好的稳定性,即电力机车运行取流时,接触线不发生剧烈的上、下振动。在风力作用下不发生过大的横向摆动,这就要求接触线有足够的张力,并能适应气候的变化。 (4 )接触悬挂的结构及零部件应力求轻巧简单,做到标准化,以便检修和互换,缩短施工及运行维护时间。具有一定的抗腐蚀能力和耐磨性,以延长使用年限。 另外,要结合国情尽量节省有色金属及钢材,降低造价。 2 . 支持装置 支持装置包括腕臂、水平拉杆(或压管)、悬式绝缘子串、棒式绝缘子及吊挂接触悬挂的全部设备。 我们管辖范围内没有使用水平拉杆安装,而是平腕臂。 优点:支撑装置稳定性好,抗风能力强。 支持装置作用:,并将接触悬挂负荷传给支柱或其它建筑物。根据接触网所在区间、站场和大型建筑物而有所不同。 支持装置结构应能适应各种场所,尽量轻巧耐用,有足够的机械强度,方便施工和检修。 3 . 定位装置 定位装置包括定位管、定位器、支持器及其连接零件。 作用是固定接触线的位置,在受电弓滑板运行轨迹范围内,保证接触线与受电弓不脱离,使接触线磨耗均匀,同时将接触线的水平负荷传给支柱。 (1 ) 定位方式:正定位 (2 ) 定位方式:反定位 (3 ) 定位方式:软定位 软定位用于小半径曲线外侧支柱上,由弯管定位器通过两股Φ4.0 mm 镀锌铁线拧成的“软尾巴”固定在绝缘腕臂上的定位环里。软定位方式只能承受拉力,且承受拉力较大,但不能承受压力。为了防止拉力过小定位器下落,它一般用于曲线半径R≤1000 m 的曲线外侧支柱上。如下图 : (4 ) 定位方式:双定位 双定位用于锚段关节中的转换柱、中心柱、站场线岔处的道岔柱...

1、当您付费下载文档后,您只拥有了使用权限,并不意味着购买了版权,文档只能用于自身使用,不得用于其他商业用途(如 [转卖]进行直接盈利或[编辑后售卖]进行间接盈利)。
2、本站所有内容均由合作方或网友上传,本站不对文档的完整性、权威性及其观点立场正确性做任何保证或承诺!文档内容仅供研究参考,付费前请自行鉴别。
3、如文档内容存在违规,或者侵犯商业秘密、侵犯著作权等,请点击“违规举报”。

碎片内容

接触网基础知识总结

您可能关注的文档

确认删除?
VIP
微信客服
  • 扫码咨询
会员Q群
  • 会员专属群点击这里加入QQ群
客服邮箱
回到顶部