电脑桌面
添加小米粒文库到电脑桌面
安装后可以在桌面快捷访问

接触网线索参数表VIP专享

接触网线索参数表_第1页
1/6
接触网线索参数表_第2页
2/6
接触网线索参数表_第3页
3/6
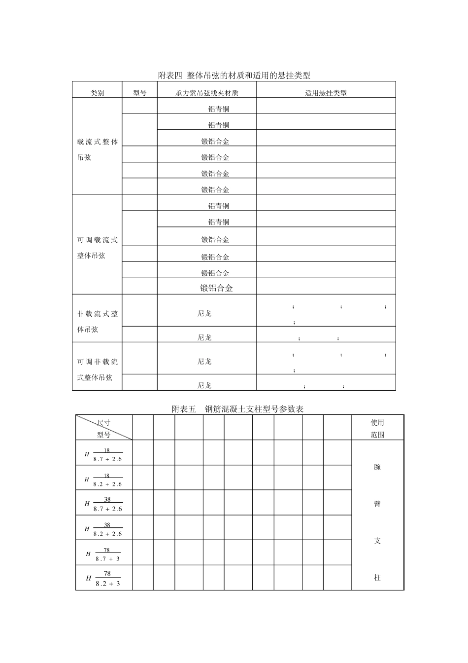
附表一 镀锌钢铰线参数表 标称 截面 股数 单股外径 钢绞线外 径 实际 截面 单位自重 标准抗拉强度不小于(Mpa) 1100 1200 1250 1400 1550 1700 破坏拉力不小于(kN) 10 7 1.4 4.2 10.77 0.923 11.80 13.40 15.0 16.6 18.30 30 7 2.4 7.2 31.34 0.2709 34.80 39.50 44.3 49.0 53.80 50 7 3.0 9.0 49.49 0.4237 54.40 61.80 69.2 76.6 10 19 0.8 4.0 9.55 0.814 30 19 1.4 7.0 29.23 0.2492 40 19 1.6 8.0 38.18 0.3253 50 19 1.8 9.0 48.32 0.4111 53.10 60.4 67.6 74.8 82.10 70 19 2.2 11.0 72.20 0.6150 79.40 90.3 101. 111. 122.5 100 19 2.6 13.0 100.8 0.8594 说明:表中面积单位为mm2,外径单位为mm,自重单位为kN/mx10-3 附表二 铜承力索参数表 型号 截面积(mm2) 股数与单股直径(mm) 计算直径(mm) 有效电阻 (Ω /km) 单位重量(KN/km) 线胀系数 x10-61/℃ 弹性模量E(Gpa) TJ-70 70 19x2.14 10.6 0.28 6.18 17 130 TJ-95 95 19x2.49 12.4 0.20 8.37 THJ-95 95 19x2.50 12.5 8.45 TJ-120 120 19x2.8 14.0 0.158 1.058 TJ-150 150 19x3.15 15.8 1.388 1.388 附表 三 接触网常用接触线性能参数表 型 号 CTHA110 CTHA120 TCG—100 TCG—85 TCG—110 AgCu120 综合拉断力不小于(kN) 39.96 41.75 35.00 30.60 43.80 抗拉强度MPa 350 306 365 接合力(kN) 直流电阻(Ω ) 0.179 0.21 0.161 0.144 载流量A(100℃) 710 750 600 550 485(80℃) 760(150℃) 线胀系数1/℃ 17.4x10-6 17x10-6 17x10-6 17x10-6 17x10-6 17x10-6 弹性系数MPa 124000 124000 126000 126000 130000 113000 最高使用温度 +150 +150 +100 +100 +100 制造长度(m) 550-2500 550-3000 550-1800 650-2000 550-1800 650-2500 标称截面mm2 110 120 100 85 120 断面几何尺寸 (mm) A:12.34 B:12.34 A:12.90 B:12.90 A:11.8 B:12.8 A:10.8 B:11.8 A:12.3 B:11.8 A:13 B:13 单位自重 0.992 1.082 0.89 0.76 0.979 1.070 注:单位自重的单位为kN/mx10-2;A、接触线高度;B、接触线宽度。直流电阻是指温度20℃时的电阻 附表四 整体吊弦的材质和适用的悬挂类型 类别 型号 承力索吊弦线夹材质 适用悬挂类型 载流式整体吊...

1、当您付费下载文档后,您只拥有了使用权限,并不意味着购买了版权,文档只能用于自身使用,不得用于其他商业用途(如 [转卖]进行直接盈利或[编辑后售卖]进行间接盈利)。
2、本站所有内容均由合作方或网友上传,本站不对文档的完整性、权威性及其观点立场正确性做任何保证或承诺!文档内容仅供研究参考,付费前请自行鉴别。
3、如文档内容存在违规,或者侵犯商业秘密、侵犯著作权等,请点击“违规举报”。

碎片内容

接触网线索参数表

确认删除?
VIP
微信客服
  • 扫码咨询
会员Q群
  • 会员专属群点击这里加入QQ群
客服邮箱
回到顶部