电脑桌面
添加小米粒文库到电脑桌面
安装后可以在桌面快捷访问

提升脚手架规程

提升脚手架规程_第1页
1/14
提升脚手架规程_第2页
2/14
提升脚手架规程_第3页
3/14
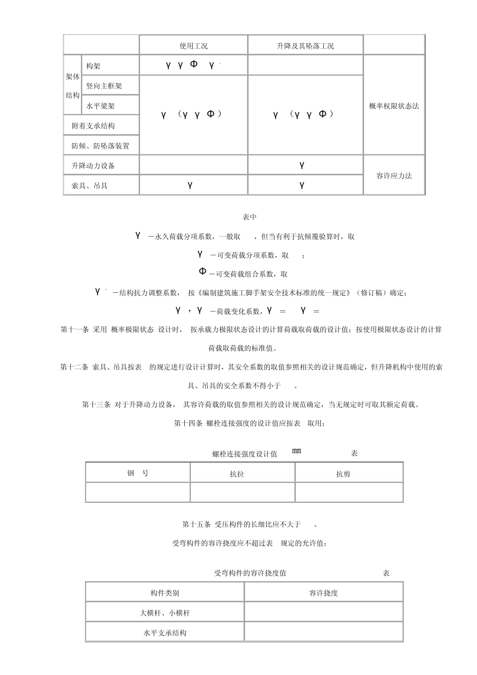
建 设 部 文 件 建建[2000]230号 关于颁布《建筑施工附着升降脚手架管理暂行规定》的通知 各省、自治区、直辖市建设厅(建委),江苏省、山东省建管局,计划单列市建委,新疆生产建设兵团建设局,国务院有关部门建设司(局),中央管理的有关总公司: 现将《建筑施工附着升降脚手架管理暂行规定》印发给你们,请结合实际,认真贯彻落实。 附件:《建筑施工附着升降脚手架管理暂行规定》 中华人民共和国建设部 2000年10月16日 建筑施工附着升降脚手架管理暂行规定 第一章 总 则 第一条 为贯彻“安全第一, 预防为主”的方针和《中华人民共和国建筑法》,加强建筑施工附着升降脚手架(以下简称“附着升降脚手架”)的管理,保证施工安全,制定本规定。 第二条 本规定适用于在高层、 超高层建筑工程结构上使用的由不同形式的架体、附着支承结构、升降设备和升降方式组成的各类附着升降脚手架。 第三条 各类附着升降脚手架的设计、制作、安装、使用和拆卸都必须执行本规定,并应遵守相关现行国家和行业的规程、规范、标准和规定。 第四条 建设部对附着升降脚手架实行统一管理。各省、自治区和直辖市的建设行政主管部门对本辖区内附着升降脚手架实施监督管理。 第二章 设计计算 第五条 附着升降脚手架的设计应执行本规定和《建筑结构荷载规范》(GBJ9)、《钢结构设计规范》(GBJ17)、《冷弯薄壁型钢结构技术规范》 (GBJ18)、《混凝土结构设计规范》 (GBJ10)、《编制建筑施工脚手架安全技术标准的统一规定》(修订稿)以及其它有关标准。 第六条 附着升降脚手架的架体结构和附着支承结构应按“概率极限状态法”进行设计计算, 承载力设计表达式为: γOS≤R 式中:γO-结构重要性系数,取 0.9; S-荷载效应; R-结构抗力。 第七条 附着升降脚手架升降结构中的升降动力设备、吊具、索具,按“容许应力设计法”进行设计计算,执行本规定和有关起重吊装的现行规范,计算表达式为: σ ≤〔σ 〕 式中:σ -设计应力 〔σ 〕-容许应力 第八条 附着升降脚手架的各组成部分应按其结构形式、工作状态和受力情况,分别确定在使用、升降和坠落三种不同状况下的计算简图,并按最不利情况进行计算和验算。必要时应通过整体模型试验验证脚手架架体结构的设计承载能力。 第九条 附着升降脚手架设计中荷载标准值应分使用、升降及坠落三种状况按以下规定分别确定: 1. 恒载标准值GK 包括架体...

1、当您付费下载文档后,您只拥有了使用权限,并不意味着购买了版权,文档只能用于自身使用,不得用于其他商业用途(如 [转卖]进行直接盈利或[编辑后售卖]进行间接盈利)。
2、本站所有内容均由合作方或网友上传,本站不对文档的完整性、权威性及其观点立场正确性做任何保证或承诺!文档内容仅供研究参考,付费前请自行鉴别。
3、如文档内容存在违规,或者侵犯商业秘密、侵犯著作权等,请点击“违规举报”。

碎片内容

提升脚手架规程

确认删除?
VIP
微信客服
  • 扫码咨询
会员Q群
  • 会员专属群点击这里加入QQ群
客服邮箱
回到顶部