电脑桌面
添加小米粒文库到电脑桌面
安装后可以在桌面快捷访问

提高地下室防水卷材铺贴质量(QC成果)

提高地下室防水卷材铺贴质量(QC成果)_第1页
1/12
提高地下室防水卷材铺贴质量(QC成果)_第2页
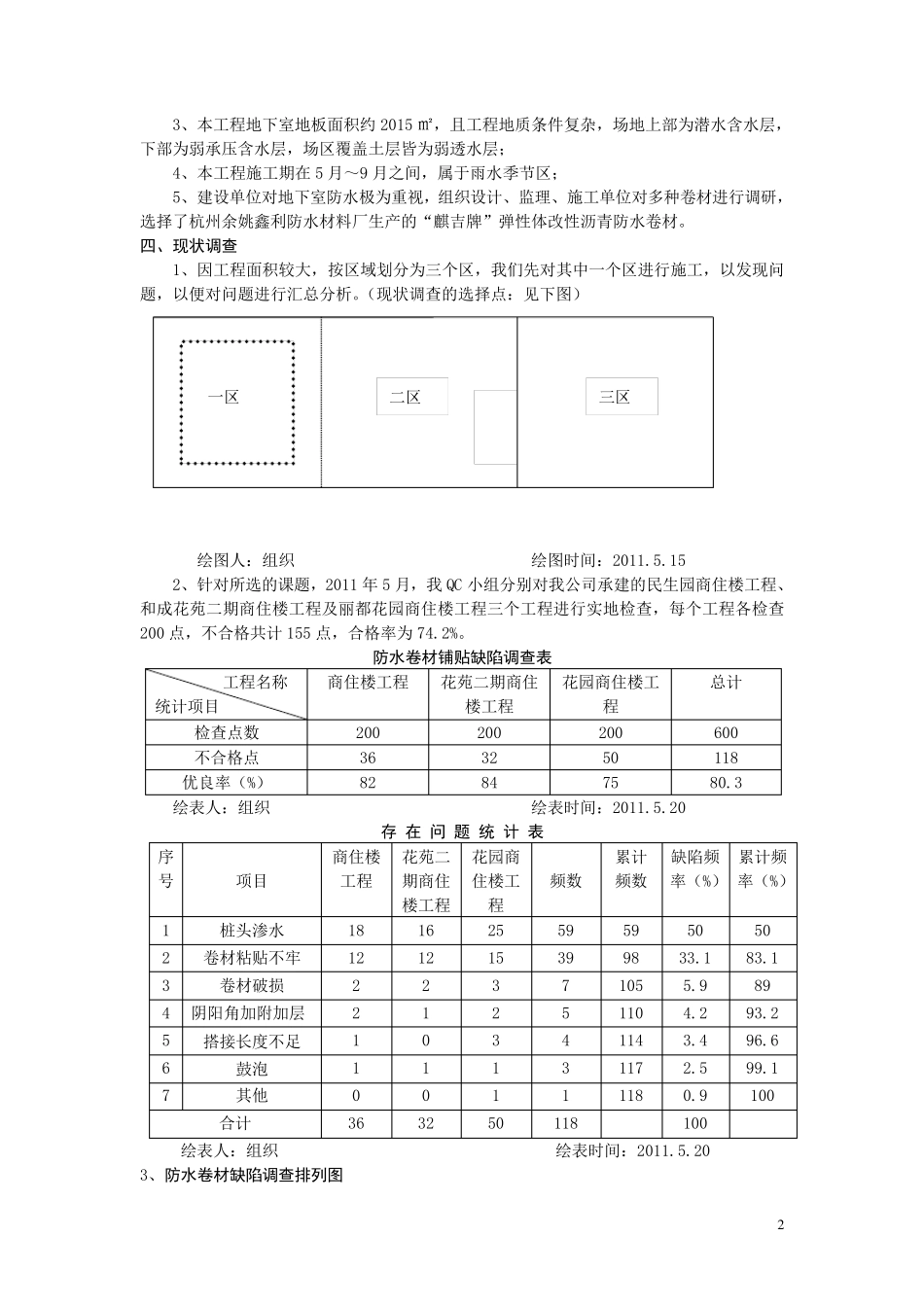
2/12
提高地下室防水卷材铺贴质量(QC成果)_第3页
3/12
1 提 高 地 下 室 防 水 卷 材 铺 贴 质 量 经 济 适 用 房 ( 二 期 ) 4#、5#、6#住宅楼工程 QC 小组 一、工程概况 经 济 适 用 房 ( 二 期 ) 4#、 5#、 6#住 宅 楼 工 程 , 位 于 新 昌 县 七 星 开 发 区 。 框 剪 结 构 , 地 上十 七 层 , 地 下 一 层 , 总 建 筑 面 积 3 6 2 6 1 .2 8 平 方 米 , 工 程 造 价 约 4800 万 。 由 城 市 建 设 资 发 展有 限 公 司 投 资 兴 建 , 规 划 建 筑 设 计 院 有 限 公 司 设 计 , 工 程 管 理 有 限 公 司 监 理 , 建 设 有 限 公 司承 建 。 本 工 程 地 上 建 筑 面 积 34247.28 平 方 米 , 地 下 室 建 筑 面 积2015 平 方 米 , 包 括 4#、 5#、6#住 宅 楼 地 下 车 库 等 。 防 水 卷 材 铺 贴 面 积 近 9000 平 方 米 , 采 用 4 ㎜ 厚 弹 性 体 改 性 沥 青 防 水卷 材 , 极 易 出 现 渗 漏 等 质 量 通 病 , 施 工 难 度 较 大 。 二、小组概况 小 组 名 称 经 济 适 用 房 ( 二 期 ) 4#、 5#、 6#住 宅 楼 工 程 QC 小 组 课 题 类 型 现 场 型 活 动 时 间 2011.5~ 2011.9 小 组 成 立 时 间 2011.5 小 组 注 册 号 ---QC-2011-06 课 题 注 册 号 序号 姓名 年龄 学历 组 内分工 职务 职称 QC 学时 1 本 科 顾问 总 工 高 级工 程 师 人均接受TQC 教育60 小 时 以上 2 大 专 组 长 项目经 理 工 程 师 3 大 专 副组 长 工 程 部主管 工 程 师 4 大 专 组 员 质 检员 工 程 师 5 大 专 组 员 总 施 工 工 程 师 6 大 专 组 员 施 工 员 技术员 7 大 专 组 员 施 工 员 技术员 8 高 中 组 员 班组 长 助工 9 大 专 组 员 资 料员 工 程 师 绘表人:组 织 绘表时 间 :2011.5.4 活 动 计 划 : 实施 项目 负责人 时 间 2011.5 2011.6 2011.7 2011.8 2011.9 P 选题 理 由 现 状调查 设 定目标 原因分析 D 制定对策 C 实施 效果检查 A 总 结 阶段 绘表人:组 织 绘表时 间 :2011.5.5 三、选题理由 1、 履行公 ...

1、当您付费下载文档后,您只拥有了使用权限,并不意味着购买了版权,文档只能用于自身使用,不得用于其他商业用途(如 [转卖]进行直接盈利或[编辑后售卖]进行间接盈利)。
2、本站所有内容均由合作方或网友上传,本站不对文档的完整性、权威性及其观点立场正确性做任何保证或承诺!文档内容仅供研究参考,付费前请自行鉴别。
3、如文档内容存在违规,或者侵犯商业秘密、侵犯著作权等,请点击“违规举报”。

碎片内容

提高地下室防水卷材铺贴质量(QC成果)

小辰5+ 关注
实名认证
内容提供者

出售各种资料和文档

确认删除?
VIP
微信客服
  • 扫码咨询
会员Q群
  • 会员专属群点击这里加入QQ群
客服邮箱
回到顶部