电脑桌面
添加小米粒文库到电脑桌面
安装后可以在桌面快捷访问

搅拌釜式反应器课程设计书

搅拌釜式反应器课程设计书_第1页
1/16
搅拌釜式反应器课程设计书_第2页
2/16
搅拌釜式反应器课程设计书_第3页
3/16
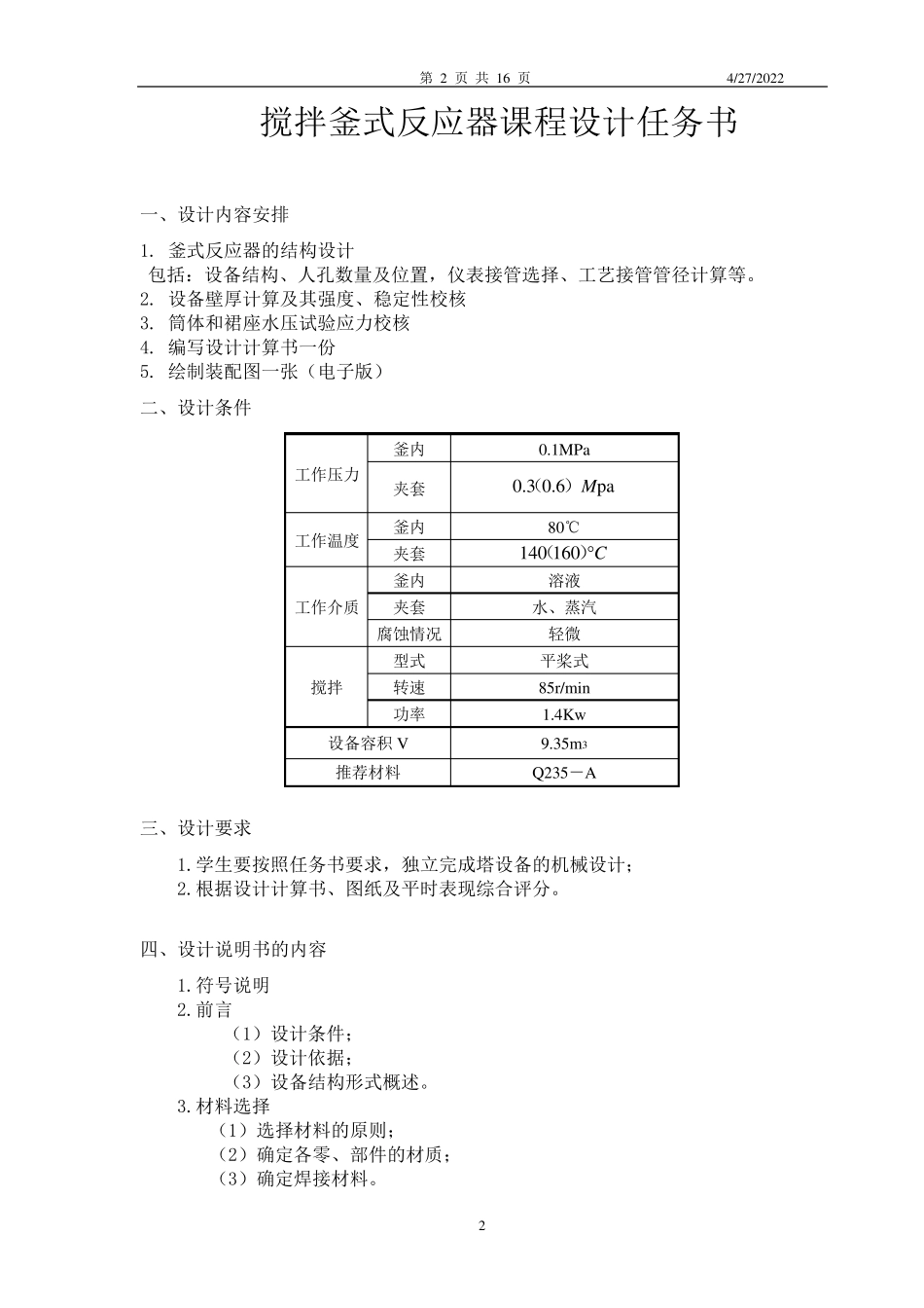
第 1 页 共 1 6 页 4 /2 7 /2 0 2 2 1 大 连 民 族 学 院 生 命 科 学 学 院 化工设备课程设计 题 目: 搅拌反应釜课程设计 * 名: ** 学 号: ********** 系 部: 化学工程系 专业班级: 化工1 4 2 指导教师: *** 时 间:2 0 1 6 .1 1 .2 1 至 2 0 1 6 .1 1 .2 8 第 2 页 共 16 页 4/27/2022 2 搅拌釜式反应器课程设计任务书 一、设计内容安排 1. 釜式反应器的结构设计 包括:设备结构、人孔数量及位置,仪表接管选择、工艺接管管径计算等。 2. 设备壁厚计算及其强度、稳定性校核 3. 筒体和裙座水压试验应力校核 4. 编写设计计算书一份 5. 绘制装配图一张(电子版) 二、设计条件 工作压力 釜内 0.1MPa 夹套 pa6.03.0M)( 工作温度 釜内 80℃ 夹套 C)(160140 工作介质 釜内 溶液 夹套 水、蒸汽 腐蚀情况 轻微 搅拌 型式 平桨式 转速 85r/min 功率 1.4Kw 设备容积 V 9.35m3 推荐材料 Q235-A 三、设计要求 1.学生要按照任务书要求,独立完成塔设备的机械设计; 2.根据设计计算书、图纸及平时表现综合评分。 四、设计说明书的内容 1.符号说明 2.前言 (1)设计条件; (2)设计依据; (3)设备结构形式概述。 3.材料选择 (1)选择材料的原则; (2)确定各零、部件的材质; (3)确定焊接材料。 第 3 页 共 1 6 页 4 /2 7 /2 0 2 2 3 4.绘制结构草图 (1)按照工艺要求,绘制工艺结构草图; (2)确定裙座、接管、人孔、控制点接口及附件、内部主要零部件的轴向及环向位置,以单线图表示; (3)标注形位尺寸。 5.标准化零、部件选择及补强计算: (1)接管及法兰选择:根据结构草图统一编制表格。内容包括:代号,PN,DN,法兰密封面形式,法兰标记,用途)。补强计算。 (2)人孔选择:PN,DN,标记或代号。补强计算。 (3)其它标准件选择。 6.结束语:对自己所做的设计进行小结与评价,经验与收获。 7.主要参考资料。 第 4 页 共 1 6 页 4 /2 7 /2 0 2 2 4 目录 搅拌釜式反应器设计条件........................................... 1 1 确定筒体的直径和高度........................................... 2 2. 确定夹套的直径和高度.......................................... 2 3. 确定夹套的材料和壁厚...........................................

1、当您付费下载文档后,您只拥有了使用权限,并不意味着购买了版权,文档只能用于自身使用,不得用于其他商业用途(如 [转卖]进行直接盈利或[编辑后售卖]进行间接盈利)。
2、本站所有内容均由合作方或网友上传,本站不对文档的完整性、权威性及其观点立场正确性做任何保证或承诺!文档内容仅供研究参考,付费前请自行鉴别。
3、如文档内容存在违规,或者侵犯商业秘密、侵犯著作权等,请点击“违规举报”。

碎片内容

搅拌釜式反应器课程设计书

小辰6+ 关注
实名认证
内容提供者

出售各种资料和文档

确认删除?
VIP
微信客服
  • 扫码咨询
会员Q群
  • 会员专属群点击这里加入QQ群
客服邮箱
回到顶部