电脑桌面
添加小米粒文库到电脑桌面
安装后可以在桌面快捷访问

食用农产品专项监督抽检品种、检验项目

食用农产品专项监督抽检品种、检验项目_第1页
1/26
食用农产品专项监督抽检品种、检验项目_第2页
2/26
食用农产品专项监督抽检品种、检验项目_第3页
3/26
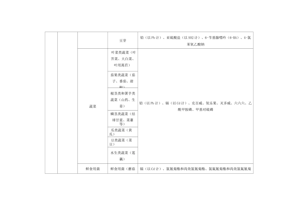
表 1 食用农产品专项监督抽检品种、检验项目序号食品分类抽检安排食品亚类(二级)食品品种(三级)食品细类(四级)检验项目1畜禽肉及副产品畜肉、畜副产品畜肉(牛肉)克伦特罗、沙丁胺醇、氯霉素、恩诺沙星(以恩诺沙星与环丙沙星之和计)、氧氟沙星、五氯酚酸钠、地塞米松畜肉(羊肉)畜肉(猪肉)畜副产品及畜内脏(牛肝、羊肝、猪肾、猪耳、猪蹄、猪肝等)克伦特罗、氯霉素、恩诺沙星(以恩诺沙星与环丙沙星之和计)、氧氟沙星、五氯酚酸钠禽肉、禽副产品禽肉(重点品种:乌鸡)恩诺沙星(以恩诺沙星与环丙沙星之和计)、氧氟沙星、磺胺类(总量)、五氯酚酸钠、金刚烷胺、氯霉素禽肉(鸭肉、鹅氯霉素、恩诺沙星(以恩诺沙星与环丙沙星之和计)、五氯酚酸钠肉)禽副产品及禽内脏(鸡爪,鸡翅等)2蔬菜蔬菜(必抽类别)辣椒(茄果类蔬菜)甲胺磷、克百威、水胺硫磷、氧乐果、甲拌磷韭菜(鳞茎类蔬菜)铅(以 Pb 计)、镉(以 Cd 计)、毒死蜱、腐霉利、甲拌磷、克百威、氧乐果豇豆(豆类蔬菜)氟虫腈、甲拌磷、克百威、灭蝇胺、水胺硫磷、氧乐果、甲胺磷芹菜(叶菜类蔬菜)毒死蜱、克百威、氧乐果、倍硫磷、氟虫腈、阿维菌素、甲拌磷、甲基异柳磷、水胺硫磷普通白菜(叶菜类蔬菜)毒死蜱、克百威、氧乐果、氟虫腈、啶虫脒、甲拌磷菠菜(叶菜类蔬菜)毒死蜱、氧乐果、氟虫腈、克百威、阿维菌素、甲拌磷、水胺硫磷油麦菜(叶菜类蔬菜)氟虫腈、甲胺磷、灭多威、氧乐果、甲拌磷、克百威豆芽铅(以 Pb 计)、亚硫酸盐(以 SO2 计)、6-苄基腺嘌吟(6-BA)、4-氯苯氧乙酸钠蔬菜叶菜类蔬菜(叶芥菜、大白菜、叶用萬苣)铅(以 Pb 计)、镉(以 Cd 计)、克百威、氧乐果、灭多威、六六六、乙酰甲胺磷、甲基对硫磷茄果类蔬菜(茄子、番茄、甜椒)根茎类和署芋类蔬菜(山药、生姜)鳞茎类蔬菜(结球甘蓝、菜薹等)瓜类蔬菜(黄瓜)豆类蔬菜(菜豆)水生类蔬菜(莲藕)鲜食用菌鲜食用菌(蘑菇镉(以 Cd 计)、氯氰菊酯和咼效氯氰菊酯、氯氟氰菊酯和咼效氯氟氰菊类和木耳类)酯、二氧化硫残留量3水果类柑橘类水果柑、橘二唑磷、克百威、丙溴磷、联苯菊酯、氧乐果、水胺硫磷柑橘类水果橙克百威、丙溴磷、水胺硫磷、多菌灵、氧乐果浆果和其他小型水果草莓烯酰吗啉、多菌灵、克百威、阿维菌素热带和亚热带水果香蕉辛硫磷、苯醚甲环唑、吡唑醚菌酯、多菌灵柑橘类、仁果类、核果类、浆果和其他小型水果、瓜果类、热带及亚热带水果葡萄、芒果、...

1、当您付费下载文档后,您只拥有了使用权限,并不意味着购买了版权,文档只能用于自身使用,不得用于其他商业用途(如 [转卖]进行直接盈利或[编辑后售卖]进行间接盈利)。
2、本站所有内容均由合作方或网友上传,本站不对文档的完整性、权威性及其观点立场正确性做任何保证或承诺!文档内容仅供研究参考,付费前请自行鉴别。
3、如文档内容存在违规,或者侵犯商业秘密、侵犯著作权等,请点击“违规举报”。

碎片内容

食用农产品专项监督抽检品种、检验项目

您可能关注的文档

确认删除?
VIP
微信客服
  • 扫码咨询
会员Q群
  • 会员专属群点击这里加入QQ群
客服邮箱
回到顶部