电脑桌面
添加小米粒文库到电脑桌面
安装后可以在桌面快捷访问

消突措施巷条带预抽A2煤层瓦斯预抽钻孔VIP免费

消突措施巷条带预抽A2煤层瓦斯预抽钻孔_第1页
1/7
消突措施巷条带预抽A2煤层瓦斯预抽钻孔_第2页
2/7
消突措施巷条带预抽A2煤层瓦斯预抽钻孔_第3页
3/7
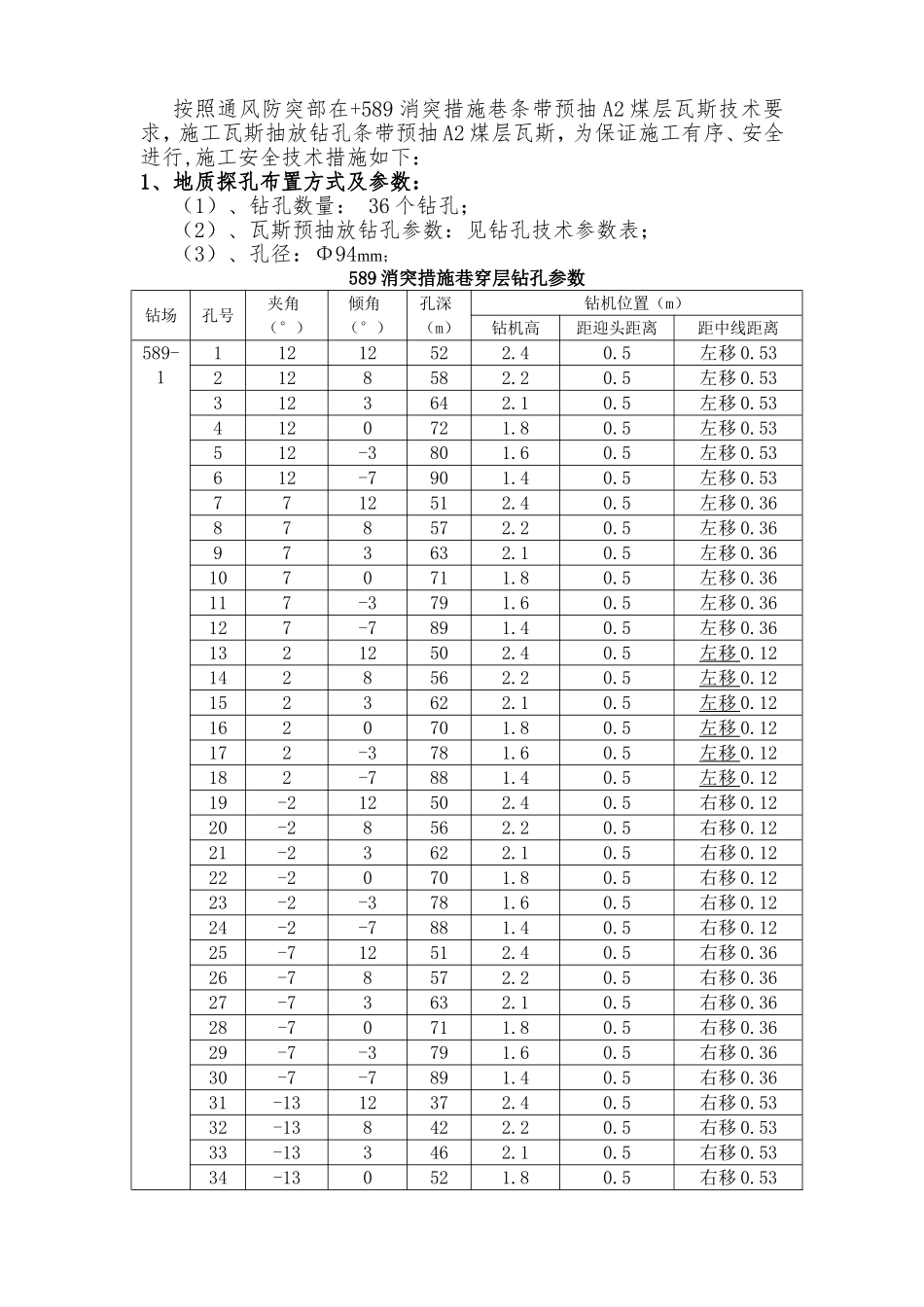
+589消突措施巷条带预抽A2煤层瓦斯预抽钻孔施工安全技术措施(1号钻场)(2013年2月)+589消突措施巷条带预抽A2煤层瓦斯预抽钻孔施工安全技术措施(1号钻场)措施名称+589消突措施巷条带预抽A2煤层瓦斯预抽钻孔施工安全技术措施(1号钻场)施工地点+589消突措施巷沿掘进方向第一个硐室编制年月日单位审批意见及人员签字施工区队年月日通风防突部年月日生产技术部年月日调度室年月日安全监察部年月日机电动力部年月日通风副总年月日机电矿长年月日安全矿长年月日生产矿长年月日总工年月日矿长年月日按照通风防突部在+589消突措施巷条带预抽A2煤层瓦斯技术要求,施工瓦斯抽放钻孔条带预抽A2煤层瓦斯,为保证施工有序、安全进行,施工安全技术措施如下:1、地质探孔布置方式及参数:(1)、钻孔数量:36个钻孔;(2)、瓦斯预抽放钻孔参数:见钻孔技术参数表;(3)、孔径:Φ94mm;589消突措施巷穿层钻孔参数钻场孔号夹角(°)倾角(°)孔深(m)钻机位置(m)钻机高距迎头距离距中线距离589-111212522.40.5左移0.532128582.20.5左移0.533123642.10.5左移0.534120721.80.5左移0.53512-3801.60.5左移0.53612-7901.40.5左移0.537712512.40.5左移0.36878572.20.5左移0.36973632.10.5左移0.361070711.80.5左移0.36117-3791.60.5左移0.36127-7891.40.5左移0.3613212502.40.5左移0.121428562.20.5左移0.121523622.10.5左移0.121620701.80.5左移0.12172-3781.60.5左移0.12182-7881.40.5左移0.1219-212502.40.5右移0.1220-28562.20.5右移0.1221-23622.10.5右移0.1222-20701.80.5右移0.1223-2-3781.60.5右移0.1224-2-7881.40.5右移0.1225-712512.40.5右移0.3626-78572.20.5右移0.3627-73632.10.5右移0.3628-70711.80.5右移0.3629-7-3791.60.5右移0.3630-7-7891.40.5右移0.3631-1312372.40.5右移0.5332-138422.20.5右移0.5333-133462.10.5右移0.5334-130521.80.5右移0.5335-13-3581.60.5右移0.5336-13-7661.40.5右移0.53小计2345注明:(1)、夹角是指与钻机正对硐室方向为轴线的夹角,左偏为(+),右偏为(-),倾角上仰为(+),下俯为(—)。(2)、钻孔施工长度以在施工中穿过A2煤层0.5米为准。2、施工所需设备材料:设备名称设备型号数量钻机ZDY—3200S1台钻杆1米100根钻头Φ94mm1个3、施工步骤:施工步骤:运输—立钻—开钻准备—打钻—退钻—封孔;搬运路线:+589回风顺槽-+589消突措施巷内第一个硐室3.1、运输技术安全措施:1、施工钻孔选用3200S钻机。2、人工搬运钻机时,由值班队长进行统一指挥。3、施工人员必须将个体防护配备齐全才能作业。施工人员在运料过程中,所运钻机必须捆绑牢固,所卸物料要在现场码放整齐,施工人员搬运、扛抬钻机时必须事先熟悉搬运路道、行走路道一定要畅通,路道如有杂物阻挡时要先清理通顺后再进行搬运。4、搬运、扛抬物件时注意力要集中,如果前后有人同时扛运,必须保持10米以上间距,防止间距过小相互碰伤,两人以上合力搬抬钻机时要有统一口令、同肩同时用力,避免抓滑出现意外。5、扛抬物件时要量力而行,重量超过45公斤或长度超过3米时要有两人以上合力搬抬;物件超过100公斤,严禁使用铁丝捆绑,必须使用6mm钢丝绳进行捆绑。6、钻机运送到指定地点后一定要轻放,严防猛扔摔坏钻机或弹伤人员。7、抬运不规则重物时要用6mm钢丝绳栓牢后用不少于50mm的钢管(壁厚不能小于5mm)抬运。8、多人搬运及落地过程禁止人员身体任何部位进入物件下方。3.2、立钻:1、钻孔施工前必须保证迎头工作面无浮矸、杂物,供水管路、排水沟保持畅通,抽放管路连接到钻场。2、对钻场顶、帮支护及附近安全情况要勘察清楚,认真执行敲帮问顶工作。3、钻机运到工地之后,先稳装主机,然后再将操纵台、泵站摆放在有利操作安全的地方。4、用地脚螺钉把底座固定在机台木上或水泥基础上。在井下也可用单体液压支柱直接将钻机压固在基台木上,还应根据钻孔倾用,给进、起拔力的大小决定是否在机架前后安装辅助支撑,以保证钻机在工作过程中安装可靠。5、钻机倾角的调整:根据需要接上支撑杆短节,松开机身与前、后横梁上及支撑杆与横梁上的锁紧轴瓦螺钉。然后用支撑油缸将机身缓...

1、当您付费下载文档后,您只拥有了使用权限,并不意味着购买了版权,文档只能用于自身使用,不得用于其他商业用途(如 [转卖]进行直接盈利或[编辑后售卖]进行间接盈利)。
2、本站所有内容均由合作方或网友上传,本站不对文档的完整性、权威性及其观点立场正确性做任何保证或承诺!文档内容仅供研究参考,付费前请自行鉴别。
3、如文档内容存在违规,或者侵犯商业秘密、侵犯著作权等,请点击“违规举报”。

碎片内容

消突措施巷条带预抽A2煤层瓦斯预抽钻孔

确认删除?
VIP
微信客服
  • 扫码咨询
会员Q群
  • 会员专属群点击这里加入QQ群
客服邮箱
回到顶部