电脑桌面
添加小米粒文库到电脑桌面
安装后可以在桌面快捷访问

灌注桩报验表

灌注桩报验表_第1页
1/13
灌注桩报验表_第2页
2/13
灌注桩报验表_第3页
3/13
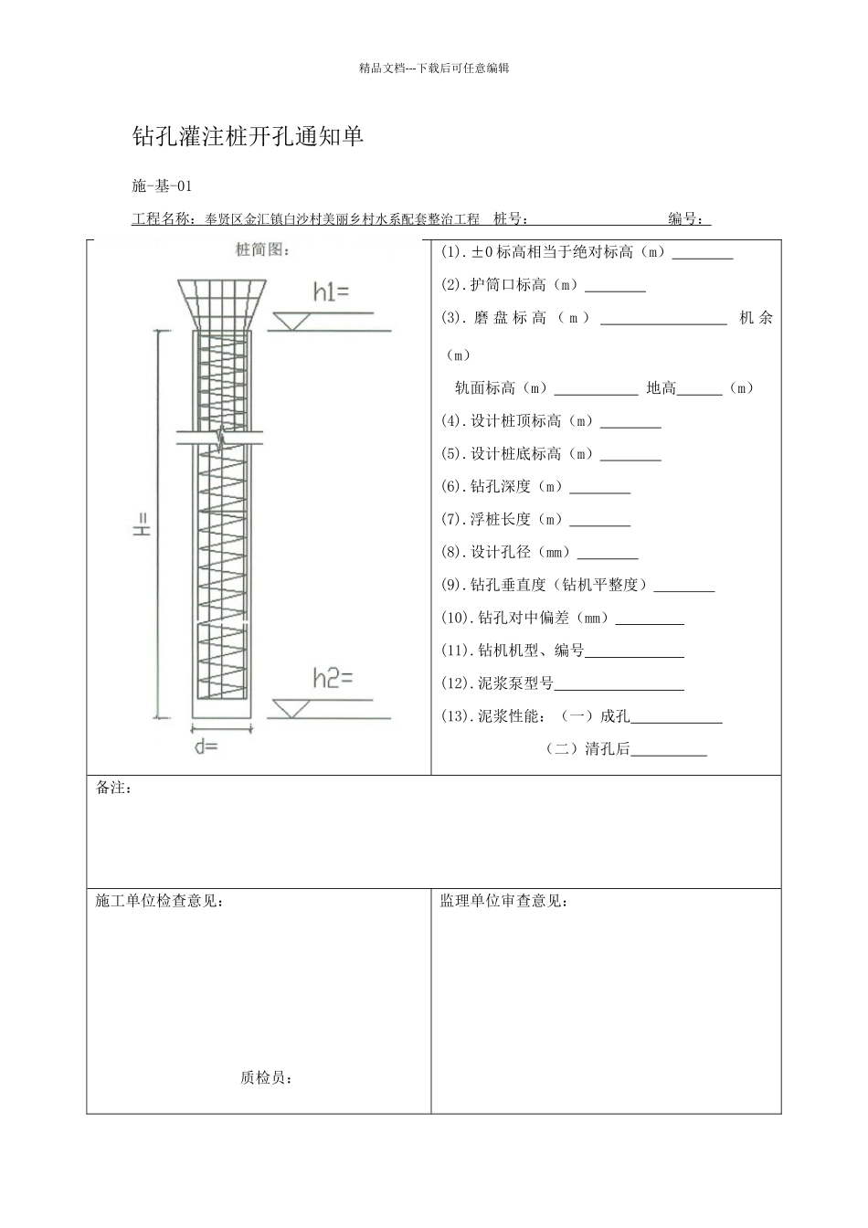
精品文档---下载后可任意编辑CB18 工序/单元工程施工质量报验单(中国电建[2024]质报 号) 合同名称:奉贤区金汇镇白沙村美丽乡村水系配套整治工程 合同编号:致(监理机构): 上海华城工程建设管理有限公司奉贤区金汇镇白沙村美丽乡村水系配套整治工程项目监理部我方已完成 工作,经自检合格,报请贵方复核。附:□ 钻孔灌注桩开孔通知单□ 钻孔灌注桩钻进成孔班报表□ 钻孔灌注桩成孔后灌注砼前检查记录□ 钻孔灌注桩钢筋笼验收单□ 钻孔灌注桩混凝土灌注记录□ 分项工程质量检验评定表(灌注桩成孔) □ 分项工程质量检验评定表(钢筋笼制作及安装)□ 分项工程质量检验评定表(混凝土灌注) 承 包 人:(现场机构名称及盖章) 项目经理或项目技术负责人:(签名) 日 期: 年 月 日监理机构意 见复核结果:□同意进入下一工序 □不同意进入下一工序 □同意进入下一单元工程 □不同意进入下一单元工程附件:监理复核支持材料。 监 理 机构:(名称及盖章) 监理工程师:(签名) 日 期: 年 月 日说明:本表一式 份,由承包人填写,监理机构复核后,监理机构 份、返承包人 份。精品文档---下载后可任意编辑钻孔灌注桩开孔通知单施-基-01工程名称: 奉贤区金汇镇白沙村美丽乡村水系配套整治工程 桩号: 编号: (1).±0 标高相当于绝对标高(m) (2).护筒口标高(m) (3). 磨 盘 标 高 ( m ) 机 余 (m) 轨面标高(m) 地高 (m)(4).设计桩顶标高(m) (5).设计桩底标高(m) (6).钻孔深度(m) (7).浮桩长度(m) (8).设计孔径(mm) (9).钻孔垂直度(钻机平整度) (10).钻孔对中偏差(mm) (11).钻机机型、编号 (12).泥浆泵型号 (13).泥浆性能:(一)成孔 (二)清孔后 备注:施工单位检查意见: 质检员:监理单位审查意见: 精品文档---下载后可任意编辑 技术负责人: 年 月 日 监理工程师: 年 月 日精品文档---下载后可任意编辑钻孔灌注桩钻进成孔班报表施-基-02工程名称 奉贤区金汇镇白沙村美丽乡村水系配套整治工程 主动钻杆长度 桩号 钻杆根数 总长(m) 钻机编号 钻头类型、直径、长度 时 间工作内容钻进深度(m)钻进参数泥浆性能沉 渣厚 度cm备注年月日起止共计钻 具长度机余本 次进尺累 计进尺钻压(t)转速(r/min)泵量(l/min)粘度(秒)比重(g/cm³)时分时分开孔钻进/加杆钻进/加杆钻进/加杆钻进/加杆钻进/加杆钻进/加杆钻进...

1、当您付费下载文档后,您只拥有了使用权限,并不意味着购买了版权,文档只能用于自身使用,不得用于其他商业用途(如 [转卖]进行直接盈利或[编辑后售卖]进行间接盈利)。
2、本站所有内容均由合作方或网友上传,本站不对文档的完整性、权威性及其观点立场正确性做任何保证或承诺!文档内容仅供研究参考,付费前请自行鉴别。
3、如文档内容存在违规,或者侵犯商业秘密、侵犯著作权等,请点击“违规举报”。

碎片内容

灌注桩报验表

您可能关注的文档

确认删除?
VIP
微信客服
  • 扫码咨询
会员Q群
  • 会员专属群点击这里加入QQ群
客服邮箱
回到顶部