电脑桌面
添加小米粒文库到电脑桌面
安装后可以在桌面快捷访问

故障码和数据流分析ABS

故障码和数据流分析ABS_第1页
1/24
故障码和数据流分析ABS_第2页
2/24
故障码和数据流分析ABS_第3页
3/24
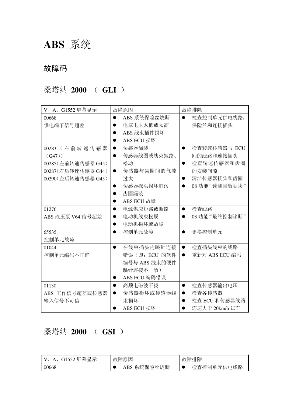
ABS 系统 故障码 桑塔纳 2000 ( GLI ) V、A、G1552 屏幕显示 故障原因 故障排除 00668 供电端子信号超差  ABS 系统保险丝烧断  电瓶电压太低或太高  ABS 线束插件损坏  ABS ECU 损坏  检查控制单元供电线路,保险丝和连接插头 00283 (左前转速传感器(G47)) 00285(左前转速传感器G45) 00287(右后转速传感器G44) 00290(左后转速传感器G45)  传感器漏装  传感器线圈或线束短路、松动  传感器与齿圈间的气隙过大  传感器探头损坏脏污  齿圈漏装  ABS ECU 故障  检查转速传感器与ECU间的线路和连接插头  检查转速传感器和齿圈的安装间隙  清洁传感器接头和齿圈  08 功能“读测量数据块” 01276 ABS 液压泵 V64 信号超差  电源供应短路或断路  电动机线束松脱  电动机损坏或故障  检查线路  03 功能“最终控制诊断” 65535 控制单元故障  控制单元故障  更换控制单元 01044 控制单元编码不正确  在线束插头内跳针连接错误(即:ECU 的软件编号与ABS 线束的硬件跳针连接不一致)  ABS ECU 编码错误  检查插头线束的线路  重新对 ABS ECU 编码 01130 ABS 工作信号超差或传感器输入信号不可信  高频电磁波干拢  传感器损坏或传感器线束损坏  ABS ECU 损坏  检查传感器输出电压  检查各传感器  检查ECU 和传感器线路  连速大于 20km /h 试车 桑塔纳 2000 ( GSI ) V、A、G1552 屏幕显示 故障原因 故障排除 00668  ABS 系统保险丝烧断  检查控制单元供电线路,供电端子信号超差  电瓶电压太低或太高  ABS 线束插件损坏  ABS ECU 损坏 保险丝和连接插头 00283 ( 左 前 转 速 传 感 器(G47)) 00285(左前转速传感器 G45) 00287(右后转速传感器 G44) 00290(左后转速传感器 G45)  传感器漏装  传感器线圈或线束短路、松动  传感器与齿圈间的气隙过大  传感器探头损坏脏污  齿圈漏装  ABS ECU 故障  检查转速传感器与 ECU间的线路和连接插头  检查转速传感器和齿圈的安装间隙  清洁传感器接头和齿圈  08 功能“读测量数据块” 01276 ABS 液压泵 V64 信号超差  电源供应短路或断路  电动机线束松脱  电动机损坏或故障  检...

1、当您付费下载文档后,您只拥有了使用权限,并不意味着购买了版权,文档只能用于自身使用,不得用于其他商业用途(如 [转卖]进行直接盈利或[编辑后售卖]进行间接盈利)。
2、本站所有内容均由合作方或网友上传,本站不对文档的完整性、权威性及其观点立场正确性做任何保证或承诺!文档内容仅供研究参考,付费前请自行鉴别。
3、如文档内容存在违规,或者侵犯商业秘密、侵犯著作权等,请点击“违规举报”。

碎片内容

故障码和数据流分析ABS

确认删除?
VIP
微信客服
  • 扫码咨询
会员Q群
  • 会员专属群点击这里加入QQ群
客服邮箱
回到顶部