电脑桌面
添加小米粒文库到电脑桌面
安装后可以在桌面快捷访问

教教大家怎么计算一平方的铜线能承受多大的电流

教教大家怎么计算一平方的铜线能承受多大的电流_第1页
1/6
教教大家怎么计算一平方的铜线能承受多大的电流_第2页
2/6
教教大家怎么计算一平方的铜线能承受多大的电流_第3页
3/6
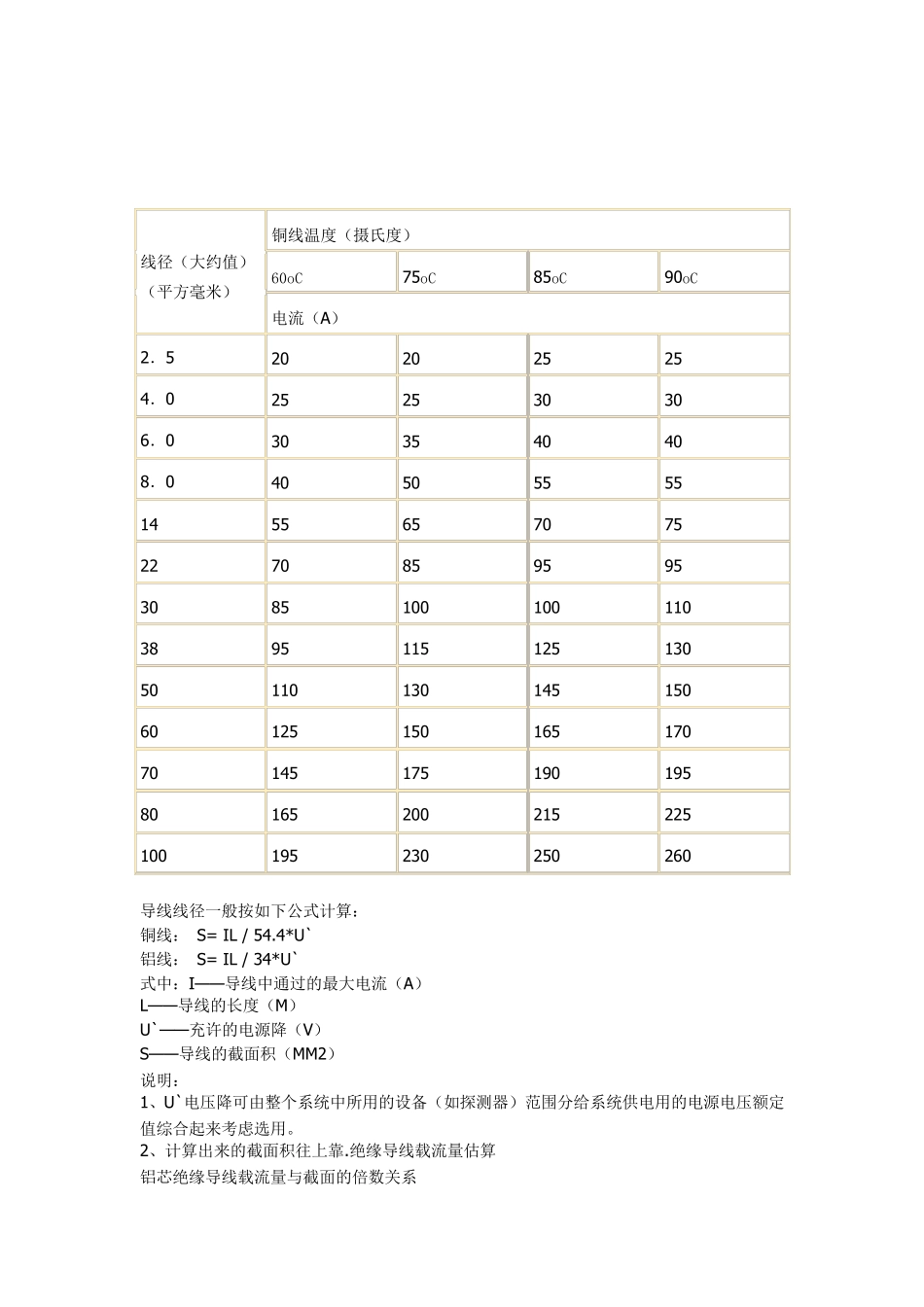
教教大家怎么计算一平方的铜线能承受多大的电流 导线截面积与电流的关系 一般铜线安全计算方法是: 2.5 平方毫米铜电源线的安全载流量--28A 。 4 平方毫米铜电源线的安全载流量--35A 。 6 平方毫米铜电源线的安全载流量--48A 。 10 平方毫米铜电源线的安全载流量--65A 。 16 平方毫米铜电源线的安全载流量--91A 。 25 平方毫米铜电源线的安全载流量--120A 。 如果是铝线,线径要取铜线的1.5-2 倍。 如果铜线电流小于 28A ,按每平方毫米10A 来取肯定安全。 如果铜线电流大于 120A ,按每平方毫米5A 来取。 导线的截面积所能正常通过的电流可根据其所需要导通的电流总数进行选择,一般可按照如下顺口溜进行确定: 十下五,百上二, 二五三五四三界,柒拾玖五两倍半,铜线升级算. 给你解释一下,就是10 平方一下的铝线,平方毫米数乘以 5 就可以了,要是铜线呢,就升一个档,比如 2.5 平方的铜线,就按 4 平方计算.一百以上的都是截面积乘以 2, 二十五平方以下的乘以 4, 三十五平方以上的乘以 3, 柒拾和 95 平方都乘以 2.5,这么几句口诀应该很好记吧, 说明:只能作为估算,不是很准确。 另外如果按室内记住电线6 平方毫米以下的铜线,每平方电流不超过 10A 就是安全的,从这个角度讲,你可以选择 1.5 平方的铜线或 2.5 平方的铝线。 10 米内,导线电流密度 6A /平方毫米比较合适,10-50 米,3A /平方毫米,50-200 米,2A /平方毫米,500 米以上要小于 1A /平方毫米。从这个角度,如果不是很远的情况下,你可以选择 4 平方铜线或者 6 平方铝线。 如果真是距离 150 米供电(不说是不是高楼),一定采用 4 平方的铜线。 导线的阻抗与其长度成正比,与其线径成反比。请在使用电源时,特别注意输入与输出导线的线材与线径问题。以防止电流过大使导线过热而造成事故。 下面是铜线在不同温度下的线径和所能承受的最大电流表格。 线径(大约值)(平方毫米) 铜线温度(摄氏度) 60oC 75oC 85oC 90oC 电流(A) 2.5 20 20 25 25 4.0 25 25 30 30 6.0 30 35 40 40 8.0 40 50 55 55 14 55 65 70 75 22 70 85 95 95 30 85 100 100 110 38 95 115 125 130 50 110 130 145 150 60 125 150 165 170 70 145 175 190 195 80 165 200 215 225 100 195 230 250 260 导线线径一般按如下公式计算: 铜...

1、当您付费下载文档后,您只拥有了使用权限,并不意味着购买了版权,文档只能用于自身使用,不得用于其他商业用途(如 [转卖]进行直接盈利或[编辑后售卖]进行间接盈利)。
2、本站所有内容均由合作方或网友上传,本站不对文档的完整性、权威性及其观点立场正确性做任何保证或承诺!文档内容仅供研究参考,付费前请自行鉴别。
3、如文档内容存在违规,或者侵犯商业秘密、侵犯著作权等,请点击“违规举报”。

碎片内容

教教大家怎么计算一平方的铜线能承受多大的电流

小辰5+ 关注
实名认证
内容提供者

出售各种资料和文档

确认删除?
VIP
微信客服
  • 扫码咨询
会员Q群
  • 会员专属群点击这里加入QQ群
客服邮箱
回到顶部