电脑桌面
添加小米粒文库到电脑桌面
安装后可以在桌面快捷访问

机床电气原理图

机床电气原理图_第1页
1/6
机床电气原理图_第2页
2/6
机床电气原理图_第3页
3/6
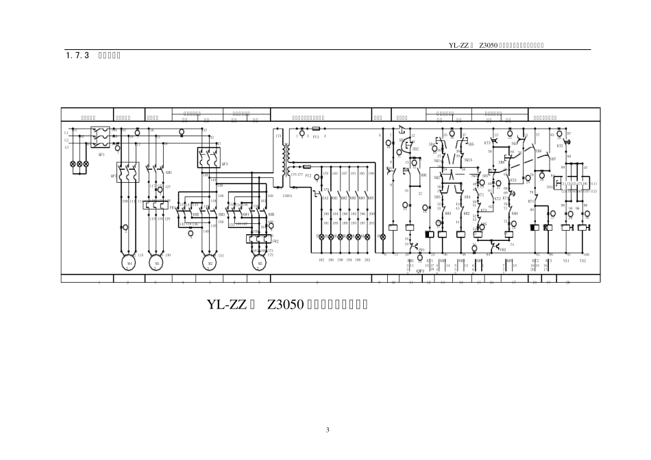
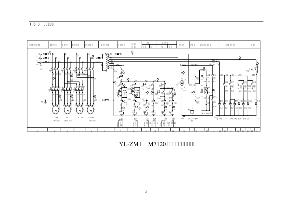
1 1.5.3 电气原理图 YL-ZC 型 CA6140 车床电气原理图 KM1KM2KM3FR2455055M13544944484353FR1474252M232356736863746964757065767166231450r/min17.5KW90W11FR2SB2SB1KM117151211171522SB3191828QS220HLEL939495HL1979899107106105HL3HL210110210310131416182023242526272119671416KM1KM1KM3KM23M38582798178848756789922 443341360r/min250W7243冷却泵电动机5956416061585751461FU26272674403938主轴电动机短路保护FU1电源总开关3529 3236373031L1L2L33433 短路保护QS143FU3FR1主轴电机控制刀架快速移动9190929610410059通电指示冷却泵控制13SAKM1KM2KM3 9 812 FU10778083TC8688刀架快速移动电机218789变压器和照明及显示电路 2 1.6.3 电气原理图 YL-ZM 型 M7120 平面磨床电气原理图 81747780768884FU3177FU6170178171 FU7159FU52715514615219FU4EL212206HL721120420520815KM6209KM520012KM420121030QS21234561615262221201918172425239781210111314电磁吸盘充磁去磁失磁保护信号灯显示电路照明灯上升砂轮启动砂轮冷却变压器及保护液压泵控制整流电源砂轮下降电磁吸盘充磁去磁砂轮升降电机砂轮电机冷却泵电机液压泵电机电源总开关及保护103116163172183188195180KM120227223 444552253 833211015 2518 1811151211249KM4KM3KM2KM6KM57 KA193194HL4HL6203202101112212829213FR3M40.75KW1410r/min30.12KWM332360r/min3KW3M21410r/min1.1KW3M113712712818122121131124114113 100101199192187182179PE169158154149FU815114314424138222079060 63575651464130 35 4037504555253929 346PE13 18 232419143833285484353598FR3494454FR2863727 322111 162212 177FR1RYH1331391513KM5135136SB8129130125126KM3112012KM41201711916111721071063FR2110109KM29SB5 98 99FR12XB6766895 967KM1SB3198HL5HL3191186HL2HL1181175176168167162157X213KM5KM6152615313423140141142KM513SB10KM615132SB9SB7124123118SB611714104SB4105115SB16562919293SB2910294190185197KM3111969KM2189184KM17156173174164166165161160145150148147VCX2C15KM6KM5132513161425826100 73524712KM4KM311KM173631KM292152012QS1L3L2L19854FU1173758387TCKA78471686970FU2648985YL-ZZ型 Z3050 摇臂钻床电路智能实训考核台 3 1.7.3 电气原理图 YL-ZZ型 Z3050 摇臂钻床电气原理图 QF1 17SB3151618192021120150VAHL2185184186KM1190HL3KM218...

1、当您付费下载文档后,您只拥有了使用权限,并不意味着购买了版权,文档只能用于自身使用,不得用于其他商业用途(如 [转卖]进行直接盈利或[编辑后售卖]进行间接盈利)。
2、本站所有内容均由合作方或网友上传,本站不对文档的完整性、权威性及其观点立场正确性做任何保证或承诺!文档内容仅供研究参考,付费前请自行鉴别。
3、如文档内容存在违规,或者侵犯商业秘密、侵犯著作权等,请点击“违规举报”。

碎片内容

机床电气原理图

您可能关注的文档

确认删除?
VIP
微信客服
  • 扫码咨询
会员Q群
  • 会员专属群点击这里加入QQ群
客服邮箱
回到顶部