电脑桌面
添加小米粒文库到电脑桌面
安装后可以在桌面快捷访问

机械基础螺纹

机械基础螺纹_第1页
1/7
机械基础螺纹_第2页
2/7
机械基础螺纹_第3页
3/7
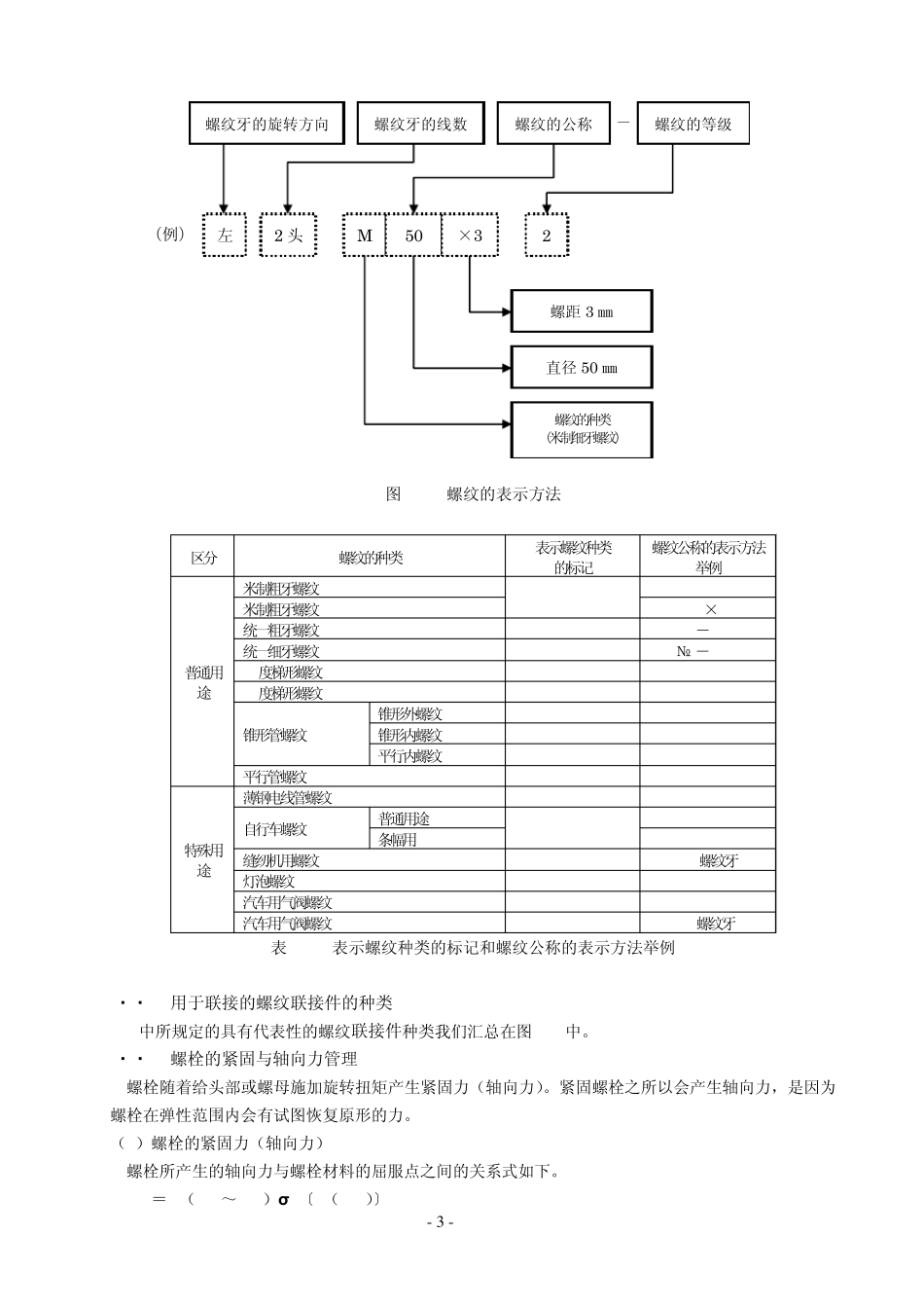
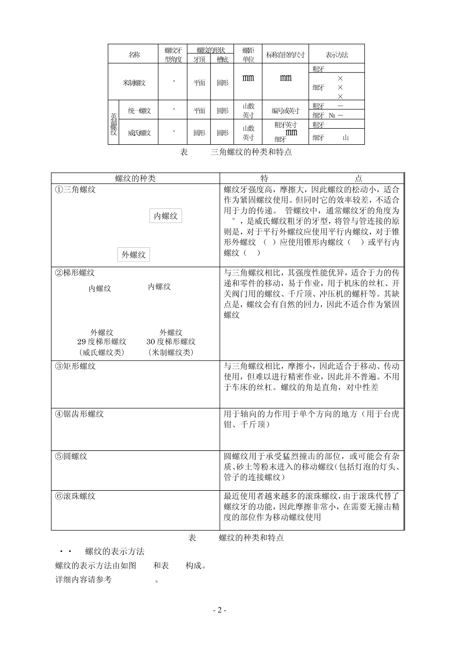
- 1 - 机械基础 1 螺纹 1・1 螺纹的种类和特征 1・1・1 螺纹的基础 (1)螺纹升角和牙型角的关系 将直角三角形的纸张卷到圆柱上时,该直角三角形的斜边形成的曲线呈螺旋状,我们把这称为螺旋线。如图1-1所示,这时的β 角称为螺纹升角或螺旋角,表示螺旋线的倾斜程度。而牙型角是指螺纹牙型螺旋线和穿过其上方1点的与螺轴平行的直线所形成的角度α 。它们之间有着螺旋升角+牙型角=90°的关系。 (2)内螺纹和外螺纹 沿着螺旋线在圆柱表面切割出来的沟槽就是外螺纹,在圆柱内侧切割出来的沟槽就是内螺纹。 (3)单头螺纹和多头螺纹 由 1根螺旋线形成的螺纹叫做单头螺纹,由 2根形成的螺纹叫做双头螺纹。通常我们把由多根螺旋线形成的螺纹叫做多头螺纹。 (4)导程和螺距 相邻的两个螺纹牙型的中心线之间的距离叫做螺距,螺纹的轴向行进距离叫做导程(图1-2)。如果设导程为L,螺距为P,线数为n,则三者之间的关系为L=n×P。 由上可以得出,如果采用多头螺纹,可以较少的转数较快地拧紧。 (5)有效直径 是指螺纹的牙型部分和沟槽部分的尺寸相等的假设圆柱的直径,它是计算螺纹的紧固力和强度或进行精密测量时的基本尺寸。 如果螺纹的外径相同,则螺距越大,有效直径越小。 1・1・2 螺纹的种类、形状和用途 三角螺纹是螺纹中最具有代表性的一种,不过对于管螺纹、梯形螺纹的形状和特点也要充分理解并牢记(表1-1、1-2)。 螺旋线 牙型角 螺旋线的切线 螺旋升角 轴线 螺纹槽 螺纹牙型 螺纹 螺距 螺距 导程 螺纹各个部分的名称(2 头,右旋,平行外螺纹的情况) 图1-1 螺旋升角和牙型角 图1-2 导程和螺距 - 2 - 名称 螺纹牙型角度 螺纹的形状 螺距 单位 标称直径的尺寸 表示方法 牙顶 槽底 米制螺纹 60° 平面 圆形 ㎜ ㎜ 粗牙 M10 M10×1.25 细牙 M10×1 M10×0.75 英制螺纹 统一螺纹 60° 平面 圆形 山数 英寸 编号或英寸 粗牙 3/8-16UNC 细牙 №8-16UNF 威氏螺纹 55° 圆形 圆形 山数 英寸 粗牙英寸 细牙㎜ 粗牙 W3/8 细牙 W18 山14 表1-1 三角螺纹的种类和特点 螺纹的种类 特 点 ①三角螺纹 螺纹牙强度高,摩擦大,因此螺纹的松动小,适合作为紧固螺纹使用。但同时它的效率较差,不适合用于力的传递。 管螺纹中,通常螺纹牙的角度为55°,是威氏螺纹粗牙的牙型,将管与管连接的原则是,对于平行外螺纹应使用平行内螺纹,对于锥...

1、当您付费下载文档后,您只拥有了使用权限,并不意味着购买了版权,文档只能用于自身使用,不得用于其他商业用途(如 [转卖]进行直接盈利或[编辑后售卖]进行间接盈利)。
2、本站所有内容均由合作方或网友上传,本站不对文档的完整性、权威性及其观点立场正确性做任何保证或承诺!文档内容仅供研究参考,付费前请自行鉴别。
3、如文档内容存在违规,或者侵犯商业秘密、侵犯著作权等,请点击“违规举报”。

碎片内容

机械基础螺纹

您可能关注的文档

小辰9+ 关注
实名认证
内容提供者

出售各种资料和文档

相关文档

确认删除?
VIP
微信客服
  • 扫码咨询
会员Q群
  • 会员专属群点击这里加入QQ群
客服邮箱
回到顶部