电脑桌面
添加小米粒文库到电脑桌面
安装后可以在桌面快捷访问

机械臂的PLC控制

机械臂的PLC控制_第1页
1/7
机械臂的PLC控制_第2页
2/7
机械臂的PLC控制_第3页
3/7
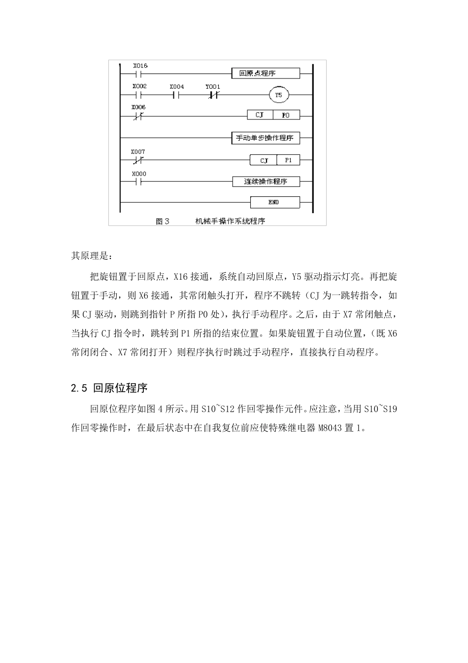
机械臂的PLC 控制 2.1 控制特点 机械臂电气控制系统,除了有多工步特点之外,还要求有连续控制和手动控制等操作方式。工作方式的选择可以很方便地在操作面板上表示出来。当旋钮打向回原点时,系统自动地回到左上角位置待命。当旋钮打向自动时,系统自动完成各工步操作,且循环动作。当旋钮打向手动时,每一工步都要按下该工步按钮才能实现。以下是设计该机械臂控制程序的步骤和方法。 2.2 系统控制示意图 机械臂传送工件系统示意图,如图 1 所示。 图 1 机械臂传送示意及操作面板图 2.3 输入和输出点分配表及原理接线图 表 1 机械臂传送系统输入和输出点分配表 名 称 代号 输入 名 称 代号 输入 名 称 代号 输出 启动 SB1 X 0 夹紧 SB5 X 10 电磁阀下降 Y V 1 Y 0 下限行程 SQ1 X 1 放松 SB6 X 11 电磁阀夹紧 Y V 2 Y 1 上限行程 SQ2 X 2 单步上升 SB7 X 12 电磁阀上升 Y V 3 Y 2 右限行程 SQ3 X 3 单步下降 SB8 X 13 电磁阀右行 Y V 4 Y 3 左限行程 SQ4 X 4 单步左移 SB9 X 14 电磁阀左行 Y V 5 Y 4 停止 SB2 X 5 单步右移 SB10 X 15 原点指示 EL Y 5 手动操作 SB3 X 6 回原点 SB11 X 16 连续操作 SB4 X 7 工件检测 SQ5 X 17 2.4 操作系统 操作系统包括回原点程序,手动单步操作程序和自动连续操作程序,如图3所示。 其原理是: 把旋钮置于回原点,X16 接通,系统自动回原点,Y5 驱动指示灯亮。再把旋钮置于手动,则X6 接通,其常闭触头打开,程序不跳转(CJ 为一跳转指令,如果CJ 驱动,则跳到指针P 所指P0 处),执行手动程序。之后,由于X7 常闭触点,当执行CJ 指令时,跳转到P1 所指的结束位置。如果旋钮置于自动位置,(既X6常闭闭合、X7 常闭打开)则程序执行时跳过手动程序,直接执行自动程序。 2.5 回原位程序 回原位程序如图 4 所示。用 S10~S12 作回零操作元件。应注意,当用 S10~S19作回零操作时,在最后状态中在自我复位前应使特殊继电器 M8043 置1。 2.6 手动单步操作程序 如图5 所示。图中上升/下降,左移/右移都有联锁和限位保护。 2.7 自动操作程序 自动操作状态转移见图6所示。当机械臂处于原位时,按启动X0 接通,状态转移到S20,驱动下降Y0,当到达下限位使行程开关X1 接通,状态转移到S21,而S20 自动复位。 S21 驱动Y1 置位,延时 1 秒,以使电...

1、当您付费下载文档后,您只拥有了使用权限,并不意味着购买了版权,文档只能用于自身使用,不得用于其他商业用途(如 [转卖]进行直接盈利或[编辑后售卖]进行间接盈利)。
2、本站所有内容均由合作方或网友上传,本站不对文档的完整性、权威性及其观点立场正确性做任何保证或承诺!文档内容仅供研究参考,付费前请自行鉴别。
3、如文档内容存在违规,或者侵犯商业秘密、侵犯著作权等,请点击“违规举报”。

碎片内容

机械臂的PLC控制

您可能关注的文档

小辰2+ 关注
实名认证
内容提供者

出售各种资料和文档

确认删除?
VIP
微信客服
  • 扫码咨询
会员Q群
  • 会员专属群点击这里加入QQ群
客服邮箱
回到顶部