电脑桌面
添加小米粒文库到电脑桌面
安装后可以在桌面快捷访问

机械设计教程习题集

机械设计教程习题集_第1页
1/10
机械设计教程习题集_第2页
2/10
机械设计教程习题集_第3页
3/10
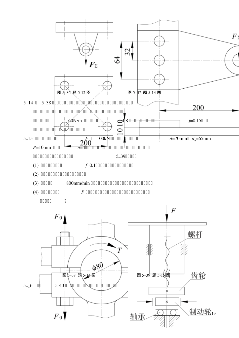
17 机械设计教程(3 版)作业集 第 三章习题 3-1 图3-20 所示为一直齿圆柱齿轮与轴用圆头平键连接,轴径d= 50mm。齿轮的材料为铸铁, 轴为45 钢。 键长L= 60mm,键的截面尺寸为b×h= 14×9 mm2,传递的转矩T=200N·m,有轻微冲击。试校核该平键连接的强度。 3-2 图 3-21 所示的凸缘联轴器,用普通圆头平键与轴连接。已知轴径d= 55mm,毂长L′=1.5d,联轴器为铸铁,轴为45 钢,传递的转矩T=300N·m,载荷平稳无冲击。试选择键的尺寸并校核其连接强度。 图 3-20 图 3-21 3-3 图 3-22 为一牙嵌式离合器与轴用导向平键连接,轴径d=40mm, 键长L=125mm(圆头键),其最小有效工作长度lmin=65mm, 离合器与轴均为钢制,传递的转矩T=150N·m, 有轻微冲击,要求选择键的截面尺寸并校核其连接强度。 图 3-22 3-4 若题3-3 中的其他条件均不变,而将其改为轻系列的矩形花键连接,离合器在空载条件下接合,制造精度及润滑条件一般,齿面未经淬火处理。试校核该矩形花键的强度。 第 五章习题 5– 1 何谓螺纹的大径、中径和小径?它们分别用于什么场合? 5– 2 螺栓连接、双头螺柱连接、螺钉连接的主要区别是什么?它们的应用场合有何不同? 18 5–3 普通螺栓连接和铰制孔用螺栓连接的结构有何不同?主要失效形式和设计准则是什么? 5–4 螺纹连接预紧的目的是什么?如何控制预紧力? 5–5 连接螺纹能满足自锁条件,为什么在设计螺纹连接时还要考虑防松问题?在可拆卸的防松措施中哪类工作可靠?为什么? 5–6 紧螺栓连接所受轴向变载荷在0~F 之间变化,当预紧力F0 一定时,改变螺栓或被连接件的刚度,对螺栓连接的疲劳强度和连接的紧密性有何影响? 5–7 螺旋传动按使用特点的不同可分为哪几类?试举例说明其应用场合。 5–8 某普通螺栓连接,螺栓公称直径为M20,性能等级为4.8 级。试求; (1) 当承受轴向变载荷并控制预紧力时,其预紧力F0 最大为多少? (2) 若连接承受横向拉力,有一个贴合面,摩擦因数 f=0.15,则可能承受的横向载荷为多少(按单个螺栓计算)? 5–9 一普通螺栓连接,螺栓的刚度为Cb,被连接件的刚度为Cm。如果 Cm=8Cb,预紧力F0=1000N,轴向外载荷F=1100N,试求螺栓所受的总拉力和被连接件中的残余预紧力。 5–10 在图 5–34 中,用4 个 M16 普通螺栓,其许用应力[]=160MPa,贴合面的摩擦因数 f=0.15。求该螺栓组所能承受的横向静载荷。 5–11 图 5–35 ...

1、当您付费下载文档后,您只拥有了使用权限,并不意味着购买了版权,文档只能用于自身使用,不得用于其他商业用途(如 [转卖]进行直接盈利或[编辑后售卖]进行间接盈利)。
2、本站所有内容均由合作方或网友上传,本站不对文档的完整性、权威性及其观点立场正确性做任何保证或承诺!文档内容仅供研究参考,付费前请自行鉴别。
3、如文档内容存在违规,或者侵犯商业秘密、侵犯著作权等,请点击“违规举报”。

碎片内容

机械设计教程习题集

小辰5+ 关注
实名认证
内容提供者

出售各种资料和文档

确认删除?
VIP
微信客服
  • 扫码咨询
会员Q群
  • 会员专属群点击这里加入QQ群
客服邮箱
回到顶部