电脑桌面
添加小米粒文库到电脑桌面
安装后可以在桌面快捷访问

机械设计课程设计(二级减速器)

机械设计课程设计(二级减速器)_第1页
1/25
机械设计课程设计(二级减速器)_第2页
2/25
机械设计课程设计(二级减速器)_第3页
3/25
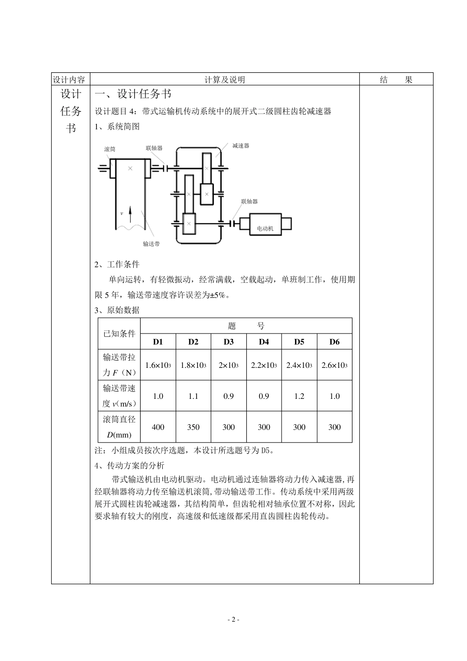
机械设计基础课程设计 计算说明书 系 专业 班 设计者 指导老师 2 0 1 1 年 5 月 2 1 日 目 录 一、设计任务书……………………………………………………(2) - 1 - 二、电动机的选择…………………………………………………(3) 三、计算传动装置的运动和动力参数……………………………(4) 四、传动件设计(齿轮)…………………………………………(6) 五、轴的设计………………………………………………………(10) 六、滚动轴承校核…………………………………………………(17) 七、连接设计………………………………………………………(19) 八、减速器润滑及密封……………………………………………(19) 九、箱体及其附件结构设计………………………………………(20) 十、设计总结………………………………………………………(22) 十一、参考资料……………………………………………………(23) - 2 - 设计内容 计算及说明 结 果 设计任务书 一、设计任务书 设计题目 4:带式运输机传动系统中的展开式二级圆柱齿轮减速器 1、系统简图 联轴器减速器联轴器滚筒v输送带电动机 2、工作条件 单向运转,有轻微振动,经常满载,空载起动,单班制工作,使用期限 5 年,输送带速度容许误差为±5%。 3、原始数据 已知条件 题 号 D 1 D 2 D 3 D 4 D 5 D 6 输送带拉力 F(N) 1.6× 103 1.8× 103 2× 103 2.2× 103 2.4× 103 2.6× 103 输送带速度 v(m/s) 1.0 1.1 0.9 0.9 1.2 1.0 滚筒直径D(mm) 400 350 300 300 300 300 注:小组成员按次序选题,本设计所选题号为 D5。 4、传动方案的分析 带式输送机由电动机驱动。电动机通过连轴器将动力传入减速器,再经联轴器将动力传至输送机滚筒,带动输送带工作。传动系统中采用两级展开式圆柱齿轮减速器,其结构简单,但齿轮相对轴承位置不对称,因此要求轴有较大的刚度,高速级和低速级都采用直齿圆柱齿轮传动。 - 3 - 设计内容 计算及说明 结 果 电动机的选择 二、电动机的选择 1、类型选择 电动机的类型根据动力源和工作条件,选用 Y 系列封闭式三相异步电动机。 2、功率选择 (1)工作机主轴所需功率WP =1000WFvP 式中,31.6 10FN,1.0vm s,代入上式得: 31.6 101.01.61000wPkWkW; (2)电动机所需功率dP 电动机所需功率为:wdpP 从电动机至卷筒主动轴之间的传动装...

1、当您付费下载文档后,您只拥有了使用权限,并不意味着购买了版权,文档只能用于自身使用,不得用于其他商业用途(如 [转卖]进行直接盈利或[编辑后售卖]进行间接盈利)。
2、本站所有内容均由合作方或网友上传,本站不对文档的完整性、权威性及其观点立场正确性做任何保证或承诺!文档内容仅供研究参考,付费前请自行鉴别。
3、如文档内容存在违规,或者侵犯商业秘密、侵犯著作权等,请点击“违规举报”。

碎片内容

机械设计课程设计(二级减速器)

确认删除?
VIP
微信客服
  • 扫码咨询
会员Q群
  • 会员专属群点击这里加入QQ群
客服邮箱
回到顶部