电脑桌面
添加小米粒文库到电脑桌面
安装后可以在桌面快捷访问

机械设计课程说明书(一级齿轮减速箱)

机械设计课程说明书(一级齿轮减速箱)_第1页
1/12
机械设计课程说明书(一级齿轮减速箱)_第2页
2/12
机械设计课程说明书(一级齿轮减速箱)_第3页
3/12
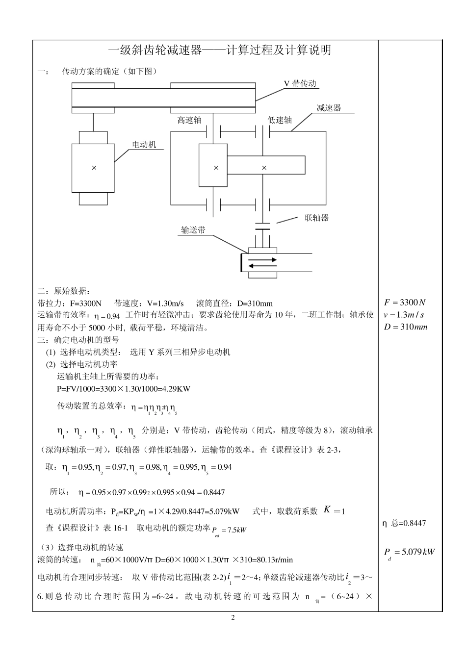
1 机械设计课程设计计算说明书(仅供参考) 一、传动方案拟定…………….…………………………………………………. . ..2 二、原始数据…………………………………………….……………. …………. . 2 三、确定电动机的型号………………………………….………………. ………. . 3 四、确定传动装置得总传动比及分配……………………………………………. .3 五、传动零件设计计算……………………………………….……………………. 4 V 带………………………………………………………………………. .4 齿轮………………………………………………………………………. .6 减速箱箱体…………………………………………………………. …….8 轴……………………………………………………………………. …… 9 滚动轴承………………………………………………………………….12 六:键联接得选择和强度校核……………………………………………….……12 七.联轴器得选择和计算………………………………………………….………13 八.减速器的润滑……….. ……………………………………………….…….…13 设计题目:V 带——单级圆柱减速器 设计者: 学 号: 指导教师: 二○○七年六月二十日 2 一级斜齿轮减速器——计算过程及计算说明 一: 传动方案的确定(如下图) V 带传动 减速器 高速轴 低速轴 电动机    联轴器 输送带 二:原始数据: 带拉力:F=3300N 带速度:V=1.30m/s 滚筒直径:D=310mm 运输带的效率:0.94  工作时有轻微冲击;要求齿轮使用寿命为10 年,二班工作制;轴承使用寿命不小于5000 小时, 载荷平稳,环境清洁。 三:确定电动机的型号 (1) 选择电动机类型: 选用Y 系列三相异步电动机 (2) 选择电动机功率 运输机主轴上所需要的功率: P=FV/1000=3300×1.30/1000=4.29KW 传动装置的总效率:212345    1 ,2 ,3 ,4 ,5 分别是:V 带传动,齿轮传动(闭式,精度等级为8),滚动轴承(深沟球轴承一对),联轴器(弹性联轴器),运输带的效率。查《课程设计》表 2-3, 取:123450.95,0.97,0.98,0.995,0.94 所以: 20.95 0.970.990.9950.940.8447  电动机所需功率:Pd=KPw/η =1×4.29/0.8447=5.079kW 式中,取载荷系数 K =1 查《课程设计》表 16-1 取电动机...

1、当您付费下载文档后,您只拥有了使用权限,并不意味着购买了版权,文档只能用于自身使用,不得用于其他商业用途(如 [转卖]进行直接盈利或[编辑后售卖]进行间接盈利)。
2、本站所有内容均由合作方或网友上传,本站不对文档的完整性、权威性及其观点立场正确性做任何保证或承诺!文档内容仅供研究参考,付费前请自行鉴别。
3、如文档内容存在违规,或者侵犯商业秘密、侵犯著作权等,请点击“违规举报”。

碎片内容

机械设计课程说明书(一级齿轮减速箱)

确认删除?
VIP
微信客服
  • 扫码咨询
会员Q群
  • 会员专属群点击这里加入QQ群
客服邮箱
回到顶部