电脑桌面
添加小米粒文库到电脑桌面
安装后可以在桌面快捷访问

机电传动控制实验指导书(DDSZ设备)

机电传动控制实验指导书(DDSZ设备)_第1页
1/11
机电传动控制实验指导书(DDSZ设备)_第2页
2/11
机电传动控制实验指导书(DDSZ设备)_第3页
3/11
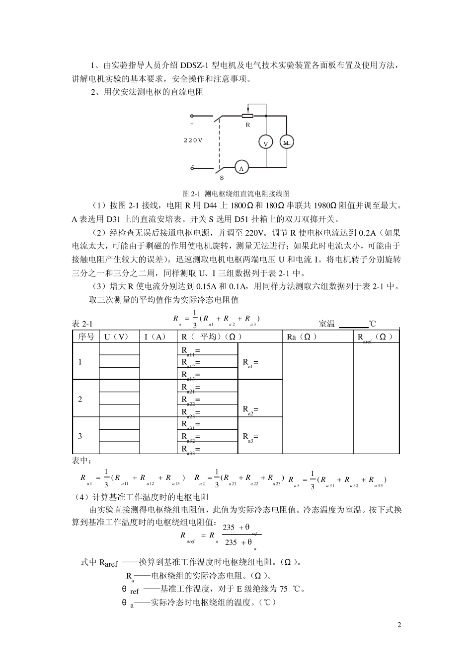
1 DDSZ-1 型电机及电气技术实验指导书 1 认识实验 一、实验目的 1、学习电机实验的基本要求与安全操作注意事项。 2、认识在直流电机实验中所用的电机、仪表、变阻器等组件及使用方法。 3、熟悉他励电动机(即并励电动机按他励方式)的接线、起动、改变电机转向与调速的方法。 二、预习要点 1、如何正确选择使用仪器仪表。特别是电压表电流表的量程。 2、直流电动机起动时,为什么在电枢回路中需要串接起动变阻器? 不串接会产生什么严重后果? 3、直流电动机起动时,励磁回路串接的磁场变阻器应调至什么位置? 为什么? 若励磁回路断开造成失磁时,会产生什么严重后果? 4、直流电动机调速及改变转向的方法。 三、实验项目 1、了解 DD01 电源控制屏中的电枢电源、励磁电源、校正直流测功机、变阻器、多量程直流电压表、电流表及直流电动机的使用方法。 2、用伏安法测直流电动机和直流发电机的电枢绕组的冷态电阻。 3、直流他励电动机的起动、调速及改变转向。 四、实验设备及控制屏上挂件排列顺序 1、实验设备 序 号 型 号 名 称 数 量 1 DD03 导轨、测速发电机及转速表 1 台 2 DJ23 校正直流测功机 1 台 3 DJ15 直流并励电动机 1 台 4 D31 直流数字电压、毫安、安培表 2 件 5 D42 三相可调电阻器 1 件 6 D44 可调电阻器、电容器 1 件 7 D51 波形测试及开关板 1 件 2、控制屏上挂件排列顺序 D31、D42、D51、D31、D44 五、实验说明及操作步骤 2 1、由实验指导人员介绍 DDSZ-1 型电机及电气技术实验装置各面板布置及使用方法,讲解电机实验的基本要求,安全操作和注意事项。 2、用伏安法测电枢的直流电阻 +- 2 2 0 V电 枢 电 源SAVMR 图 2-1 测电枢绕组直流电阻接线图 (1)按图 2-1 接线,电阻 R 用 D44 上 1800Ω 和 180Ω 串联共 1980Ω 阻值并调至最大。A 表选用 D31 上的直流安培表。开关 S 选用 D51 挂箱上的双刀双掷开关。 (2)经检查无误后接通电枢电源,并调至 220V。调节 R 使电枢电流达到 0.2A(如果电流太大,可能由于剩磁的作用使电机旋转,测量无法进行;如果此时电流太小,可能由于接触电阻产生较大的误差),迅速测取电机电枢两端电压 U 和电流 I。将电机转子分别旋转三分之一和三分之二周,同样测取 U、I 三组数据列于表 2-1 中。 (3)增大 R 使电流分别达到 0.15A 和 0.1A,用同样方法测取六组数据列于表...

1、当您付费下载文档后,您只拥有了使用权限,并不意味着购买了版权,文档只能用于自身使用,不得用于其他商业用途(如 [转卖]进行直接盈利或[编辑后售卖]进行间接盈利)。
2、本站所有内容均由合作方或网友上传,本站不对文档的完整性、权威性及其观点立场正确性做任何保证或承诺!文档内容仅供研究参考,付费前请自行鉴别。
3、如文档内容存在违规,或者侵犯商业秘密、侵犯著作权等,请点击“违规举报”。

碎片内容

机电传动控制实验指导书(DDSZ设备)

文本预览

{php // 将文本按句子/段落分割,输出为段落标签,更利于SEO $paragraphs = preg_split('/[\n\r]+/', trim($seo_txt)); foreach($paragraphs as $p) { $p = trim($p); if(strlen($p) > 5) { echo '

' . htmlspecialchars($p) . '

'; } } }
展开全部 ▼
确认删除?
VIP
微信客服
  • 扫码咨询
会员Q群
  • 会员专属群点击这里加入QQ群
客服邮箱
回到顶部